alternator replacement ?

2017 FORD ESCAPE
95,000 MILES • 2.5L • 4 CYL • 2WD • AUTOMATIC
Avatar
JACKTMCCALL
  • MEMBER
  • 1 POST
I replaced my alternator and now all my lights and electrical is going nuts. battery was dead, jumped battery to get it started and as long as I leave the charger boosting the battery my car runs fine, but when I disconnect the charger everything goes crazy. do I maybe need a new battery, did I do the job right can you help me make sure?
Jan 27, 2020 at 6:00 PM
Advertisement
Avatar
ASEMASTER6371
  • CERTIFIED EXPERT
  • 52,796 POSTS
Good evening,

You have a low voltage from the battery. I would start by charging the battery and see if it starts okay.

https://www.2carpros.com/articles/how-to-charge-your-car-battery

Chances are you will be replacing the battery.

https://www.2carpros.com/articles/car-battery-load-test

https://www.2carpros.com/articles/how-to-check-a-car-alternator

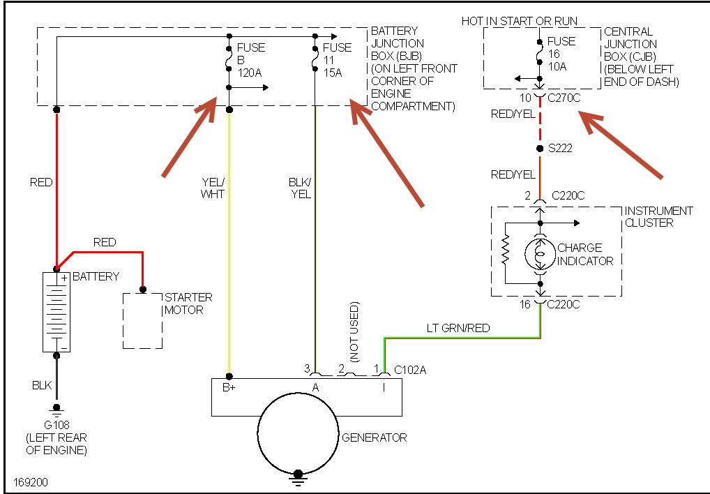
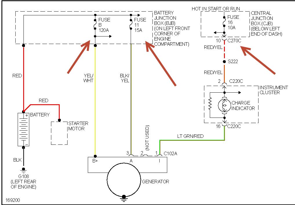
Here is how to change out the alternator correctly in the diagrams below. Check out the diagrams (Below). Please let us know what you find.
Jan 27, 2020 at 6:12 PM
Avatar
JOHNIE TAYLOR
  • MEMBER
  • 6 POSTS
How big of a job is it to replace the alternator?
Aug 11, 2020 at 5:33 PM (Merged)
Advertisement
Avatar
DANNY L
  • CERTIFIED EXPERT
  • 5,648 POSTS
Hi there, I am Danny.

On a scale of 1-10 I would give it a 5. You will need a serpentine belt tool to remove and install belt and a basic set of metric tools. Disconnect battery cable first, then remove belt. The alternator is held on by a few bolts and electrical connections. Attached is a tutorial explaining the process. Hope this helps and feel free to ask any questions if you feel like tackling this!
Danny-

https://www.2carpros.com/articles/how-to-replace-an-alternator
Aug 11, 2020 at 5:33 PM (Merged)
Avatar
COURTNEYKCAVILL
  • MEMBER
  • 1 POST
Need to know exactly what tools and sizes i need to replace my alternator?
Aug 11, 2020 at 5:33 PM (Merged)
Avatar
KASEKENNY
  • CERTIFIED EXPERT
  • 18,907 POSTS
I attached the process to replace the alternator. Unfortunately, they don't list tools needed so this is going to be something that you have to try to find out what you need. However, from what I remember, you can do this job with a basic set of wrenches and sockets.

Sorry I can't give more detail about the tools.
Aug 11, 2020 at 5:33 PM (Merged)
Avatar
EDPRATHER
  • MEMBER
  • 2 POSTS
How do I get to and remove the alternator on my V6 2004 Ford Escape?
Aug 11, 2020 at 5:33 PM (Merged)
Avatar
BLUELIGHTNIN6
  • CERTIFIED EXPERT
  • 16,542 POSTS


https://www.2carpros.com/forum/automotive_pictures/261618_Noname_818.jpg


https://www.2carpros.com/forum/automotive_pictures/261618_Noname2_209.jpg

Aug 11, 2020 at 5:33 PM (Merged)
Avatar
RUSSELLZ260
  • MEMBER
  • 1 POST
steps to removing and replacing the alternator,how and what do i have to do to remove it from the car i'm stumped
Aug 11, 2020 at 5:34 PM (Merged)
Avatar
JDL
  • CERTIFIED EXPERT
  • 16,098 POSTS
Not sure of litre size of engine? You may have to access generator from passenger side wheel well. Safely raise and support the vehicle, remove tire, remove splash lining.

You need to take battery connections loose.
Aug 11, 2020 at 5:34 PM (Merged)
Avatar
GEAR1986
  • MEMBER
  • 1 POST
how do you remove the alternator from a 2003 ford escape.
Aug 11, 2020 at 5:34 PM (Merged)
Avatar
DUSTIN1980
  • MEMBER
  • 2 POSTS
you have to take the cv axle out and remove it through that opening
Aug 11, 2020 at 5:34 PM (Merged)
Avatar
CAVE MANN
  • MEMBER
  • 7 POSTS
After changing the alternator and the pig tails clipped because I broke it it I rewired a new pig tail clip and the altenator charged the battery. After 2 weeks the alternator stop charging but still no charg where is the short than where is the short thank you
Aug 11, 2020 at 5:34 PM (Merged)
Avatar
HMAC300
  • CERTIFIED EXPERT
  • 48,601 POSTS
recheck your wiring job first if it wasn't soldered together with shrink tube then re do it like that. then check the fuses in pic you probably blew a fuse for it.
Aug 11, 2020 at 5:34 PM (Merged)
Avatar
CAVE MANN
  • MEMBER
  • 7 POSTS
Then why do battery light come on when I touch the green and red wire to the body of the alternator
Aug 11, 2020 at 5:34 PM (Merged)
Avatar
HMAC300
  • CERTIFIED EXPERT
  • 48,601 POSTS
because the battery light is the charge indicator light and it means you aren't charging your battery
Aug 11, 2020 at 5:34 PM (Merged)
Avatar
ERICGREGORY
  • MEMBER
  • 1 POST
2002 Ford Escape

removal of the alternator where is the halfshaft
Aug 11, 2020 at 5:34 PM (Merged)
Avatar
BLUELIGHTNIN6
  • CERTIFIED EXPERT
  • 16,542 POSTS
4 cylinder or 6 cylinder.?
Aug 11, 2020 at 5:34 PM (Merged)
Avatar
MJR346
  • CERTIFIED EXPERT
  • 132 POSTS
My guess is v6 and the right cv axle shaft is called a half shaft. It requires complete removal to replace the alternator. and needs a new axle nut torqued to roughly 200 lb/ft if I remember .. something that most 1/2 drive torque wrenches (common biggest size for sale in most tool places such as Sears) don't go up to.
Aug 11, 2020 at 5:34 PM (Merged)
Avatar
AHEW1960
  • MEMBER
  • 1 POST
What is the best way to remove the alternator?
Aug 11, 2020 at 5:34 PM (Merged)
Avatar
BLUELIGHTNIN6
  • CERTIFIED EXPERT
  • 16,542 POSTS
have to remove axle first..use 18" extension with 13 mm socket. use same setup for removing top alternator bolt. extension fits between exhaust hanger and frame. remove plastic shield behind axle (2 clips and hooked onto steering rack) and alternator bracket to engine (3 bolts). the alternator must be twisted a few ways to fit between the crank pulley, block and frame but it will fit without having to remove exhaust. will take around 2 hours for the job
Aug 11, 2020 at 5:34 PM (Merged)
Avatar
STEVE SANCZEL
  • MEMBER
  • 1 POST
Alternator light comes for a few minutes when engine is cold then goes out. How do I remove the existing alternator?
Aug 11, 2020 at 5:34 PM (Merged)
Avatar
BMRFIXIT
  • CERTIFIED EXPERT
  • 19,053 POSTS
check belt and belt tensioner
To remove the alternator
Disconnect negative battery cable.
Remove right side front drive halfshaft and intermediate shaft.
Remove right side lower splash shield screws and pin-type retainer. Remove 5 bolts and right front lower splash shield.
Rotate accessory drive belt tensioner clockwise.
Remove accessory drive belt from generator pulley.
Disconnect generator harness connector.
Remove upper and lower mounting bolts and generator from vehicle. Remove generator mounting bracket.
Remove generator electrical connectors.
To install, reverse removal procedure.
Tighten fasteners to specification
Aug 11, 2020 at 5:34 PM (Merged)
Avatar
TCOOPER39
  • MEMBER
  • 1 POST
Electrical problem
2002 Ford Escape 6 cyl Front Wheel Drive Automatic

How do you change the alternator
Aug 11, 2020 at 5:35 PM (Merged)
Avatar
DAVE H
  • CERTIFIED EXPERT
  • 13,384 POSTS
REMOVAL & INSTALLATION
CAUTION:When battery is disconnected, vehicle computer and memory systems may lose memory data. Driveability problems may exist until computer systems have completed a relearn cycle. See appropriate COMPUTER RELEARN PROCEDURES article in GENERAL INFORMATION before disconnecting battery.

GENERATOR
Removal & Installation (2.0L Zetec)
Disconnect negative battery cable. Remove right front wheel and tire. Remove 5 bolts and right front lower splash shield. Rotate accessory drive belt tensioner clockwise. Remove accessory drive belt from generator pulley. Disconnect generator electrical connectors to voltage regulator. Remove B+ terminal cover, nut and disconnect electrical connector. Remove lower generator bolts.
NOTE:Prior to installing generator, ensure upper bolt is placed in generator.

Loosen upper generator bolt from engine. DO NOT remove upper bolt from generator. Insufficient clearance does not allow bolt to be completely removed. Move generator to rear of vehicle. Remove generator. To install, reverse removal procedure. Tighten fasteners to specification. See TORQUE SPECIFICATIONS.

Removal & Installation (3.0L Duratec)

Disconnect negative battery cable. Remove right side front drive halfshaft and intermediate shaft. See AXLE SHAFTS article in DRIVE AXLES. Remove right side lower splash shield screws and pin-type retainer. Remove 5 bolts and right front lower splash shield. Rotate accessory drive belt tensioner clockwise. Remove accessory drive belt from generator pulley. Disconnect generator harness connector. Remove upper and lower mounting bolts and generator from vehicle. Remove generator mounting bracket. Remove generator electrical connectors. To install, reverse removal procedure. Tighten fasteners to specification. See TORQUE SPECIFICATIONS.
Aug 11, 2020 at 5:35 PM (Merged)
Avatar
GUMBY4914775
  • MEMBER
  • 1 POST
what all do we have to remove to get alternator out and replace
Aug 11, 2020 at 5:35 PM (Merged)
Avatar
BLUELIGHTNIN6
  • CERTIFIED EXPERT
  • 16,542 POSTS


https://www.2carpros.com/forum/automotive_pictures/261618_Noname_561.jpg


https://www.2carpros.com/forum/automotive_pictures/261618_Noname2_142.jpg

Aug 11, 2020 at 5:35 PM (Merged)
Avatar
2CP-ARCHIVES
  • MEMBER
  • 4,540 POSTS
How do you change alternator? pull motor? its a V6
Aug 11, 2020 at 5:35 PM (Merged)
Avatar
RASMATAZ
  • CERTIFIED EXPERT
  • 75,992 POSTS
-Removal & Installation (3.0L Duratec)

Disconnect negative battery cable. Remove right side front drive halfshaft and intermediate shaft. See AXLE SHAFTS article in DRIVE AXLES. Remove right side lower splash shield screws and pin-type retainer. Remove 5 bolts and right front lower splash shield. Rotate accessory drive belt tensioner clockwise. Remove accessory drive belt from generator pulley. Disconnect generator harness connector. Remove upper and lower mounting bolts and generator from vehicle. Remove generator mounting bracket. Remove generator electrical connectors. To install, reverse removal procedure. Tighten fasteners to specification. See TORQUE SPECIFICATIONS.
Aug 11, 2020 at 5:35 PM (Merged)
Avatar
JENSFIXORREPAIRDAILY
  • MEMBER
  • 1 POST
My brand new battery (Motorcraft) died after having it in my car for all of 2 days. My husband removed the aternator, took it and the replacement alternator to a car part place to have them checked. The one he removed was bad and the other was good so he replaced it. Next day after making sure the battery was fully charged I drove the car. All the while the battery light was on. Another day later the batter has been drained to empty. Is there a possibility there is something else that is keeping the alternator from doing it's job?
Aug 11, 2020 at 5:35 PM (Merged)
Avatar
JACOBANDNICKOLAS
  • CERTIFIED EXPERT
  • 110,175 POSTS
I would try a different alt. Also, there is a fuseable link between the bat and the alt. That sounds like the problem to me but I'm not there to check. Have that checked. NOTE: If the alt is good, the fuseable link will cause this because regardless of the alt's ability to charge to battery, it can't get power to it.
Aug 11, 2020 at 5:35 PM (Merged)