Replacement fuse for 12V power outlet in the center console

2005 MITSUBISHI MAGNA
110,000 MILES • 3.6L • V6 • 2WD • AUTOMATIC
Avatar
WOFTAM
  • MEMBER
  • 1 POST
What is the location of the fuse for 12V power outlet in the center console-mail? What is it labelled as?
Oct 23, 2019 at 6:09 AM
Advertisement
Avatar
STRAILER
  • CERTIFIED EXPERT
  • 53,855 POSTS
Hello,

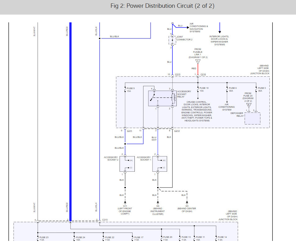
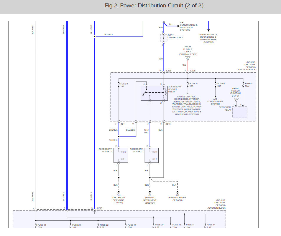
There is a fuse #9 that needs to be checked. but there is also an accessory relay that needs to be checked as well. here is the wiring diagrams so you can see how it works with two guides to help you with the testing:

https://www.2carpros.com/articles/how-to-check-a-car-fuse

and

https://www.2carpros.com/articles/how-to-check-an-electrical-relay-and-wiring-control-circuit


Check out the diagrams (below). Please let us know what you find.
Oct 24, 2019 at 1:04 PM