Replacing valve gasket

1997 HONDA ODYSSEY
290,000 MILES • 2.2L • 4 CYL • 2WD • AUTOMATIC
Avatar
BRITOMARTIS HECTATES TILLERY
  • MEMBER
  • 12 POSTS
I need to replace all the gaskets top and bottom ones spark plug seals. How much torque is needed to put camshaft back on? Thanks in advance.
May 19, 2019 at 2:24 AM
Advertisement
Avatar
SCGRANTURISMO
  • CERTIFIED EXPERT
  • 4,897 POSTS
Hello,

I'm assuming you are talking about the valve cover. I have included the information for the torque settings on your vehicle's valve cover in the diagrams down below. If this is not the right part, please let us know which part you were referring to and we will get the information to you right away.

hanks,
Alex
2CarPros
May 19, 2019 at 3:32 PM
Avatar
BRITOMARTIS HECTATES TILLERY
  • MEMBER
  • 12 POSTS
No on a Honda Odyssey there are four seals under the camshaft. I need to find out how much torque is needed to put back on the camshaft?
May 20, 2019 at 5:59 PM
Advertisement
Avatar
SCGRANTURISMO
  • CERTIFIED EXPERT
  • 4,897 POSTS
Hello again,

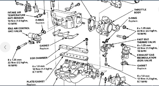
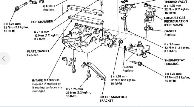
I think you have another question on here where you are talking to Roy about doing a compression test, so I figure you are doing some internal engine work. So, in the diagrams down below I have included a full set of torque specs for your vehicle's engine including exploded diagrams of each component set. Please go through them and get back to us with what you are able to find out.

Thanks,
Alex
2CarPros
May 21, 2019 at 1:19 AM
Avatar
BRITOMARTIS HECTATES TILLERY
  • MEMBER
  • 12 POSTS
Thank you so much.
May 21, 2019 at 5:34 PM