Airbag Restraints and Safety Systems wiring diagram needed?

2018 CHEVROLET SILVERADO
66,000 MILES • 5.3L • V8 • 2WD • AUTOMATIC
Avatar
ABIDZ05
  • MEMBER
  • 7 POSTS
Hi All,

I need the wiring diagram for the Restraints and Safety Systems if possible.

Thank you
Jul 24, 2025 at 6:41 PM
Advertisement
Avatar
STRAILER
  • CERTIFIED EXPERT
  • 53,855 POSTS
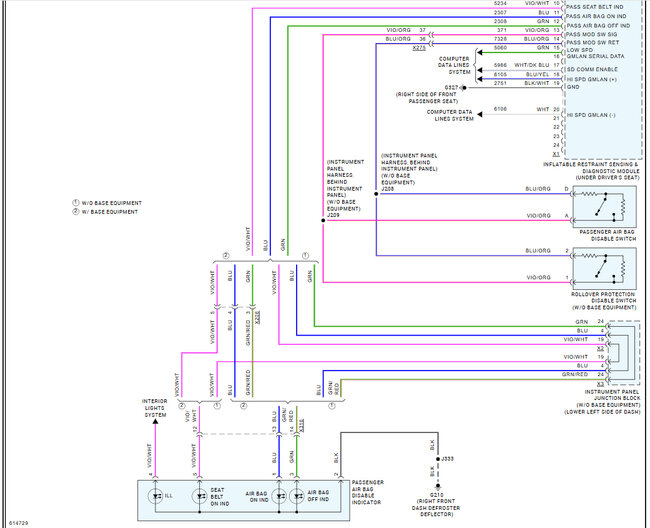
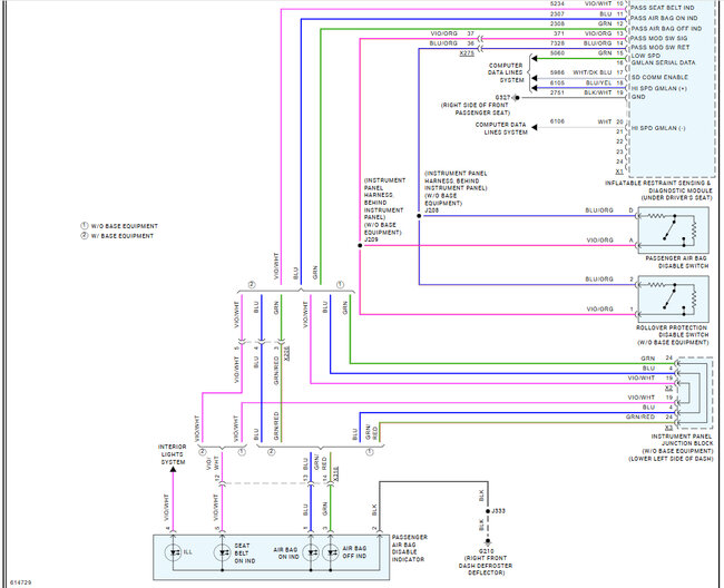
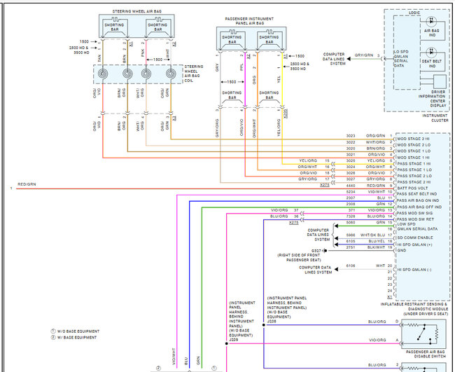
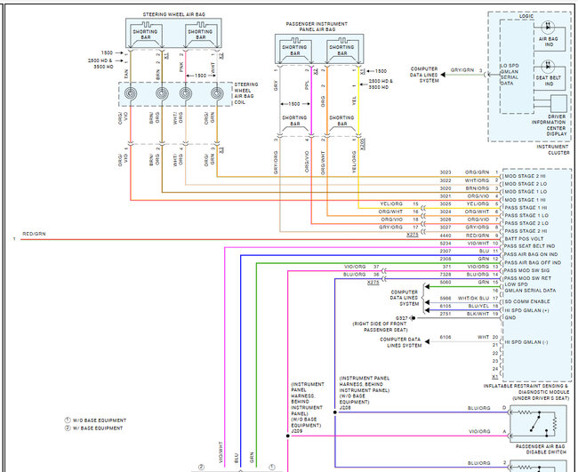
I got you covered, here you go. Check out the images (below). Let us know if you need anything else.
Jul 25, 2025 at 11:14 AM
Avatar
ABIDZ05
  • MEMBER
  • 7 POSTS
Hi Ken,

Thank you very much for the quick response. I have one question regarding the Passenger presence module and Passenger seat tension sensor. According to the diagram pin 5 and 6 from the Passenger presence module connect to passenger seat belt tension sensor pin 1 and 2 respectively through x320 connector under the seat. My question is does this mean that physical connection between 5,6 and 1,2 happen inside the connector x320 according to the diagram?

I have what looks like open circuit pin 2 with code B0071 that I'm trying to troubleshoot.

Thanks
Jul 25, 2025 at 12:47 PM
Advertisement
Avatar
STRAILER
  • CERTIFIED EXPERT
  • 53,855 POSTS
This code indicates an issue with the driver seat position sensor. Not a wiring issue.

DTC B0071: Driver Seat Position Sensor Circuit Range/Performance

Here is the location of the sensor. Check out the images (below). Please upload pictures or videos in your response.
Jul 25, 2025 at 1:00 PM
Avatar
ABIDZ05
  • MEMBER
  • 7 POSTS
Hi Ken,

I checked the seat, and it does not have any position sensor nor wiring for that. I checked the codes inside the Passenger Presence Module, and it has 2 codes;
1-B0071:04 passenger seat belt tension sensor open
2-B0081:11 Passenger presence module high input

Thanks
Jul 26, 2025 at 3:18 PM
Avatar
ABIDZ05
  • MEMBER
  • 7 POSTS
Thank you, Ken, for your great assistance. The issue has been resolved. The B0071:04 is a tension sensor circuit open in the passenger seat belt retractor. After fixing the broken wire I was able to do a relearn for the passenger presence module and everything worked just fine.
Jul 26, 2025 at 6:21 PM
Avatar
STRAILER
  • CERTIFIED EXPERT
  • 53,855 POSTS
Glad you could get it fixed, thanks for letting us know. Please use 2CarPros anytime.
Jul 27, 2025 at 10:51 AM