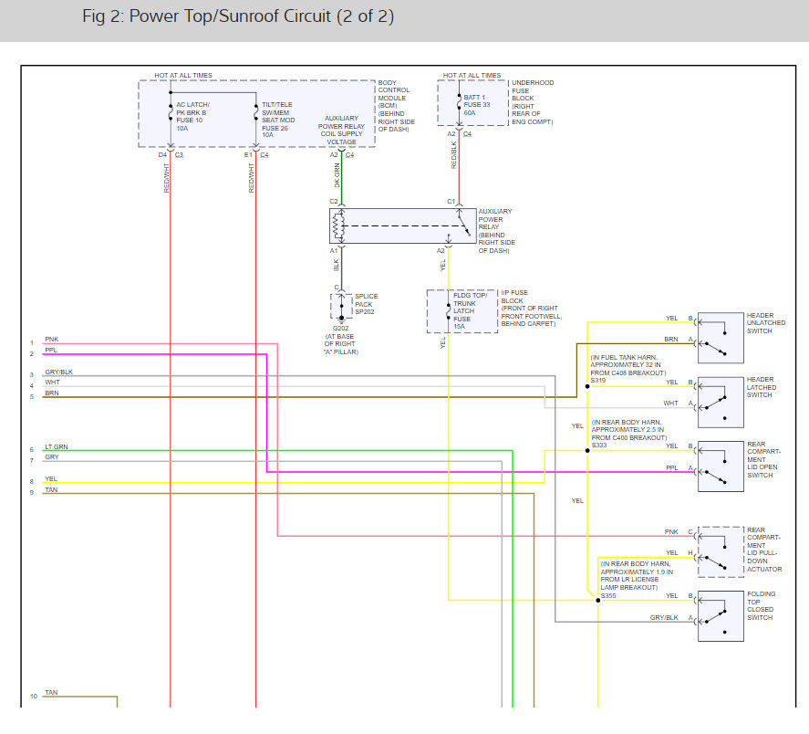
Retractable roof inoperable. Three sensors in back okay, ohms good, fuses okay. disconnected battery no codes. don't know about body codes indexed windows. any solutions?
Oct 27, 2019 at 6:26 AM













