Reverse light

2013 CHEVROLET SUBURBAN
180,000 MILES • 6.0L • V8 • 4WD • AUTOMATIC
Avatar
JNBVENTURES
  • MEMBER
  • 3 POSTS
The reverse lights do not come on/have power to them when shifted into reverse.
The fuses are good and I am measuring voltage at the light itself which is zero.

I suspect it is the reverse switch located somewhere on the transmission but I have not been able to determine where.
The transmission is apparently a 6L80 because this 2013 Suburban is a 2500 4x4.
Looking for a location/part to swap or check out.
Aug 23, 2025 at 8:10 PM
Advertisement
Avatar
STEVE W.
  • CERTIFIED EXPERT
  • 15,116 POSTS
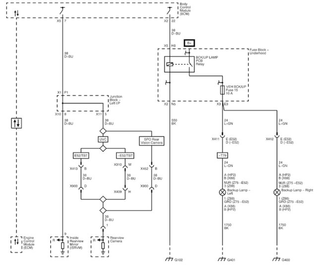
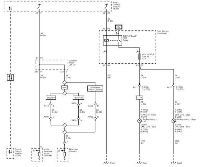
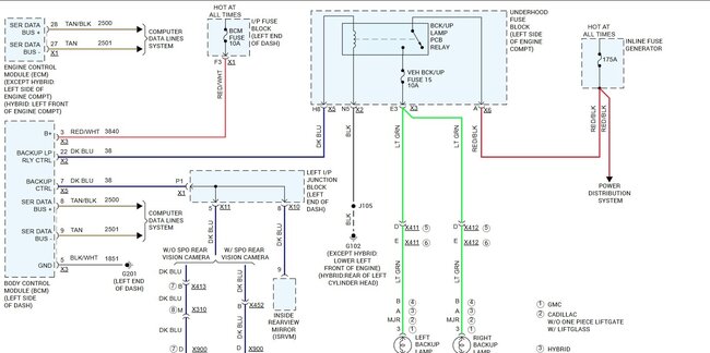
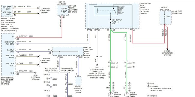
Probably not the reverse switch as it doesn't have one. Instead it uses the transmission range sensor to determine when the transmission is in reverse. However you may want to do some testing because the reverse lamp relay is a possible failure item as is the body control module. A simple test of the switch however is to look at the gear indicator on the dash. Does it display reverse when shifting? It uses the same signal as the BCM so if it lights up in reverse it isn't the selector. Another way is to use a scan tool that shows live data from all modules, you can look at the input and output and see the reverse lamp control state. For testing Go to the BU fuse 15 and put a test light on it and see if you have voltage when in reverse, Pull the fuse and check in the box as well, have seen more than one "good" fuse that actually wasn't. So let's say there is no voltage on the fuse in reverse. Using the wiring diagram (both included as the wire colors can be easier) we need to check to see if the relay is getting a signal to turn on. For that we go to the body control module and check for voltage on the dark blue wire at pin 22 in connector X2 If there is voltage there when the key is on and shifted into reverse that shows the problem is between the BCM and the fuse which is commonly the relay or the underside of the fuse panel is corroded. To get to the BCM you remove the panel under the steering column. The BCM is mounted in a bracket behind the dash. Go to the connector and slip a needle or pin into the back of the connector at pin 22 and see if you have power in reverse. Then you have the fuse box, the reverse relay is internal to the box and you replace the entire unit if it's bad. (Or you can use an external relay wired up to use the signal from pin 22 to control the lamps if you don't want to change out the box)
Aug 24, 2025 at 10:58 AM
Avatar
JNBVENTURES
  • MEMBER
  • 3 POSTS
I checked the signal at pin 22 and I don't see any voltage when placed into reverse...???
So what is before the BCM?
Aug 25, 2025 at 4:10 PM
Advertisement
Avatar
JNBVENTURES
  • MEMBER
  • 3 POSTS
Or, is this from the BCM and the BCM is bad?
Aug 25, 2025 at 4:14 PM
Avatar
STEVE W.
  • CERTIFIED EXPERT
  • 15,116 POSTS
If you don't see a signal at the BCM when in reverse but the shift indicator is changing (or the back-up camera is coming on, if equipped) then the BCM output may have failed. I would get a scan tool and see what it shows when the lever is moved. I dislike changing modules without testing. The other thing you can do is put a wire into pin 22 and use an adjustable voltage starting at 5 volts and turn it up until it triggers the relay, the lights should come on. If they do, the relay and wiring is good and the BCM and it's control is the issue. You can't test that part without a scan tool as it is all inside the transmission. The diagram shows that system, it comes out of the internal module on the GMLAN circuits as digital signals. The BCM and ECM get those and that is how it knows which gear is selected.
Aug 25, 2025 at 4:45 PM