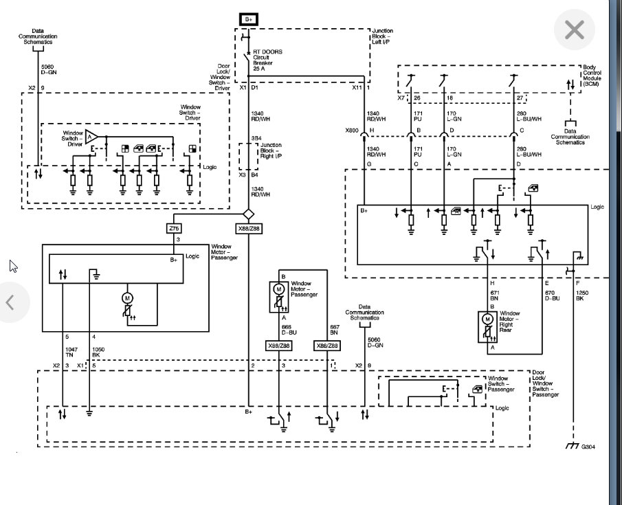
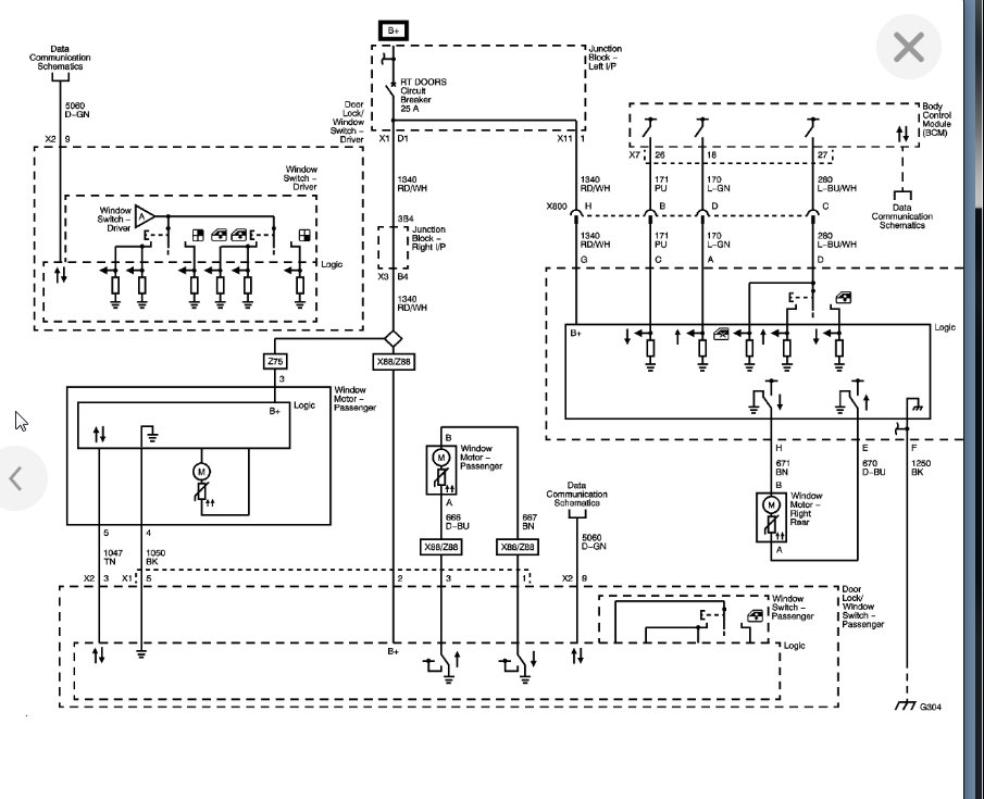
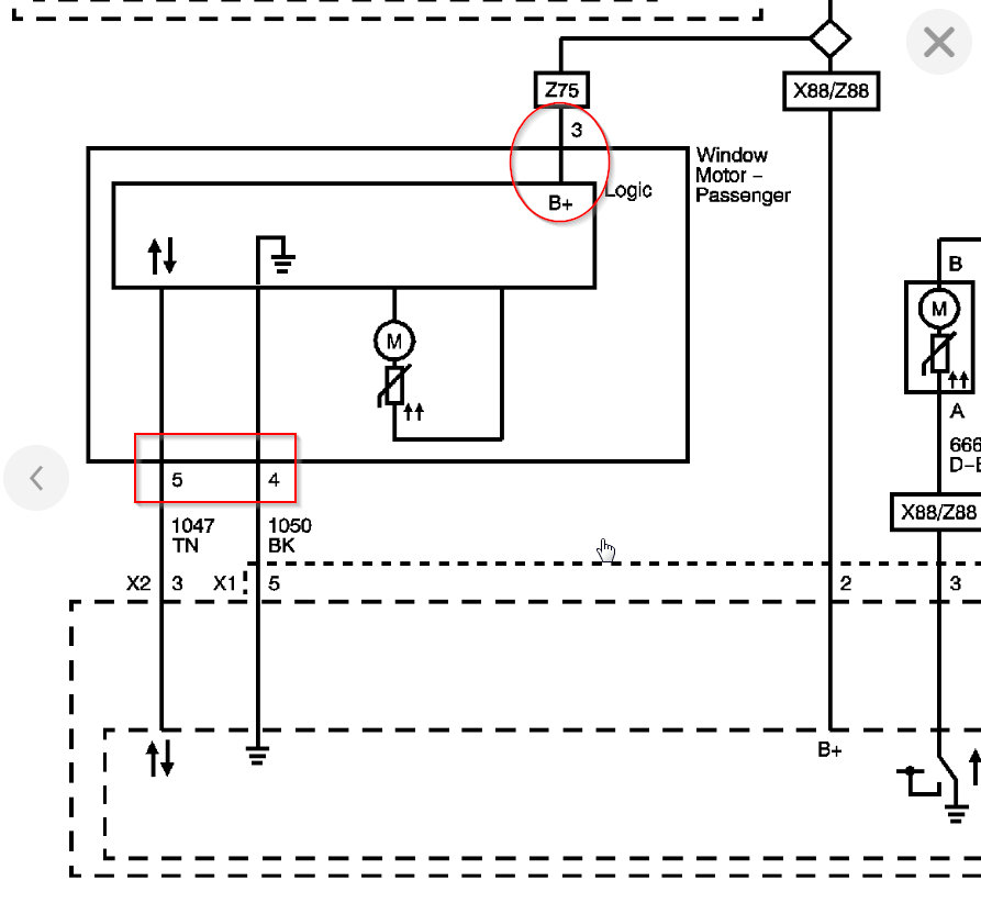
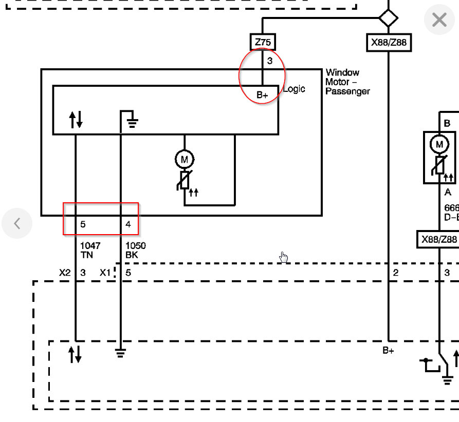
Passenger window does not go up or down will not lock with switch control from drivers side or passenger. i replace the switch on right side and still nothing.
Dec 21, 2019 at 5:43 PM

