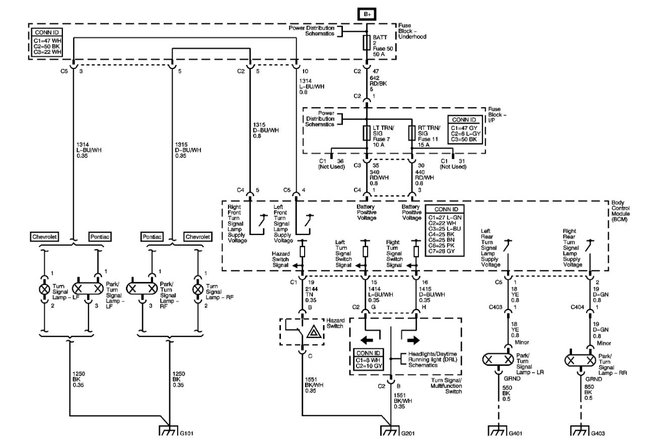
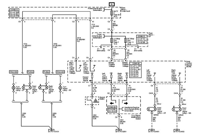
My right turn signal doesn't work. have checked all fuses and bulbs. the emergency flasher lights work fine.
How do I know if I need a new turn signal switch or could it be the relay?
How do I know if I need a new turn signal switch or could it be the relay?
Sep 26, 2020 at 10:38 PM





