RPM's and speed

1995 TOYOTA 4RUNNER
162,000 MILES • 3.0L • V6 • 4WD • MANUAL
Avatar
LDJK2016
  • MEMBER
  • 4 POSTS
my car revs at 4000 rpm's, while i travel at seventy five mph. i think this is way too high. i want to know what you think.
Feb 1, 2018 at 7:38 PM
Advertisement
Avatar
STEVE W.
  • CERTIFIED EXPERT
  • 15,113 POSTS
Rpm's at speed are dictated by the final gear ratio. Being this is a low geared 4X4 and a manual 4,000 rpm at 75 sounds about right. That truck would have come with either a 4.10:1 or a 4.56:1 rear differential depending on tire size. P22575R15 tires were 4.10, The optional 31" tires have the 4.56 gears.
If you run the numbers the 4:56 gears run with the smaller 28" tires shows right at 73 mph at 4,000 rpm.
I would say to check which gear ratio and tire size your truck came with first. If it has any type of towing or off road package it may have the 4:58 gears.

Feb 2, 2018 at 10:24 PM
Avatar
LDJK2016
  • MEMBER
  • 4 POSTS
okay, I am using the Firestone winter force LT 265/75/r16 studded snow tires this winter. and during the summer i used Discoverer A/T3 - Size: 265/75R16. when i tow the dirt bikes with the summer tires I'm around 3500-3700 rpm's at 80 mph. but without towing anything when this happened i was doing 80 at 4000 just a couple days ago (winter). I have been towing the snowmobiles this winter also but before i realized i was revving so high at highway speeds(without trailer). when i tow the sleds i am not on highways, just up to the national park here and with the icy conditions i am never going above 50 mph. however, to get up steep hills with the sleds in tow, i have to go into 4lo and then i usually get to fifth gear pretty quickly. after slightly maxing out speed I then just putt up the hill in fifth, 4lo. i guess there seems to be a direct relation to the tires and my rpm range to various speeds. as far as gear ratios go, i have no idea about them pretty sure its all stock. Thank you for the information.
Feb 3, 2018 at 8:05 AM
Advertisement
Avatar
STEVE W.
  • CERTIFIED EXPERT
  • 15,113 POSTS
If those are the stock size tire then you have the optional 31" tires and 4.56:1 gearing.
Because this is a manual there is one item you can try to see if perhaps you have clutch slippage from a worn clutch. Get up to around 40 mph. Shift into fifth and let out the clutch, then stomp the gas pedal to the floor. What you are looking and listening for is a rapid rpm increase without the truck gaining speed as fast if the clutch is slipping. If the engine sort of bogs down and the speed climbs fast and the rpm's do not flare up the clutch is okay.

Beyond any clutch slippage nothing else would cause an rpm difference as you have a manual transmission and gears to the tires. Now if you had an automatic transmission you could have worn internal parts that could cause a change but not with a stick.
Feb 3, 2018 at 1:21 PM
Avatar
LDJK2016
  • MEMBER
  • 4 POSTS
wanted to say thank you all for replying, my 4 runner has been running well other than when what I think to be is my clutch starting to slip. its exactly like you said in the response above. I will shift into a gear(doesn't really matter which) and drive like normal. what im noticing is if I have to give er a little throttle its just like you described above. push in clutch shift into gear, let clutch out hit the gas as needed when trying to accelerate up a hill and I will literally see my rpms go up and come down and go up then level out. when the rpms go up I dont get any power to the wheels. this only happens when I push in like 1/4 to a 1/2 in on the gas pedal after getting in gear.... no trouble getting into gear but when im in gear and need to accelerate the rpms go up until I let off the throttle for a sec and then push on again but very faintly, then I have to slowly climb up in rpms to avoid the rpms spike. right now were thinking I need a new clutch and that my pressure plate isn't holding pressure. seeing what yall think. im gonna order a new clutch here soon.
Oct 22, 2018 at 11:00 AM
Avatar
STRAILER
  • CERTIFIED EXPERT
  • 53,855 POSTS
Yep it sounds like the clutch is worn out but to be sure can you please shoot a quick video with your phone so we can hear the noise, that would be great. You can upload it here with your response.

Here is a video that shows a clutch being done to show you step by step how to do the job. Different car but the process is the same.

https://youtu.be/JpzefqEeVGE

Please let us know what you find. We are interested to see what it is.
Oct 22, 2018 at 11:31 AM
Avatar
LDJK2016
  • MEMBER
  • 4 POSTS
This is my attempt to video it. Might not do its full justice as I have to drive, shift and film. But did my best.
Oct 22, 2018 at 12:16 PM
Avatar
STRAILER
  • CERTIFIED EXPERT
  • 53,855 POSTS
Hello,

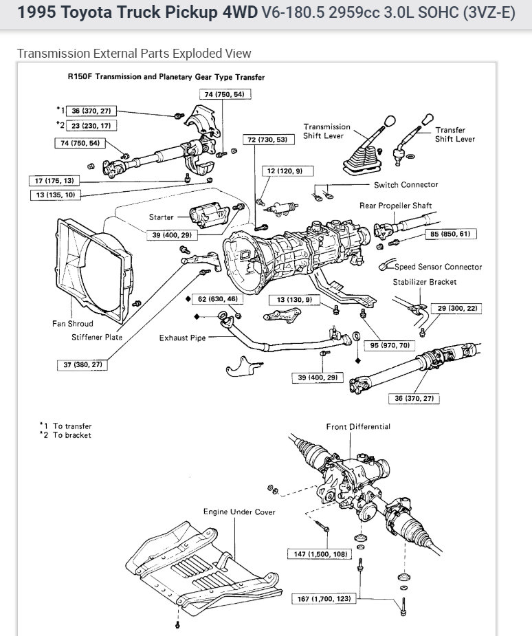
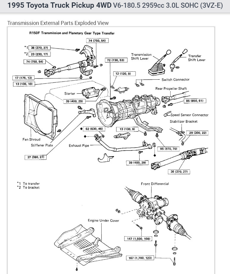
It looks like the clutch is slipping and need to be replaced. Here is a video that shows the steps. It is a different car but the process is the same. Here are diagrams to help you get the job done on your truck below.

https://youtu.be/JpzefqEeVGE

Check out the diagrams (below). Please let us know if you need anything else to get the problem fixed.

Cheers, Ken
Oct 23, 2018 at 10:00 AM