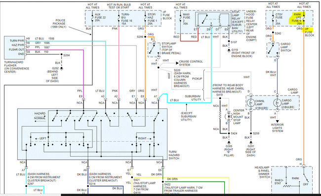
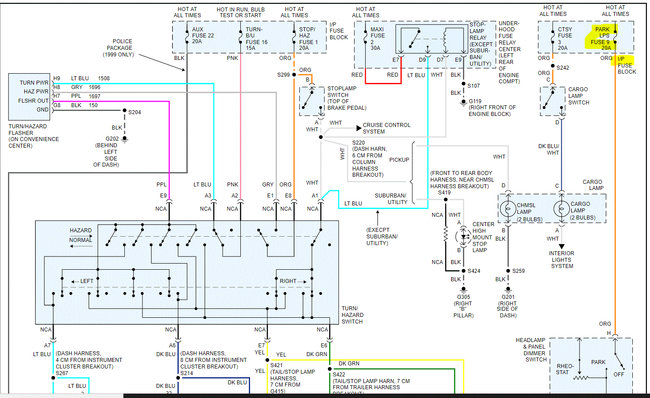
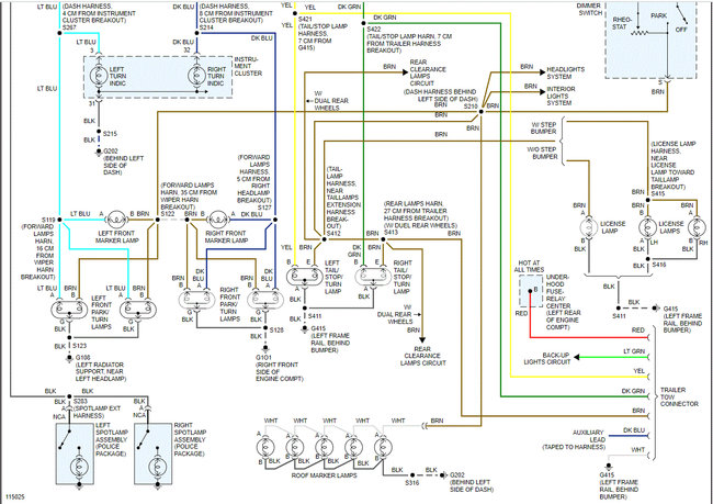
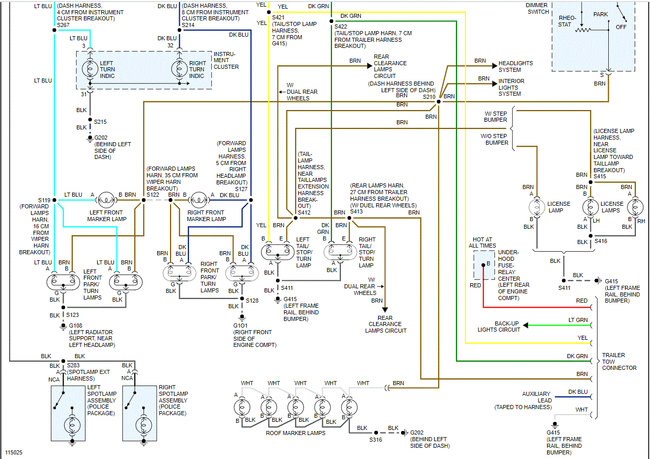
Signal light started blowing fuses after using them just once. Then put a brake switch in and then transmission started having problems. Replaced transmission and it works fine just noticed no running lights, or dash lights.
May 4, 2021 at 10:27 PM


