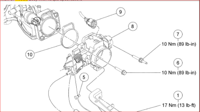
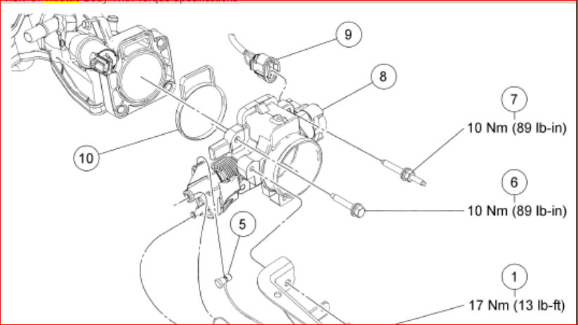
When you first start it it idles high and after a few seconds it drops a little low then to around idling rpm's. It uses more gas than it did most the time and sometimes it does about right and when you go to slow down it feels like it is holding back and when you left off the gas and press the pedal again it sticks. What are some things i can do to fix these problems?
Dec 19, 2018 at 1:18 PM



