I have the same problem with my 2004 Jeep Grand Cherokee Laredo Special Edition. It has the 4.0 with the inline 6 and is 4x4. Almost 116,000 miles 5 Speed Automatic (I think)
I was driving today and the MIL warning light came on. I went to put gas in my car, and I kinda overflowed it a little. But no worries, it still ran perfectly.
I then came home, splashed some water on the tank by the fuel door. I did the three key movements trick, and I got the following codes:
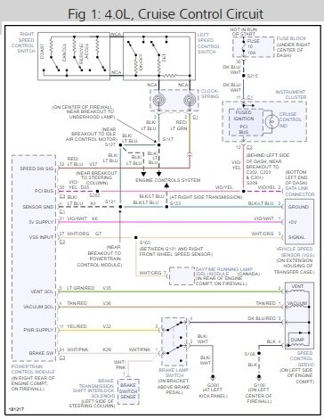
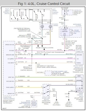
P1596 (Cruise control fault)
P0305 (Cylinder #5 misfire)
I then recalled that the cruise control wasn't working properly, and had suddenly accelerated to over 100 MPH (let me tell you that was really scary).
A few times, after it sits for 3 days, I go and turn it on, and it cranks and cranks and cranks, and then a grinding noise (like the grind a car makes when you turn the key while it is running, I did that in my Volkswagen one day). It doesn't start, until I put my foot slightly on the gas pedal and then it will start.
Also, there's a rattle over by the exhaust pipe on the passenger's side. It does this rattle when stopped in Park, Reverse, and Drive. And but doesn't rattle when I accelerate or rev. It doesn't do it in neutral, but in 2 and 1 it does it too.
Mar 27, 2020 at 11:35 AM
(Merged)