Blower Motor relay

2001 SATURN L200
Avatar
VLGOING
  • MEMBER
  • 3 POSTS
4 cyl Front Wheel Drive Automatic

Where is the blower motor relay located?
Jun 12, 2010 at 8:03 AM
Advertisement
Avatar
SATURNTECH9
  • CERTIFIED EXPERT
  • 30,869 POSTS
Hello,

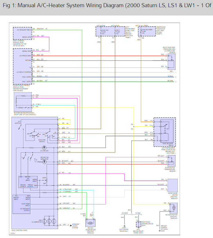
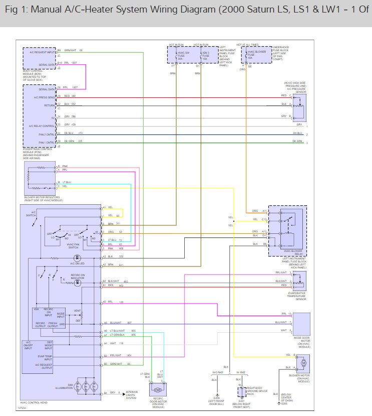
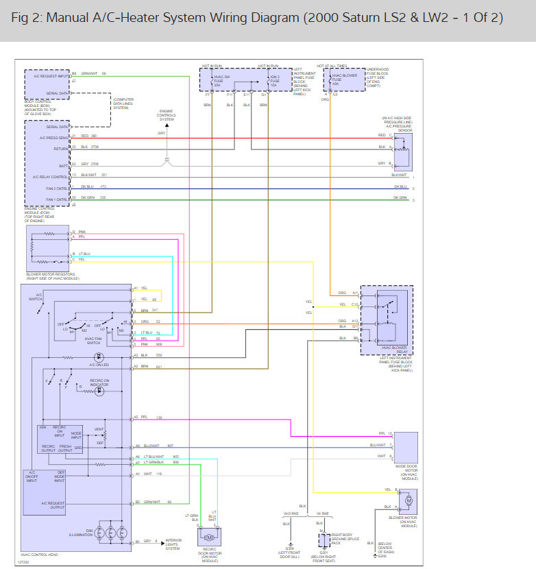
Here is the blower motor relay location and wiring diagrams so you can see how the system works and a guide to help you test the ac relay which control the blower.

https://www.2carpros.com/articles/how-to-check-an-electrical-relay-and-wiring-control-circuit

Check out the diagrams (Below). Please let us know what happens.

Cheers
Jun 12, 2010 at 10:45 AM
Avatar
VLGOING
  • MEMBER
  • 3 POSTS
Well when we first got the car the blower would only work on high... Now it only works sometimes.. I replaces the resistor.. and the blower motor works. Someone told me it was the relay so i got a new one now i don't know where to replace it because i cant find the old one.. It's driving me crazy!!!lol
Jun 12, 2010 at 10:51 AM
Advertisement
Avatar
SATURNTECH9
  • CERTIFIED EXPERT
  • 30,869 POSTS
You could have a loose connection to the motor i have seen that also where you can wiggle the plug to the motor and make the motor turn on and off. I have seen the blower motor do that as well
Jun 12, 2010 at 1:22 PM
Avatar
VLGOING
  • MEMBER
  • 3 POSTS
I found the resistor card on the passengers side against the firewall and its discolored and stuff. But does the resistor only control the 3 lower speeds? And the relay controls the higher speed. So I replaced the blower motor because it was all that was left and the problem is fixed thanks for your help.
Jun 12, 2010 at 1:53 PM
Avatar
SATURNTECH9
  • CERTIFIED EXPERT
  • 30,869 POSTS
Glad you could get it fixed, that kind of problem can be tough. Please use 2CarPros anytime we are here to help

Cheers
Jun 12, 2010 at 4:41 PM