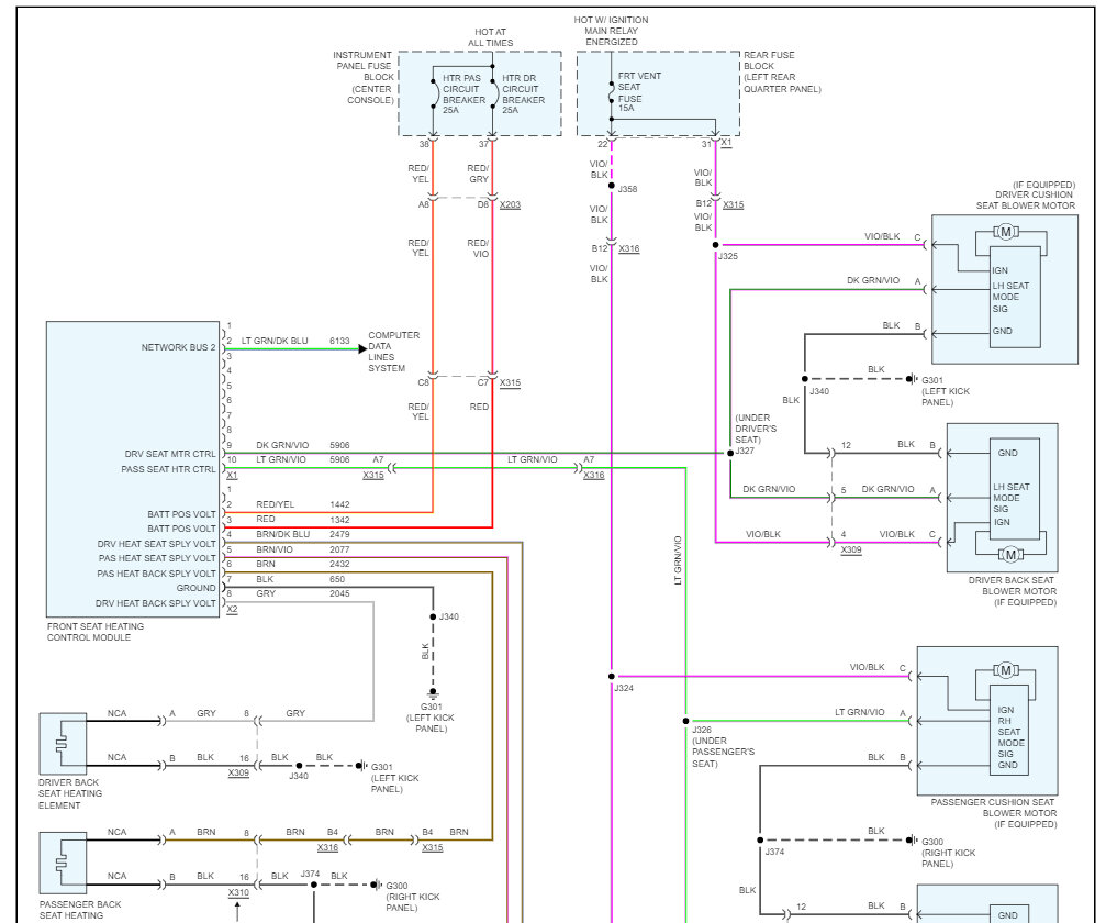
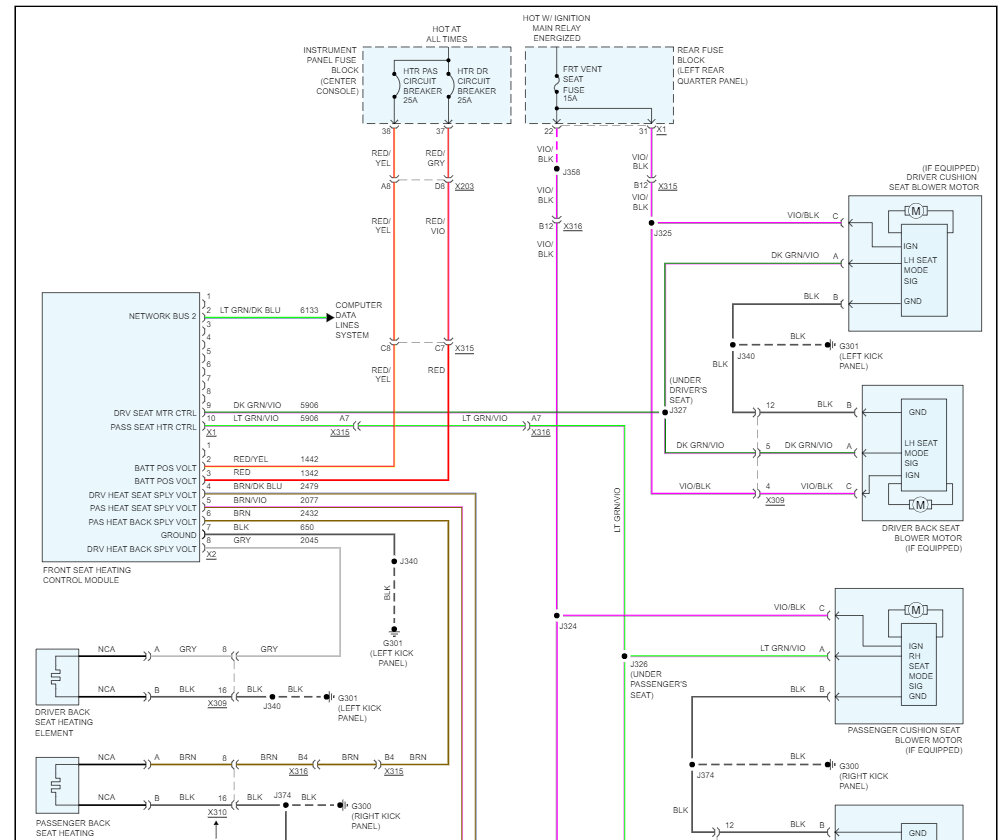
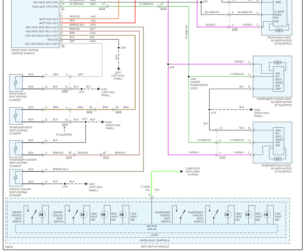
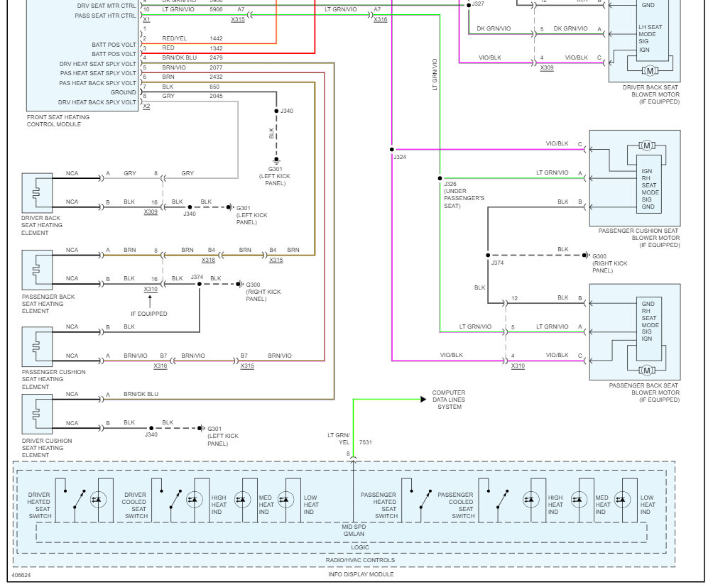
The seat heating and cooling button turns on (light comes on) for 3 seconds and then turns off automatically. The cooling and heating function does not appear to have time to engage before the light turns off. This happens on both the driver and passenger side.
Sep 1, 2023 at 11:07 AM



