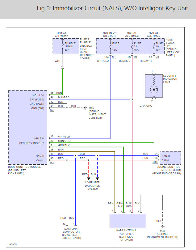
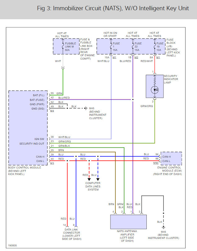
My problem is , I have dtc P1610 and two keys are good. I can make diagnostic in both ECU, ( BCM and ECU ) my problem is that code avoid my car to start. I need wiring diagram to control wise maybe some wire not connected. Because turn signal not working and central lock. Thank you for help.
Jun 13, 2018 at 5:11 PM




