☰
Login
Join
×
Home
Answered Questions
Repair Topics
Repair & Service Guides
Popular Questions
Warning Lights
Trouble Codes
How It Works
Testing / Diagnostics
Symptoms
Videos
Login
Become a Member
Home
Hyundai
Elantra
Engine
Serpentine Belt
Diagram
Serpentine belt diagram
2017 HYUNDAI ELANTRA
50,000 MILES
BONNIE W. CAMPBELL
MEMBER
2 POSTS
FOLLOW
Need diagram.
Jan 29, 2019 at 7:35 PM
Advertisement
DANNY L
CERTIFIED EXPERT
5,648 POSTS
Hello, I'm Danny.
Although you didn't specify if your car is a 1.4, 1.6, or 2.0 liter engine below I've attached a diagram for a 1.4 liter. Here is a tutorial showing how to remove and replace:
https://www.2carpros.com/articles/replace-serpentine-belt
If this doesn't look familiar get back to me with your correct engine size.Hope this helps and thanks for using 2CarPros.
Danny-
Image (Click to enlarge)
Jan 29, 2019 at 9:06 PM
BONNIE W. CAMPBELL
MEMBER
2 POSTS
It's 2.0.
Jan 29, 2019 at 9:14 PM
Advertisement
DANNY L
CERTIFIED EXPERT
5,648 POSTS
Hello again,
Here is a picture for the 2.0L.
Hope this helps and thanks again for using 2CarPros.
Danny-
Image (Click to enlarge)
Jan 29, 2019 at 10:04 PM
CLARA GOTFREDSEN
MEMBER
1 POST
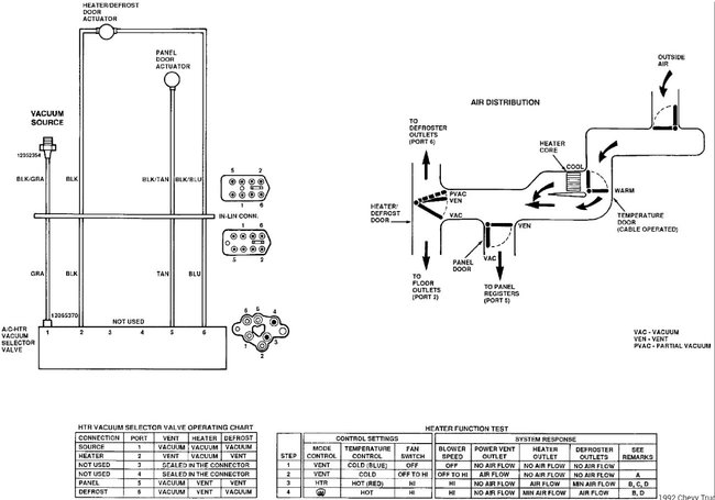
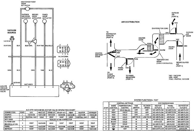
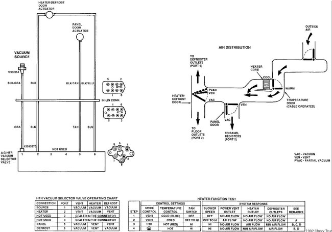
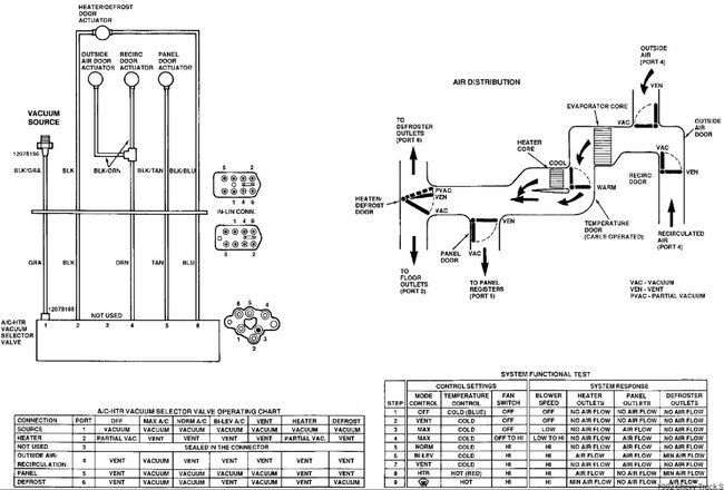
Need a vacuum diagram for a 92 s 10 blazer 4 4.3 vortec. I need to go to work. I don't have time to go to the store. Can anyone help?
Jan 20, 2020 at 4:32 AM
STEVE W.
CERTIFIED EXPERT
15,113 POSTS
Just found your question, Please use this link to ask this as a new question for a new vehicle:
https://www.2carpros.com/questions/new
Attached are the diagrams for a 4.3, but if you need more help please use a new question. Thank you.
Images (Click to enlarge)
Jan 20, 2020 at 6:18 AM