Service charging system

2007 CHEVROLET TAHOE
156,700 MILES • 5.3L • V8 • 2WD • AUTOMATIC
Avatar
SPEEDY12
  • MEMBER
  • 4 POSTS
Alternator not charging battery. Alternator is new. Was charging for a few weeks but stopped last time i drove it. The oil pressure sensor was recently changed due to oil pressure dropping randomly. Engine light would come on. I'd read the code it'd be oil pressure sensor circuit A. Oil sensor replaced engine light and oil pressure fixed. Last time i drove it, when alternator stopped charging the engine light came back on and it is oil pressure sensor again. Service Air bag appears in cluster when vehicle is started. You put it in drive and service Stabilitrak, service traction control messages appear on cluster. Sometimes when driving when you try to accelerate say after going around a corner or trying to pass someone the RPMs will jump up to 5,000, 6,000, or maxed out and vehicle will not speed up/accelerate. Does not happen every time but it does do it quite often. When mechanic replaced oil pressure sensor he said alternator wasn't charging, he replaced it. The second one stopped charging after driving the vehicle maybe 3 to 4 miles. He replaced the alternator again. I picked the vehicle up from him and drove it maybe 25 to 30 miles to my house and it stopped charging. I replaced the alternator for 3rd time and it was fine for about 60 miles or so. Alternator came from AutoZone, Duralast Gold the more expensive one. Any info on this will be greatly appreciated!
Oct 25, 2020 at 5:01 PM
Advertisement
Avatar
KASEKENNY
  • CERTIFIED EXPERT
  • 18,907 POSTS
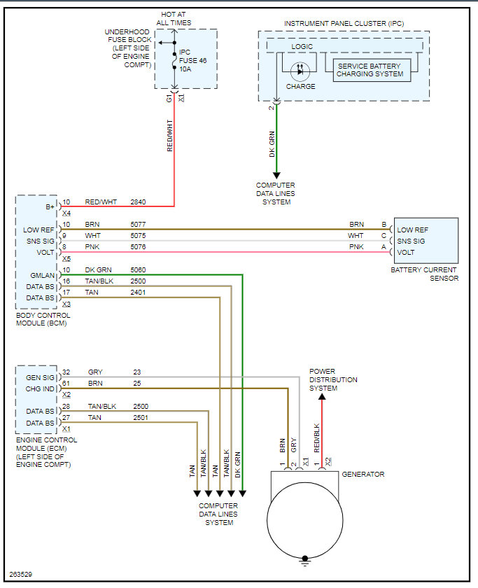
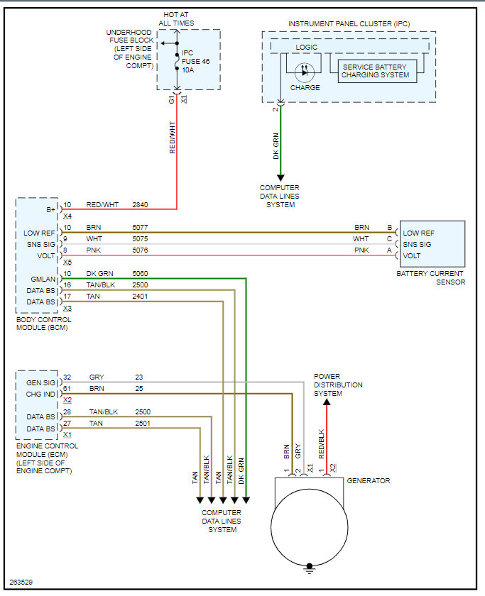
I suspect the battery current sensor is reading improperly which is forcing the charging system to run at a higher voltage and most likely it is damaging the field control in the alternator.

We are going to need to test this on a functioning alternator so unfortunately we are going to have to replace it again. Then we need to monitor the voltage across the battery at idle and see what the voltage is. Then raise the RPM's to 2,500 and see what the voltage is.

If you have a scan tool that would be great to monitor the overall state of charge of the system. Then monitor the duty cycle of the alternator and let me know if that matches the voltage. See the chart attached.

Let's start with this and go from there.
Oct 25, 2020 at 5:53 PM
Avatar
JACOBANDNICKOLAS
  • CERTIFIED EXPERT
  • 110,175 POSTS
Hi,

Could you provide the codes that you found? If I have them, it may help. Often times there is more than one thing that can cause a code to be set. For example, you replaced the sensor, but the problem could be in the wiring to the sensor. I can usually figure that out.

Now, the traction control and other things (air bag) may be on simply due to a low voltage issues. That includes the oil light. We need to figure that out first.

I want you to do me a favor. Remove the alternator (the bad one) and have it bench tested at auto zone. If it checks bad, request a different brand. If it checks good, we need to check wires on the vehicle.

Since you had the alt installed by a mechanic, I will provide the directions so you can do it at home. The attached pics correlate with the directions.

______________________________

2007 Chevy Truck Tahoe 2WD V8-5.3L
Generator Replacement
Vehicle Starting and Charging Charging System Alternator Service and Repair Removal and Replacement Generator Replacement
GENERATOR REPLACEMENT
GENERATOR REPLACEMENT

REMOVAL PROCEDURE


pic 1

1. Disconnect the negative battery cable.
2. Remove the intake manifold sight shield.
3. Remove the accessory drive belt.
4. Disconnect the engine harness electrical connector (3) from the generator.


pic 2

5. Reposition the generator battery jumper cable boot (3).
6. Remove the generator battery jumper cable nut (2) from the generator.
7. Remove the generator battery jumper cable terminal (1) from the generator stud.


pic 3

8. Remove the generator bolts.
9. Remove the generator.

INSTALLATION PROCEDURE


pic 4

1. Install the generator.

2. NOTE: Refer to Fastener Notice.

Install the generator bolts.

Tighten the bolts to 55 N.m (41 lb ft).

pic 5

3. Install the generator battery jumper cable terminal (1) to the generator stud.
4. Install the generator battery jumper cable nut (2) to the generator.

Tighten the nut to 9 N.m (80 lb in).

5. Position the generator battery jumper cable boot (3).

pic 6

6. Connect the engine harness electrical connector (3) to the generator.
7. Install the accessory drive belt.
8. Install the intake manifold sight shield.
9. Connect the negative battery cable.

___________________________
Let me know what you find.

Joe
Oct 25, 2020 at 6:01 PM
Advertisement
Avatar
SPEEDY12
  • MEMBER
  • 4 POSTS
The mechanic replaced the alternator the first two times. I replaced the alternator the last (third) time. The service Airbag, service Traction Control and Service Stabilitrak lights have been on for a long time. Duralast is the only alternator AutoZone carries. I have watch several YouTube videos of similar issues on GM vehicles but have not had any luck yet. I did add a new ground wire (8awg) from firewall to engine block. I have checked fuses, fusible link between battery and alternator, etc. I will remove alternator in the morning and take it to have it checked at AutoZone and will reply as to what result was.
Oct 25, 2020 at 6:39 PM
Avatar
JACOBANDNICKOLAS
  • CERTIFIED EXPERT
  • 110,175 POSTS
Hi,

I'm interested in knowing. At least that way we can determine if it is the alternator or something on the vehicle. I was questioning the fusible link. When you check it, did you check for continuity? Did you move the link around to see if you could cause it to fail? When the alternator isn't charging, do you still have 12v to it?

Let me know.
Joe
Oct 25, 2020 at 7:14 PM
Avatar
SPEEDY12
  • MEMBER
  • 4 POSTS
Okay, took alternator off and had it exchanged at AutoZone. They could not test it due to not having the right adapter for a Tahoe. I got the new alternator put on. I put a new negative terminal on the negative wire to the battery. At the front of the motor on the right side, directly below the air intake housing there is a bolt screwed into the block. The Neg wire from the battery connects to it along with a 12 awg black/white and 18 awg gray or black "not sure" wire. The ring terminal crimped on the 12 awg and 18 awg did not look very good so i cut it off, restriped wires and crimped a new ring terminal on it. Started the Tahoe and we are charging! Have my code reader hooked up monitoring voltage and it staying at 14.5 to 14.6 volts. I have headlights off. Cab lights off and A/C off. One thing i noticed when checking voltage at the alternator is when the compressors for the shocks turn on to level out the vehicle it causes the alternator to jump up to 14.9 to 15.1 volts. The shock compressors usually does not turn on very often. Just when you initially start the vehicle to level it out.
Oct 29, 2020 at 4:43 PM
Avatar
KASEKENNY
  • CERTIFIED EXPERT
  • 18,907 POSTS
That is great. Also, that is normal for the voltage to jump up when those kick on. The PCM will do what is called duty cycle the alternator. What that means is when the load/demand is higher it will pump up the output so that it is sure to be able to carry the additional load.

Thanks for the update and for using 2CarPros.
Oct 29, 2020 at 6:52 PM