Yes, it could be the tie rods, these are easily checked. Raise the front of the car and have a helper move the wheel back and forth slightly while you watch with a flashlight and look for play, this guide can help:
https://www.2carpros.com/articles/jack-up-and-lift-your-car-safely
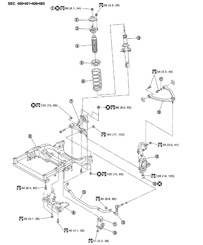
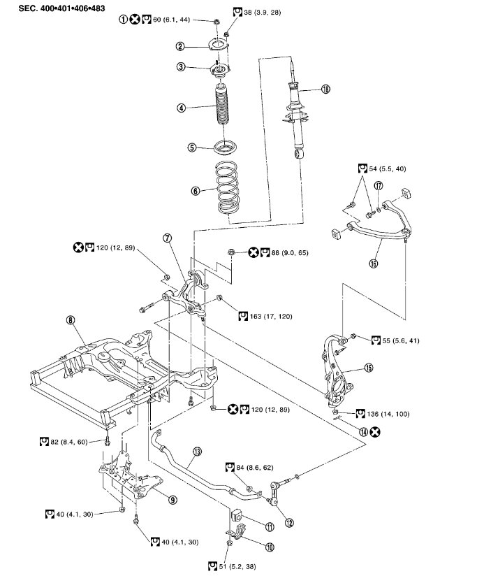
Check out the images (below). Let us know what happens and please upload pictures or videos of the problem so we can see what's going on.
Jul 8, 2023 at 11:37 AM