Good evening,
The first thing I would do is check the fuel pressure when it will not start. you have all the indications of a bad fuel pump.
https://www.2carpros.com/articles/how-to-check-fuel-system-pressure-and-regulator
https://www.2carpros.com/articles/how-to-replace-an-electric-fuel-pump
Procedure below
Roy
Caution: In order to reduce the risk of fire and personal injury that may result from a fuel leak, always replace the fuel sender gasket when reinstalling the fuel sender assembly.
imageOpen In New TabZoom/Print
1. Remove the fuel tank.
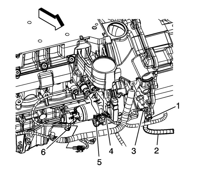
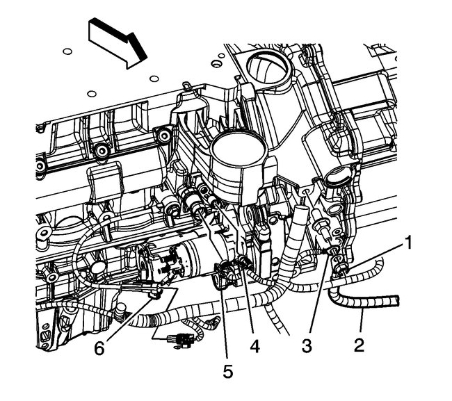
2. Disconnect the fuel pressure sensor and fuel pump module electrical connectors (1, 4).
3. Disconnect the fuel tank vent pipe quick connect fittings (2, 3).
4. Disconnect the fuel tank feed pipe quick connect fitting (5).
5. Install the J 45722 to the lock ring.
imageOpen In New TabZoom/Print
Notice: Avoid damaging the lock ring. Use only J-45722 to prevent damage to the lock ring.
Notice: Do Not handle the fuel sender assembly by the fuel pipes. The amount of leverage generated by handling the fuel pipes could damage the joints.
Important:
* The fuel sender assembly may spring up from its position.
* When removing the fuel sender assembly from the fuel tank, be aware that the reservoir bucket is full of fuel. It must be tipped slightly during removal to avoid damage to the float. Discard the fuel sender assembly O-ring and replace it with a new one.
* Carefully discard the fuel in the reservoir bucket into an approved container.
Important: Do NOT use impact tools. Significant force will be required to release the lock ring. The use of a hammer and screwdriver is not recommended. Secure the fuel tank in order to prevent fuel tank rotation.
Use the J 45722 and a long breaker-bar in order to unlock the fuel sender lock ring. Turn the fuel sender lock ring in a counterclockwise direction.
6. Remove the module lock ring.
imageOpen In New TabZoom/Print
7. Slowly raise the module until the fuel level sensor float arm is just visible. Ensure that the fuel level sensor harness connector clears the tank opening.
Important: When removing the module from the fuel tank, be aware that the module reservoir bowl is full of fuel. The module must be tipped slightly during removal to avoid bending the fuel level sensor float arm.
8. Tilt the module toward the rear of the fuel tank to allow the level sensor float arm to clear the tank opening. Remove the module from the tank.
9. Carefully discard the fuel in the module reservoir bowl into an approved fuel container.
Important: DO NOT reuse the old fuel pump module seal.
10. Remove and discard the fuel pump module seal.
imageOpen In New TabZoom/Print
Important:
* Some lock ring were manufactured with DO NOT REUSE stamped into them. These lock rings may be reused if they are not damaged or warped.
* Inspect the lock ring for damage due to improper removal or installation procedures. If damage is found, install a NEW lock ring.
* Check the lock ring for flatness.
Place the lock ring on a flat surface. Measure the clearance between to lock ring and the flat surface using a feeler gage at 7 points.
11. If the warpage is less than 0.41 mm (0.016 in), the lock ring does not require replacement.
12. If the warpage is greater than 0.41 mm (0.016 in), the lock ring must be replaced.
Images (Click to enlarge)
Dec 30, 2018 at 12:10 PM
(Merged)