Signal and hazard lights do not work

2005 CHEVROLET COLORADO
160,000 MILES • 2WD • AUTOMATIC
Avatar
TGRO22
  • MEMBER
  • 1 POST
The ones in the front work but the indicators on the dash don't work either. I have checked the fuses and they are fine. Are there any relays within the fuse box that could cause this problem? I have researched a bit and it seems that it would be the flasher relay. But as I research more I'm hearing/seeing that there isn't a flasher relay and the body control module is responsible for the flashers.
Mar 23, 2019 at 1:25 PM
Advertisement
Avatar
ASEMASTER6371
  • CERTIFIED EXPERT
  • 52,796 POSTS
Good afternoon,

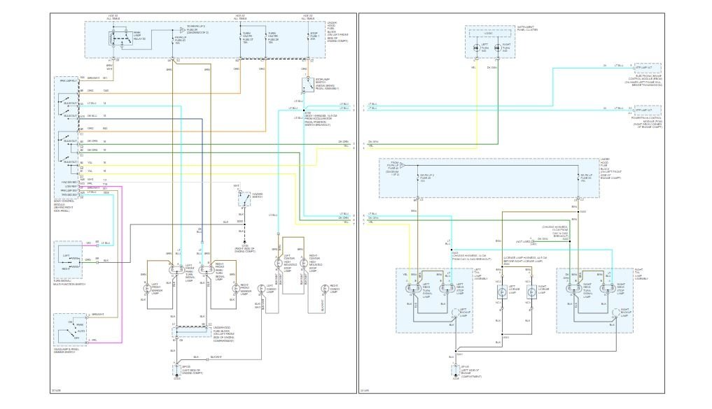
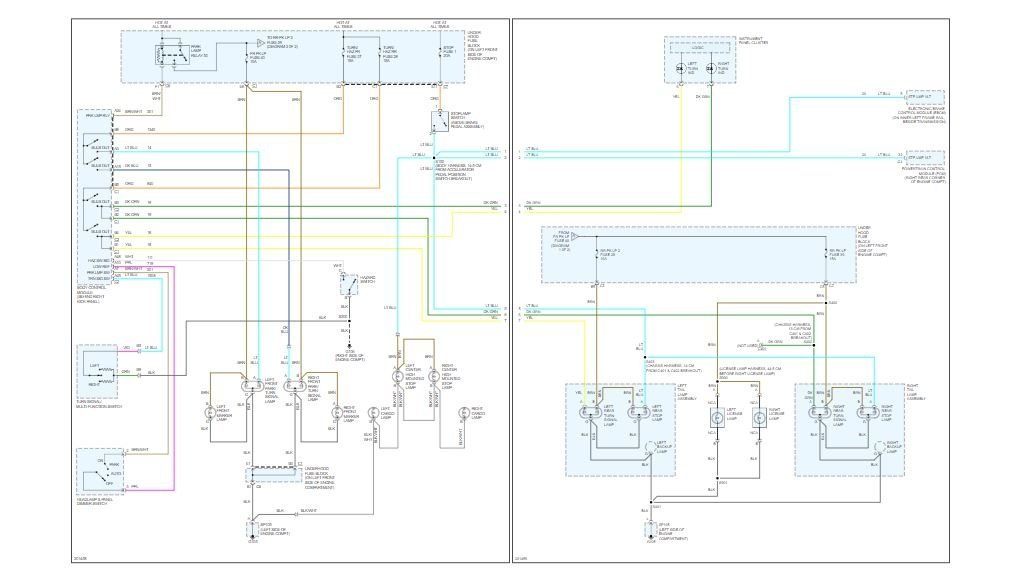
Make sure there is power on both sides of the fuse for the rear lights as in the diagram.

I attached a diagram for you. The power is controlled by both the body control module and the turn signal switch.

Roy
Mar 23, 2019 at 2:14 PM