Dash lights not working

2012 FORD EXPEDITION
122,000 MILES • 5.4L • V8 • 2WD • AUTOMATIC
Avatar
AHMED8806
  • MEMBER
  • 4 POSTS
I have the SUV listed above Limited model. There is a problem when the lights of the drum did not work. Some buttons such as flasher and buttons control wheel and all the fuses were checked all intact, I went to some technicians and I did not find a solution. One of them opened the bulbs and tested them outside the car and found work and forgot to remember that the external mirror bulb that works with the opening of the door also does not work. I do not find a solution, please help me. Thank you
Jan 10, 2019 at 6:56 PM
Advertisement
Avatar
STEVE W.
  • CERTIFIED EXPERT
  • 15,113 POSTS
Welcome to 2CarPros
If you don't mind I have a few questions to narrow down which circuits are or are not working.

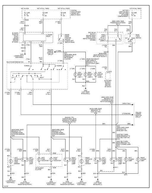
The headlight switch, steering wheel controls, hazard, traction and lift-gate lamps in the first three pictures all share a common power feed but they have two different grounds. To narrow down if it's the ground or power side to check first please answer this question, on the steering wheel controls. Are both sides out, or only the right side that you have pictured? If it has the rear heated seat option, do those switches light up?

If you wanted to check the power and grounds first just pick one of the above lights that is easy to get to. They are fed power on the blue wire with a white stripe. The ground wires for most are black with a white stripe.

Next you show the left "puddle lamp" in the mirror (last image) as not working, does the right hand side work? They share the same power feed but not the same ground.

Jan 11, 2019 at 7:04 PM
Avatar
AHMED8806
  • MEMBER
  • 4 POSTS
Hi Steve,
For the first question, all of them do not work, and the heater control does not work. The light bulbs, all right and left are not working, just find out that the kerosene stick is not working. I will send its picture and where are the wires that I will check? If you send me a video of the way I work for you, thank you
Jan 12, 2019 at 8:42 AM
Advertisement
Avatar
STEVE W.
  • CERTIFIED EXPERT
  • 15,113 POSTS
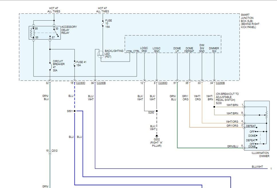
Okay, if none of those work there is one common wire power wire to check and that would be the blue wire with white stripe that comes out of the smart junction box that is behind the right kick panel. So first we can verify that fuse 10 (15A) is good. It feeds that circuit and should have power at all times. It is in that smart box behind the kick panel. The easy test tool for this will be a simple test light. Connect one end to the batter ground and then probe the top tabs of the fuse you should have power at both with the key off or on.

https://www.2carpros.com/articles/how-to-use-a-test-light-circuit-tester

Next you will need to find the blue wire with white stripe in the harness, close to the box is best. Turn the key on and see if you have power when you turn on the headlights and turn up the brightness of the lamps. If you have power there then the wire has broke farther up the harness. More likely you won't have power. That means you need to check the ground black wire with white stripe that will be screwed into the body near the junction box on the A-pillar. These trucks have a bad habit of water intrusion and wires corroding in that area.
Now if you test the ground and it is good plus there is no power on the Blue w/white wire the FET inside the smart junction box has failed and you would need to replace it.
Before that I would replace the dimmer control as it could be open and not activating the SJB to turn on the lamps.
Jan 12, 2019 at 2:45 PM
Avatar
AHMED8806
  • MEMBER
  • 4 POSTS
I went to the car inspection center and the inspection was done and the U2511 code appeared, meaning there is no connection and I will show you the result .
Jan 16, 2019 at 11:51 PM
Avatar
STEVE W.
  • CERTIFIED EXPERT
  • 15,113 POSTS
Those codes look like someone replaced the instrument panel module or possibly the GEM module at one time and didn't program it properly to match your vehicle. That would give you the mismatch code and cause odd problems depending on how it is programmed now vs how it should be programmed. It would be like the module was programmed for an F-150 but you have the Expedition. A good shop can go in and figure out which module has the problem and use the as built information from Ford to reprogram it. Then you can see which problems are still there. Unfortunately that isn't a DIY process.
Jan 17, 2019 at 2:22 PM
Avatar
SANDY715
  • MEMBER
  • 2 POSTS
My radio controls everything worked everything lights up the top row where it would normally say I am FM line and DVD etc. does not light up anymore how do I fix this problem?
Jul 24, 2020 at 10:36 AM (Merged)
Avatar
STRAILER
  • CERTIFIED EXPERT
  • 53,855 POSTS
Hey SANDY715,

This is an LCD screen I believe so the voltage driver for that part went out inside the radio. I will send this onto one of your radio guys to make sure though.

Please let me know what happens so it will help others.

Best, Ken
Jul 24, 2020 at 10:36 AM (Merged)
Avatar
SANDY715
  • MEMBER
  • 2 POSTS
So I took out the cd that comes with the car and reinstalled it and now all buttons are lit
Jul 24, 2020 at 10:36 AM (Merged)
Avatar
STRAILER
  • CERTIFIED EXPERT
  • 53,855 POSTS
Great fix, this will help others.

Please use 2CarPros anytime we are here to help.
Jul 24, 2020 at 10:36 AM (Merged)
Avatar
CARADIODOC
  • CERTIFIED EXPERT
  • 34,308 POSTS
Hi fans. I've ridden in to save the day!

I'm not familiar with this radio model, but I can offer some suggestions. Since all radios now are full of computer controls, they are very susceptible to voltage spikes. It is possible for a circuit in a microprocessor to lock up and stop working. One of those driver circuits is for the brightness of the display, which varies as the dash lights are varied. (We used to do that with a simple and reliable dash rheostat). Another driver circuit runs the back-lighting for the buttons.

When the radio is unplugged, or has no voltage to it, the millions of transistors in the many integrated circuits turn on or off in random states when power is reapplied. Every one of those ICs has a "reset" circuit that sets all of those transistors to their starting points within the first few milliseconds, then its job is done until the radio loses power again, often months or years later. Since those reset circuits operate so infrequently and for such a short amount of time, failures are very rare.

My reason for sharing that wondrous information is to explain what could have happened here. If a voltage spike, or some other glitch, caused a circuit or part of an IC to lock up, it may be necessary for its reset circuit to put everything back to its starting point. In only a few cases that is accomplished by turning off the ignition switch or the radio's power switch. Most of the time those circuits are still powered up by the radio's memory 12 volt circuit. That is the circuit that maintains the station presets and clock memory when the ignition switch is off.

Removing and unplugging the radio, then reconnecting it will cause the reset circuits to do their thing. That will restore the dead function, until the cause of the failure occurs again. Keep in mind there could also simply be a bad solder connection inside the radio, but there wouldn't be much excitement in describing that.

All vehicles generate some voltage spikes, some much worse than others. It is the battery's job to dampen and absorb them, but as they age and the lead flakes off the plates, they lose their ability to do that. If you continue to have this problem, and the battery is fairly old, replace it before looking for more elusive, and possibly non-existent causes.

If voltage spikes is the issue here, there's two things to consider. The first is eliminating the cause of the spikes and the second is to address what is susceptible to them. If the radio has been identified as having common problems associated with voltage spikes, the engineers at Ford will have developed a modification. Every radio returned for repair will have that modification installed. You will receive a replacement that has that modification in it. If the problem can only be solved by some other modification in the vehicle, a service bulletin will be issued to the dealers. Those are very different than a recall notice. Service bulletins simply provide information to mechanics about problems with elusive solutions, so each mechanic doesn't have to go through all the time and trouble finding the cause.

To add another dimension to this sad story, Chrysler had a problem with their '92 Caravans. That was the first year they added a Body Computer to the dash gauges, power windows, and power locks, where a computer was never needed before. About every 5,000 miles those three systems went dead. The van could still be driven, but many owners figured out they could restore the functions by disconnecting the battery for a few seconds. When it was reconnected, the reset circuits in the Body Computer restarted everything working, but that wasn't a real or permanent fix. The fix outlined in the service manual included replacing all of up to a dozen relays with a specific part number. They were built by the supplier without the normal voltage spike suppression diode. Some of those relays were used in the power lock and power window circuits. When turned off, they developed abnormal voltage spikes, AND the Body Computers didn't have sufficient protection built in to ignore those spikes. The second part of the service bulletin specified also replacing the Body Computer. Recalls cover things related to safety or emissions, and once in a while, customer satisfaction. While this wasn't a recall, the manufacturer still usually supplied the parts for that customer satisfaction, and because it was a known design issue. The new relays addressed the cause, and the new Body Computer addressed the susceptibility.

So the bottom line is we don't know what caused the problem with your radio. If this happens again, remove the two radio fuses, then reinstall them, and see if the problem clears up. There is usually one fuse for the radio's power, and a second one for its memory. The memory circuit is always tied into some other circuit that is always live, and is rarely labelled as "radio memory". Most commonly it is tied in with the interior lights, but the horn, cigarette lighter, and even the brake light circuits have been used.

To add to the misery, many radios now have only the memory 12 volts. The radio is turned on by a digital signal from another computer when the ignition switch is turned on. If you can't find an appropriate fuse to remove, you may need to disconnect the battery for a minute. I hate to suggest that because a lot of cars today have computers that are designed to lock up and require a trip to the dealer to be unlocked. A lot of owners get stung by that when simply replacing an old battery. If you do this and you aren't sure what will happen, consider disconnecting the battery while sitting in the dealer's parking lot. That way a tow truck won't be needed. I haven't heard of this problem yet on Ford products, but it's worth mentioning.

The reason pulling fuses is better is if there is a bad solder connection inside the radio, it can be disturbed to the point of working again from the handling of removing it from the dash. Knowing what makes it start working can help in diagnosing the cause of the problem.
Jul 24, 2020 at 10:36 AM (Merged)
Avatar
RONDAYVOO10291969
  • MEMBER
  • 2 POSTS
I was cleaning out my car the other day and the doors were open and the battery went dead and after the door is closed the interior dome lights wouldnt shut off. I jumped the car and got it started charged the battery, and now when the car is off the lights still wont shut off.
Jul 24, 2020 at 10:36 AM (Merged)
Avatar
2CARPRO JACK
  • CERTIFIED EXPERT
  • 11,533 POSTS
Any chance you turned them on manually at the switch while cleaning? Does anything else in the truck act differnet?
Jul 24, 2020 at 10:36 AM (Merged)
Avatar
RONDAYVOO10291969
  • MEMBER
  • 2 POSTS
No they were not bumped on and everything else seems to work fine
Jul 24, 2020 at 10:36 AM (Merged)
Avatar
2CARPRO JACK
  • CERTIFIED EXPERT
  • 11,533 POSTS
If you are sure that they arent turned on, then will they turn off after 10 minutes? There is battery run down protection in your truck.If they dont turn off after 10 you will have to have it put on a scanner to watch all the pin switches and do a circuit test to see what is holding them on
Jul 24, 2020 at 10:36 AM (Merged)
Avatar
GOMARLINS
  • MEMBER
  • 1 POST
My parking lights and dash lights dont come on when i turn switch all fuses under dash are good could there be a blown fuse in battery junction box can you help also when i turn on headlights on they stay on i have to pull the fuse in the junction box so they tun off wwwould you know why.............
Jul 24, 2020 at 10:36 AM (Merged)
Avatar
CJ MEDEVAC
  • CERTIFIED EXPERT
  • 11,004 POSTS


I GRABBED YOU AN

(1) EXTERIOR LAMPS DIAGRAM AND A

(2) INSTRUMENT ILLUMINATION DIAGRAM

THESE ARE FROM "MITCHELL I"

IF YOU NEED OTHERS POSSIBLY RELATED

I NEED TO KNOW IF YOU HAVE "DRL" (DAYLIGHT RUNNING LIGHTS) AND FOG LIGHTS

THE MEDIC
Jul 24, 2020 at 10:36 AM (Merged)
Avatar
JEFF3021
  • MEMBER
  • 1 POST
Just recently I went out to start it and the battery was dead. Usually I have found that before a battery goes dead there are some indicators, slower cranking etc. Anyhow, I recenly discovered (during the evening) that the interior and exterior courtesy lights have been turning on and off at will with out the doors being open or truck turned on. Is this becasue of a short or perhaps a bad door switch? Could my battery really be bad and this some way of the system reacting to lack of proper battery charge? Is the alternator to blame? I have noticed also at night that the lights on occation have dimmed breifly, perhaps a combination of problems? How do I check these issues with basic tools? Thanks In advance.
Jul 24, 2020 at 10:36 AM (Merged)
Avatar
2CARPRO JACK
  • CERTIFIED EXPERT
  • 11,533 POSTS
Use a meter to see what the alt is putting out at the battery and at th ebig wire on the back of alt. Then use the meter to see what kind of voltage you have at the underhood power center.Be sure all connections are clean and tight.This could be a problem with the BCM (body Control Module). If all charging, have the Truck scanned for any codes that might pertain to the BCM.
Jul 24, 2020 at 10:36 AM (Merged)
Avatar
FRANK GALLAVOY
  • MEMBER
  • 7 POSTS
my dash bordlight dont work some time come on but when turn light on dont work
Jul 24, 2020 at 10:37 AM (Merged)
Avatar
JACOBANDNICKOLAS
  • CERTIFIED EXPERT
  • 110,175 POSTS
Hi:
Chances are the switch is going bad. remove it and have it tested at a parts store. If that is good, make sure all connections are good under the dash. If all fails, have the body control module tested.
Jul 24, 2020 at 10:37 AM (Merged)
Avatar
WAYNE3278
  • MEMBER
  • 1 POST
Electrical problem
1999 Ford Expedition V8 Four Wheel Drive Automatic

my expedition wont start it just clicks when you turn the key.i check the battery its good when you turn on the fogs lights the dash light flicker and the wipers are comeing on with out turning them on
Jul 24, 2020 at 10:37 AM (Merged)
Avatar
JACOBANDNICKOLAS
  • CERTIFIED EXPERT
  • 110,175 POSTS
If I had to guess, I would say you have a bad ground or the battery terminals are dirty or loose. Remove the terminals, clean them and make sure they are tight when you replace them. Also, make sure the groung to the engine block is clean and tight too.

LEt me know what you find.

Joe
Jul 24, 2020 at 10:37 AM (Merged)
Avatar
JACOBANDNICKOLAS
  • CERTIFIED EXPERT
  • 110,175 POSTS
I'm glad you got it fixed. Have a great holiday, thanks for using 2carpros.com, and let us know if you have questions in the future.

Joe
Jul 24, 2020 at 10:37 AM (Merged)