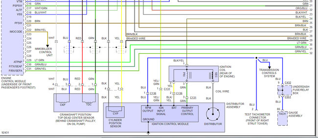
I bought the car it needed an alternator so I replaced the alternator. went to go start it didn’t fire. checked spark, sparks twice then stops. change the cap and rotor. Still nothing. then I changed the distributor and same thing. changed my coil and still the same thing.I don’t know what to do.
Feb 27, 2019 at 5:56 PM










