KaseKenny1 previously replied: "More then likely you have a short to ground on one of your CAN bus wires or battery feed to one of the modules." I agree. I live out in the sticks and had to had a back probe kit delivered. We then had a blizzard here, followed by my final exams, and I had to stop working on it. Now I'm back, the snow is gone, and it's time for me to get back on it.
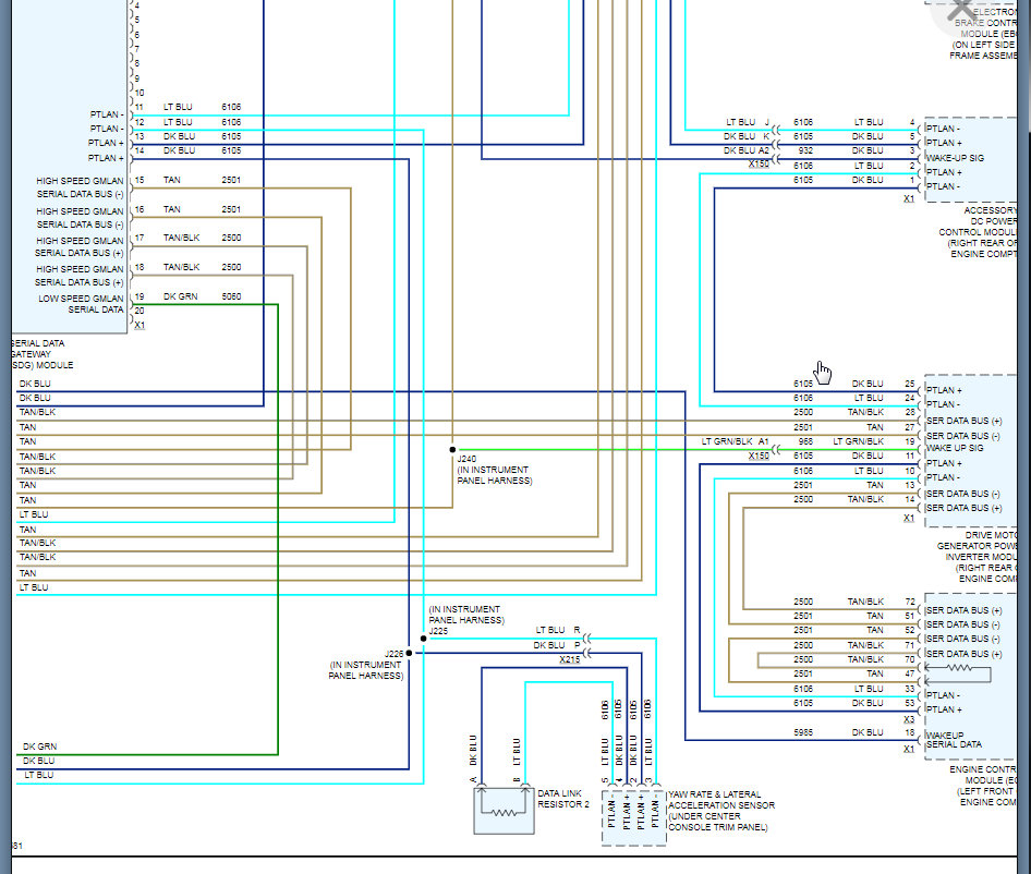
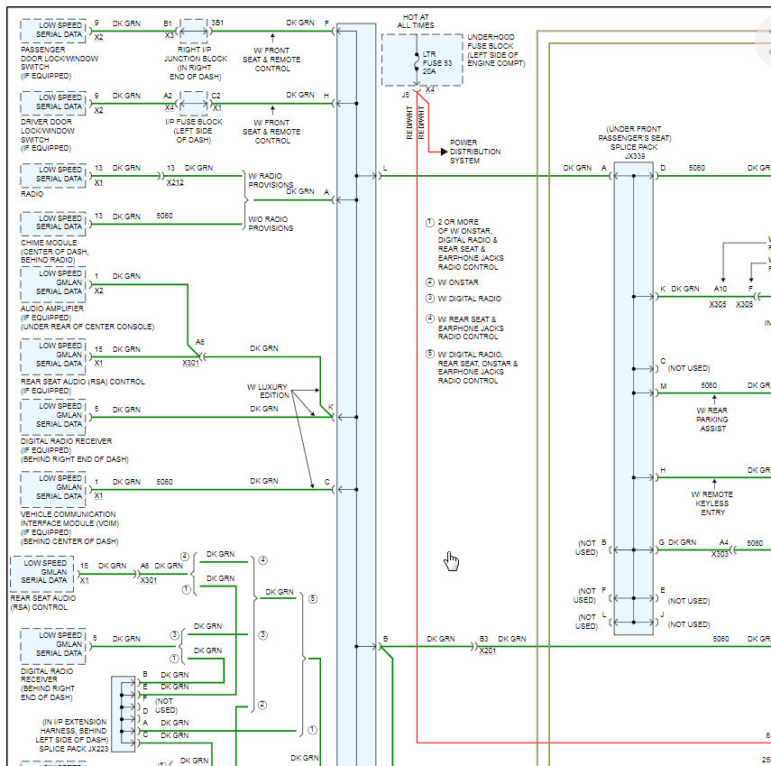
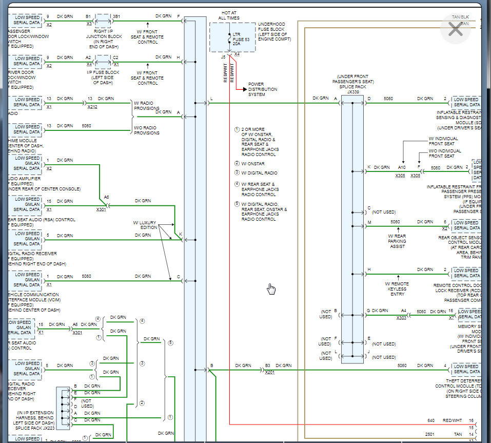
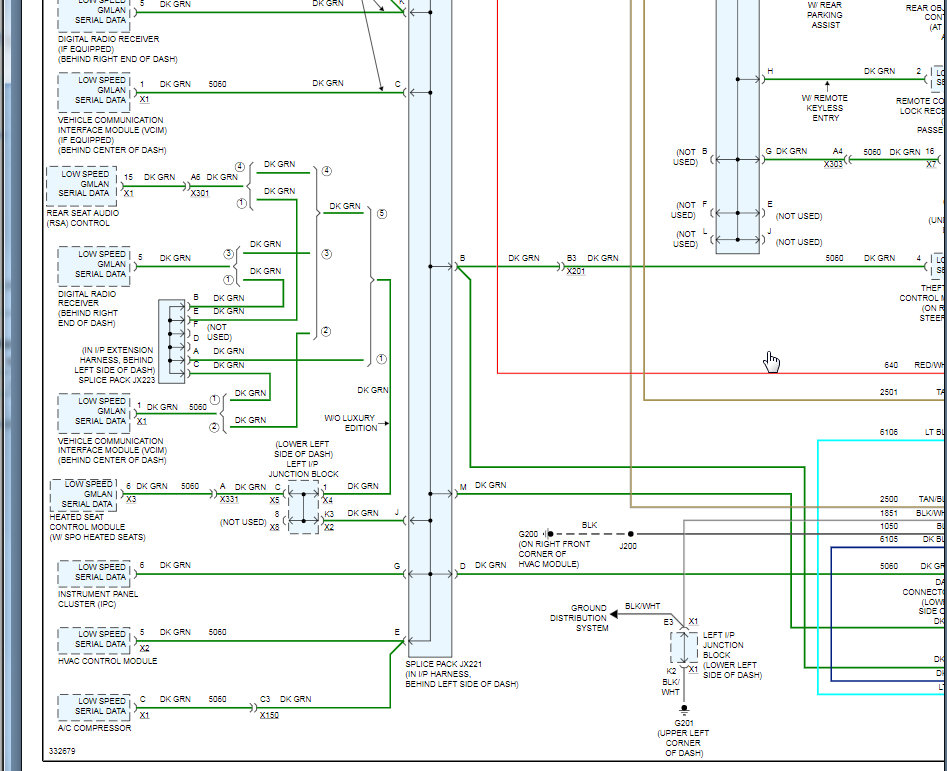
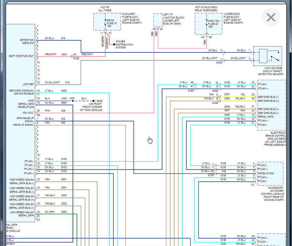
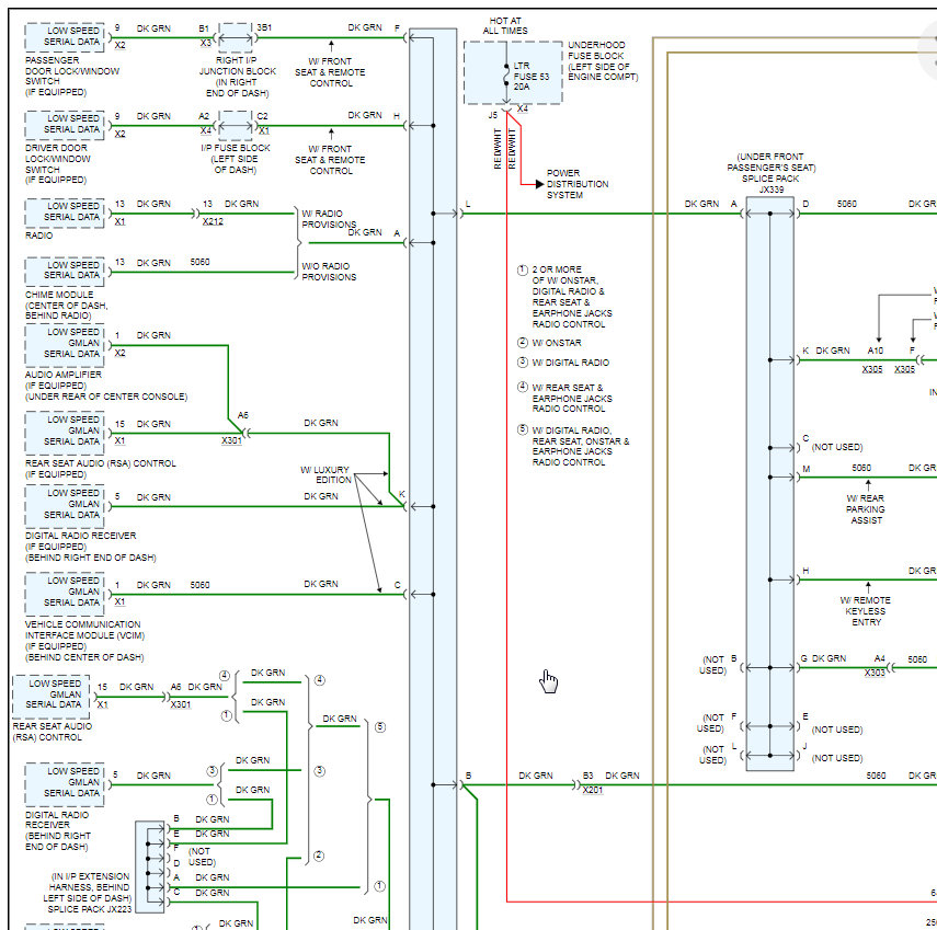
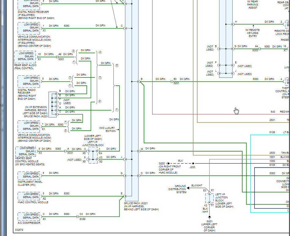
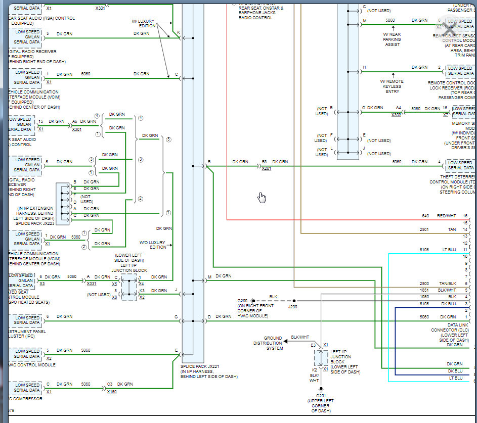
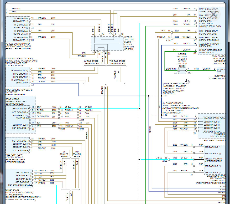
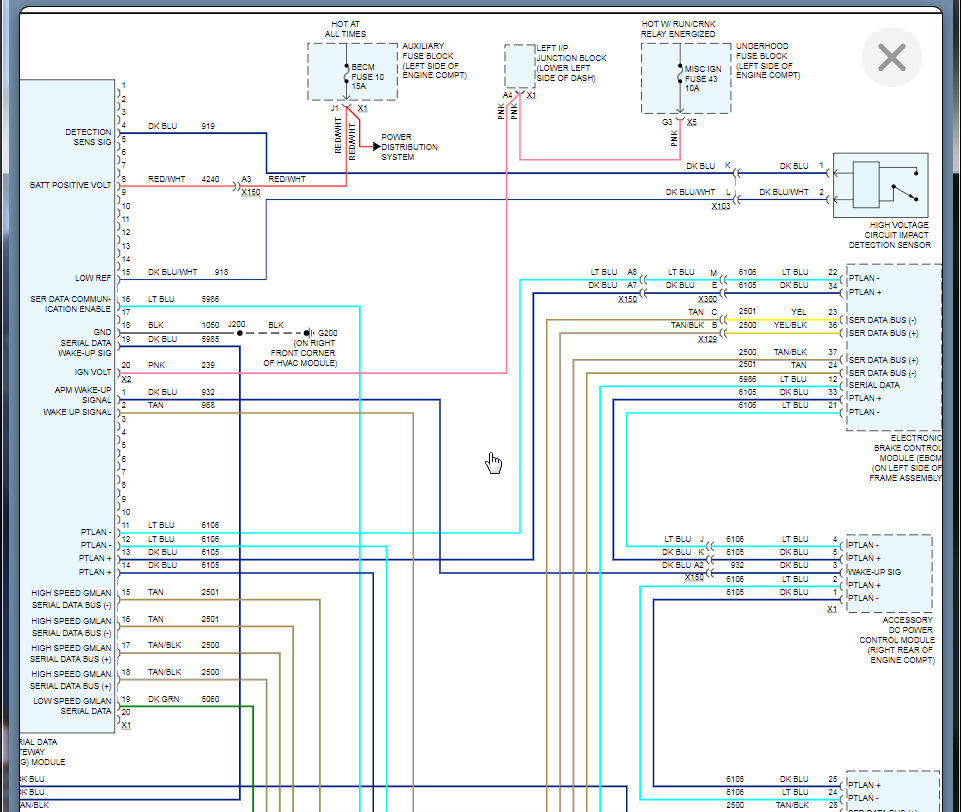
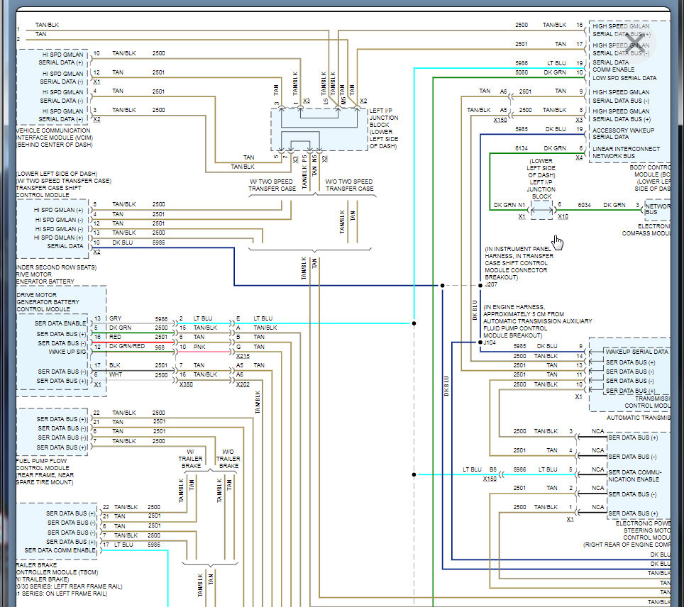
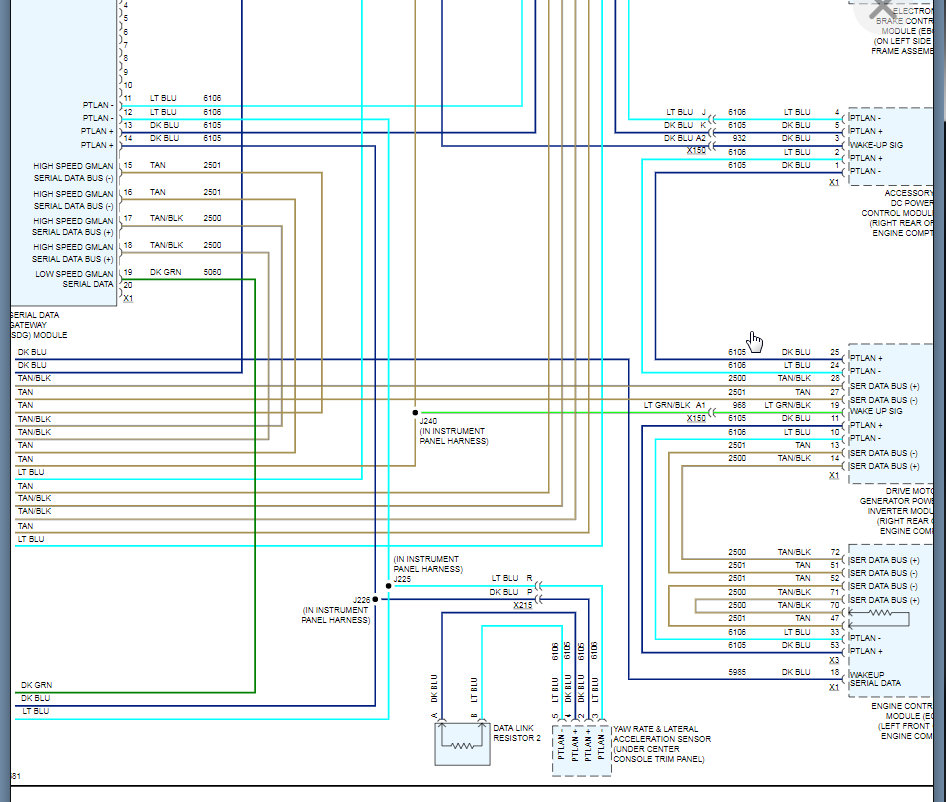
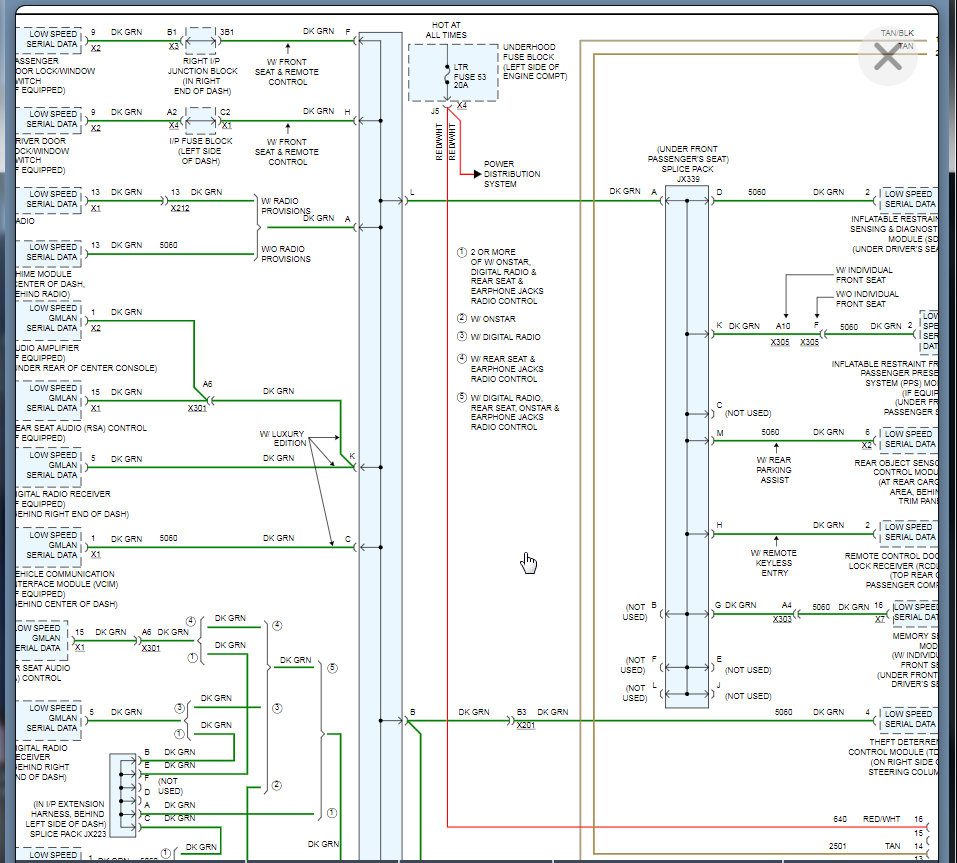
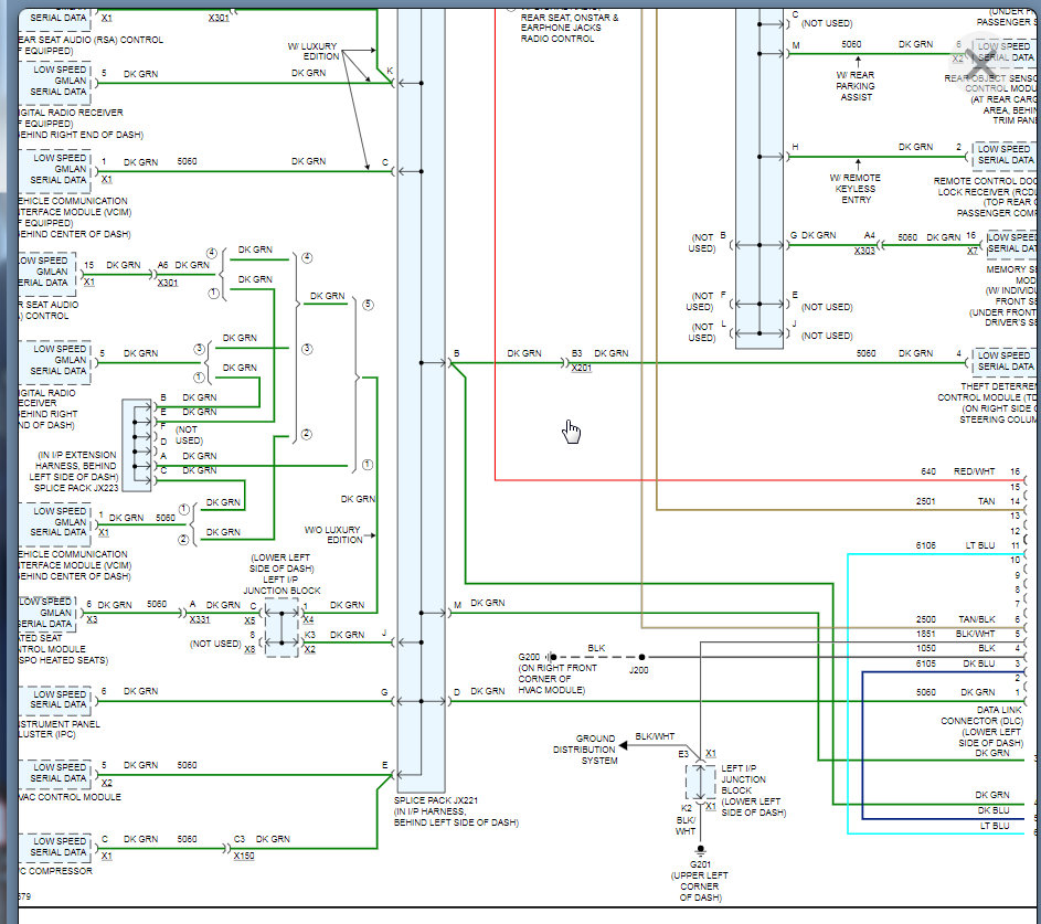
Do you have CAN bus wiring diagrams? I'm getting codes indicating communication loss for ECM, TCM, and others, so I need the high-speed circuit showing the various modules. KaseKenny1 already sent the low speed circuit diagrams.
The DLC voltages were fine. The code is intermittent. ABS code comes on too. The previous owner installed a SnowDog plow and there are some wires under the dash not connected to anything. A wiring diagram would be greatly appreciated.
May 2, 2021 at 5:24 PM
(Merged)