I have so many questions, I acquired a Mobile Traveler Class C Motorhome with a Ford Econoline 350, beautiful in and out. but,
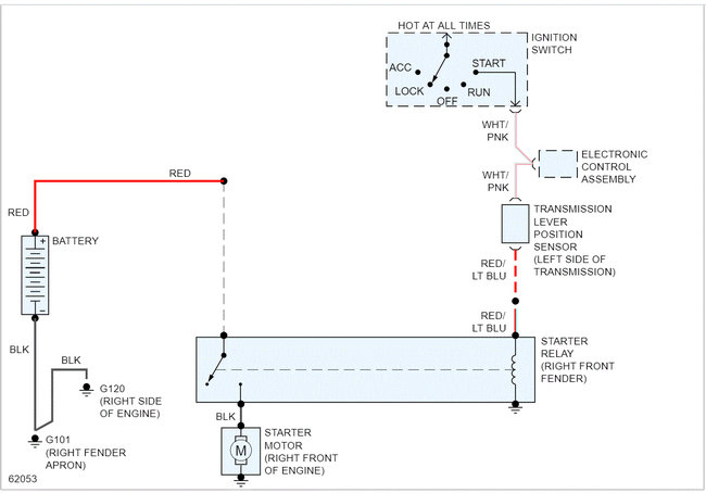
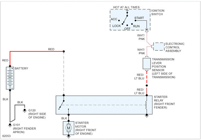
it has two starter solenoids (why? and how do they work?) and there’s two transistor relays on the firewall with two terminals on each, I don’t know what they are for, I’ve seen one on cars but never two (why would there be two?).
okay, but my issues are with it starting, because it wont!
When I got it home, out of curiosity, I cranked it over and it sounded like it wanted to start but didn’t. It was full of stale gas, so I disconnected the fuel pump so no gas would get to the engine, and I poured good gas directly into the throttle body and cranked it over but this time it didn't even try to start.
Could the stale gas have put a coating on the plugs to hinder their spark?
What might be going on here?
And does anybody know where I can find a free download of a manual for this beast.
it has two starter solenoids (why? and how do they work?) and there’s two transistor relays on the firewall with two terminals on each, I don’t know what they are for, I’ve seen one on cars but never two (why would there be two?).
okay, but my issues are with it starting, because it wont!
When I got it home, out of curiosity, I cranked it over and it sounded like it wanted to start but didn’t. It was full of stale gas, so I disconnected the fuel pump so no gas would get to the engine, and I poured good gas directly into the throttle body and cranked it over but this time it didn't even try to start.
Could the stale gas have put a coating on the plugs to hinder their spark?
What might be going on here?
And does anybody know where I can find a free download of a manual for this beast.
Oct 15, 2020 at 6:36 PM
