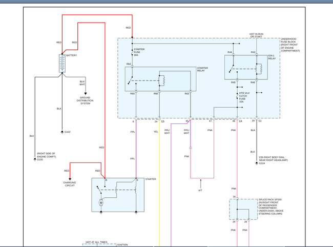
Need jump start car cause I have wire rusted broke off starter terminal. Have to get started to pick up money to a buy new one. but I it's the only vehicle I have and need get started one more time as is o he new one.touch screw driver if I'm one of terminals to then at same time touch starter but what terminal and where on starter.
Also the terminal is moving so how keep still so get inside connect or what?
Please help.
Thanks very much
Also, I have power but battery definitely not fully charged, but should I try it with screwdriver while cables are hooked up charging? enduring battery is from trying to start it for the screwdriver but I guess on the right place.
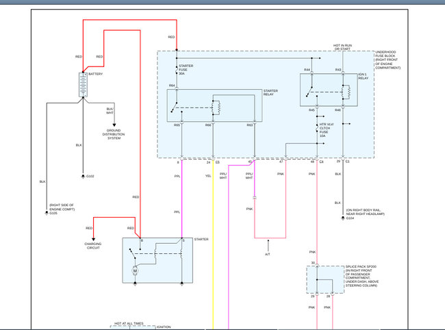
Also the terminal is moving so how keep still so get inside connect or what?
Please help.
Thanks very much
Also, I have power but battery definitely not fully charged, but should I try it with screwdriver while cables are hooked up charging? enduring battery is from trying to start it for the screwdriver but I guess on the right place.
Jan 12, 2020 at 10:10 PM






