Starter removal issue

2008 CHEVROLET TRAILBLAZER
217,000 MILES • 4.2L • 2WD • AUTOMATIC
Avatar
JAMES BOWDEN
  • MEMBER
  • 4 POSTS
So I need a new starter. Have been trying to remove the old one. All bolts and electrical connections are disconnected. Started moves but will not come out of housing.
Aug 12, 2020 at 11:28 AM
Advertisement
Avatar
ASEMASTER6371
  • CERTIFIED EXPERT
  • 52,796 POSTS
Good afternoon,

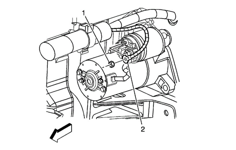
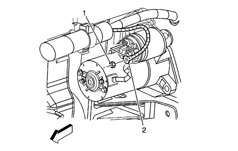
You have 2 mounting bolts and 2 electrical connections.

If you removed them, the starter should come back and out. It may be stuck in the housing.

https://www.2carpros.com/articles/how-to-replace-a-starter-motor

I attached some pictures for you.

Roy
Aug 12, 2020 at 11:37 AM
Avatar
JAMES BOWDEN
  • MEMBER
  • 4 POSTS
I have removed those. It is stuck in the housing any tips on getting it out from the housing? I'm getting some movement but it will not come out.
Aug 12, 2020 at 11:39 AM
Advertisement
Avatar
ASEMASTER6371
  • CERTIFIED EXPERT
  • 52,796 POSTS
I would rock it up and down and side to side. There is a small lip on the nose that centers the starter and that may be preventing from coming out.

Also, use a screw driver to help it out as well.

Roy
Aug 12, 2020 at 11:43 AM
Avatar
JAMES BOWDEN
  • MEMBER
  • 4 POSTS
I will give it a try I'll let you know how it goes.
Aug 12, 2020 at 11:45 AM
Avatar
ASEMASTER6371
  • CERTIFIED EXPERT
  • 52,796 POSTS
Sounds like a plan.

Roy
Aug 12, 2020 at 11:48 AM
Avatar
JAMES BOWDEN
  • MEMBER
  • 4 POSTS
No real progress made. Will attempt again later. It's hot, lol. Any other tips in the mean time would be greatly appreciated.
Aug 12, 2020 at 12:09 PM
Avatar
ASEMASTER6371
  • CERTIFIED EXPERT
  • 52,796 POSTS
Just using a screw drive between the block and the starter to get it released.

Roy
Aug 12, 2020 at 12:17 PM