starter relay location needed

2003 BMW 745
69,000 MILES • V8 • 2WD • AUTOMATIC
Avatar
ROBSTER62
  • MEMBER
  • 5 POSTS
where is the starter relay located?
Jun 1, 2021 at 3:59 PM
Advertisement
Avatar
KASEKENNY
  • CERTIFIED EXPERT
  • 18,907 POSTS
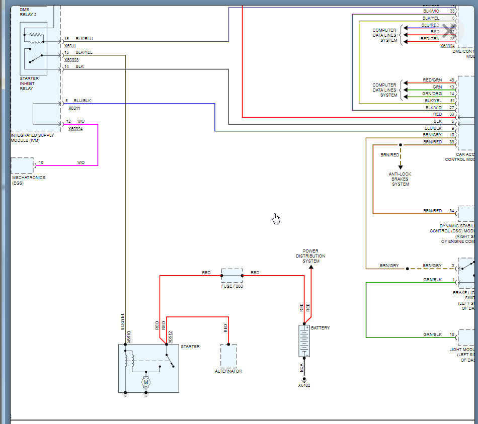
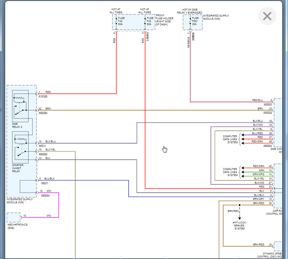
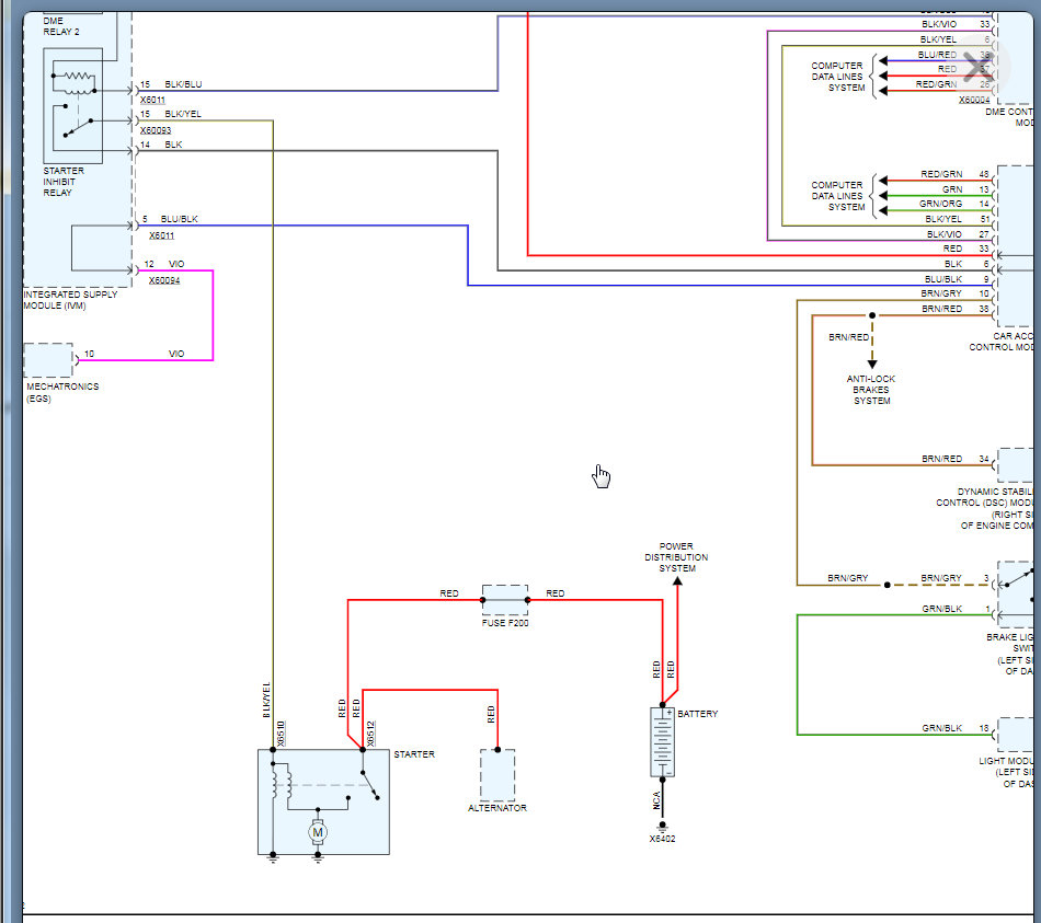
You do not have a traditional relay. These relays are part of the integrated voltage supply module and are not replaceable. As you will see it says below that these relays are integral which means they are not replaceable.

Take a look at the info below and let us know if you have other questions on this. Thanks
Jun 1, 2021 at 5:29 PM