Now the engine cranks but does not start?

2003 LEXUS ES 300
16,700 MILES • 6 CYL
Avatar
RICK87121
  • MEMBER
  • 2 POSTS
Had a bad starter replaced it but I tried to take off the relay and broke the top casing. Now the car cranks but doesn't start. I bypassed relay now cranks and no start. Also check engine light does not come on and windows doesn't work. Did I ruin my relay and is it multi-functional?
Sep 6, 2022 at 11:40 AM
Advertisement
Avatar
STRAILER
  • CERTIFIED EXPERT
  • 53,855 POSTS
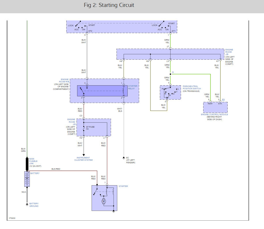
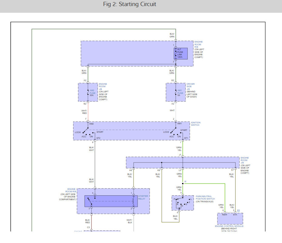
There are two fuses associated with the starter system that need to be checked, the first is AM2 30 amp in the under-hood relay fuse panel and the other is AM1 5-amp fuse in the left side of the dash fuse panel.

Here is a guide to help and thew starter wiring diagrams so you can see how the system works:

https://www.2carpros.com/articles/how-to-check-a-car-fuse

Check out the diagrams (below). Please let us know what you find. We are interested to see what it is.
Sep 6, 2022 at 6:11 PM
Avatar
RICK87121
  • MEMBER
  • 2 POSTS
I have changed the blown fuse for the starting system, but it is still cranking and not starting. Before the starter went out, I didn't have any issues. It always started on the first try. Any ideas?
Sep 8, 2022 at 1:40 PM
Advertisement
Avatar
STRAILER
  • CERTIFIED EXPERT
  • 53,855 POSTS
Will the engine run if you use starting fluid? Can you hear the fuel pump run in the tank for about 5 seconds if you turn the key on but don't crank the engine over?

This guide can help:

https://www.2carpros.com/articles/car-not-running-advanced

Please go over this guide and report back.
Sep 9, 2022 at 5:31 PM