Starter replacement

2007 CHEVROLET EQUINOX
2.4L • 2WD • AUTOMATIC
Avatar
STORMY S. D. CHANDLER
  • MEMBER
  • 1 POST
I have to replace my starter. I bought a refurbished starter. I was able to take out the old one and my old starter normally is one you plug in. Well the new one doesn't plug in the shop that I bought it from said I would have to crimp the wire onto the new starter giving a longer life. But I'm concerned on if this is safe and if so how do I go about doing so?
Jun 13, 2020 at 9:26 PM
Advertisement
Avatar
JACOBANDNICKOLAS
  • CERTIFIED EXPERT
  • 110,175 POSTS
Hi,

Sorry I have absolutely no idea what they are talking about. You can't crimp wires on the starter.

Do me a favor. I am attaching the directions for removal and replacement for your vehicle.It shows wire connectors. I need to know if that is what you have. Also, send a pic of both the old and new starter so I can see exactly what you are dealing with.

The attached pics correlate with the directions.

__________________________________________________________

2007 Chevy Truck Equinox FWD V6-3.4L
Starter Motor Replacement
Vehicle Starting and Charging Starting System Starter Motor Service and Repair Removal and Replacement Starter Motor Replacement
STARTER MOTOR REPLACEMENT
Starter Motor Replacement

Removal Procedure

1. Disconnect the battery negative cable from the battery.
2. Raise and suitably support the vehicle. Refer to Vehicle Lifting.


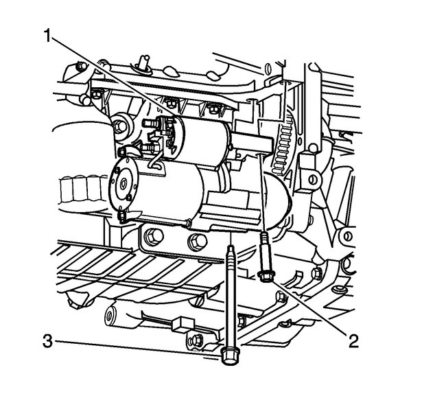
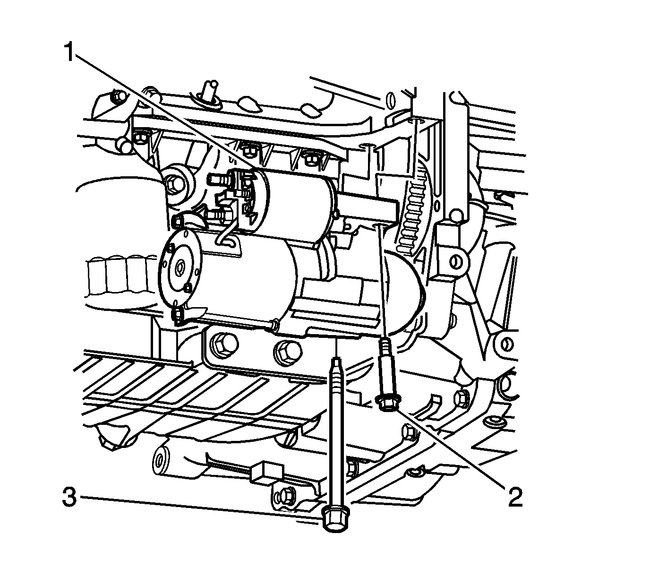
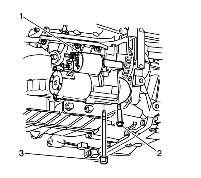
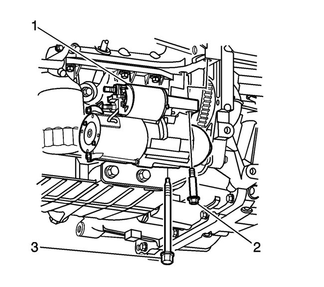
pic 1

3. Remove the starter motor solenoid positive terminal nut and electrical wires.
4. Remove the starter motor solenoid S terminal nut and electrical wire.


pic 2

5. Remove the torque converter cover bolt (2).
6. Remove the torque converter cover (1).


pic 3

7. Remove the starter motor bolts (2, 3).
8. Remove the starter motor (1).

Installation Procedure


pic 4

1. Install the starter motor (1).

Notice: Refer to Fastener Notice.

2. Install the starter motor bolts (2, 3).

Tighten the starter motor bolts to 43 N.m (32 lb ft).


pic 5

3. Install the torque converter cover (1).
4. Install the torque converter cover bolt (2).

Tighten the bolt to 8 N.m (71 lb in).


pic 6

5. Install the starter motor solenoid S terminal electrical wire and nut.

Tighten the solenoid S terminal nut to 3 N.m (27 lb in).

6. Install the starter motor solenoid positive terminal electrical wires and nut.

Tighten the solenoid positive terminal nut to 10 N.m (89 lb in).

7. Lower the vehicle.
8. Install the battery negative cable to the battery.


___________________________________

Let me know.
Joe
Jun 13, 2020 at 9:40 PM
Avatar
STEVE W.
  • CERTIFIED EXPERT
  • 15,116 POSTS
If it's what I remember they used two different connections for the solenoid control wire, one is the original style that used two studs and nuts as shown in service info but they also have a newer design with a single plug in connection like in the image below. If you get the replacement that uses the stud and nut in place of the single pin you need to cut off the plug and replace it with a crimped on ring terminal to use that starter design. Both types are out in parts stores.
This is the process if you use a cheaper connector. Personally it is not the method or connector style I would use on a starter connector that is exposed to the elements.
https://www.youtube.com/watch?v=MhEjz32aEdE
This one shows the process a bit better toward the end of the video except I like to use heat shrink tubing that has a sealant in it to protect the wiring better.
https://www.youtube.com/watch?v=kjSGCSwNuAg

You can also buy ring terminals that have a heat shrink sleeve with sealer in them, but those can be difficult to crimp if you don't have the correct tool and if you damage the heat shrink while crimping you end up cutting it off and doing it again.

Jun 14, 2020 at 12:59 AM
Advertisement