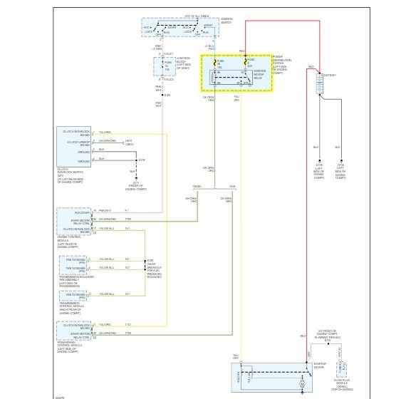
Hi,
Eventually it will start. I can hear the relay click with a stethoscope and the "click" is the starter arm engaging. Does this mean the starter motor is bad and needs replacement?
Battery, alternator and starter tested good at Advance Auto.
Eventually it will start. I can hear the relay click with a stethoscope and the "click" is the starter arm engaging. Does this mean the starter motor is bad and needs replacement?
Battery, alternator and starter tested good at Advance Auto.
Aug 8, 2019 at 12:18 PM







