My engine will not crank over why?

2008 FORD RANGER
200,000 MILES • 4 CYL • 2WD • MANUAL
Avatar
PATTY SAINT
  • MEMBER
  • 4 POSTS
truck will start if pushed however will not start with the key. battery is fully charged. starter was changed and did not resolve the issue.
Dec 21, 2019 at 10:37 AM
Advertisement
Avatar
ASEMASTER6371
  • CERTIFIED EXPERT
  • 52,796 POSTS
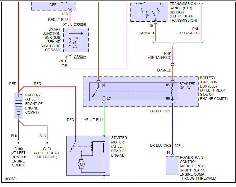
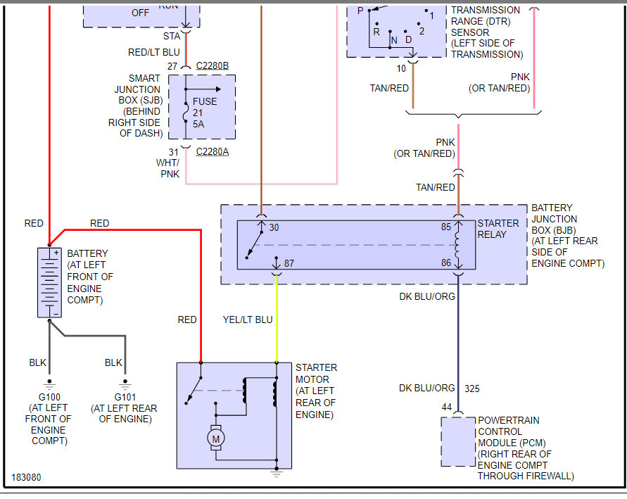
Good afternoon,

Do you have a test light to do some testing? I have attached a wiring diagram for you to view and we need to do some checks to see where the failure is located. This guide can help us fix it

https://www.2carpros.com/articles/starter-not-working-repair

Please run down this guide and report back.
Dec 21, 2019 at 10:48 AM
Avatar
PATTY SAINT
  • MEMBER
  • 4 POSTS
clutch safety switch had a loose wire and fuses needed to be replaced. Thank you for your time. Merry Christmas.
Dec 23, 2019 at 6:10 PM
Advertisement
Avatar
ASEMASTER6371
  • CERTIFIED EXPERT
  • 52,796 POSTS
You are welcome.

Always glad to help.

Roy
Dec 23, 2019 at 6:12 PM
Avatar
TREADIN
  • MEMBER
  • 1 POST
Hey I own a 2007 ford ranger 2.3 liter with a 5 speed manual, it started last October and I took it to a Ford Fact lab and they recommended a new battery. I put a new battery in it and it worked just fine for a few months but now it will not start. Whenever I am driving my tach, speedometer, and coolant gauge all quit working. My odometer will read ----- and wont tell me my miles. If I shut it off in this condition it will not start the security light just flashes, and the truck will not crank. Help please.
Mar 8, 2021 at 1:17 PM (Merged)
Avatar
HMAC300
  • CERTIFIED EXPERT
  • 48,601 POSTS
This sounds like the starter is having problems or the battery needs to be load tested these guides can help us fix it.

https://www.2carpros.com/articles/starter-not-working-repair

and

https://www.2carpros.com/articles/car-battery-load-test

Please run down these guides and report back.
Mar 8, 2021 at 1:17 PM (Merged)
Avatar
DARRON SKINNER
  • MEMBER
  • 3 POSTS
Moved truck to cut grass & when I went to move back it was dead. No lights or anything electric. The only noise is a clicking in the fuse panel under dash board, that is semi continual like a blinker. This noise starts & stops on its own regardless if the keys or you are in truck.

No fuses are blown & the (Pos Bat Terminal) goes to ground. I have the Bat leads disconnected & can find no place where a wire is shorted & bare against frame or ground?

The Bat is disconnected & reads over 10 volts & a Bat charger reads fully charged.

Mar 8, 2021 at 1:17 PM (Merged)
Avatar
WRENCHTECH
  • CERTIFIED EXPERT
  • 20,761 POSTS
Hello,

it sounds like you may have a weak battery here are two guides to help us find the problem

https://www.2carpros.com/articles/starter-not-working-repair


and

https://www.2carpros.com/articles/car-battery-load-test

Please run down these guides and report back.


Mar 8, 2021 at 1:17 PM (Merged)
Avatar
DARRON SKINNER
  • MEMBER
  • 3 POSTS
Yes!
The Bat is disconnected & reads over 10 volts & a Bat charger reads fully charged.
(Pos Bat Terminal) goes to ground with just neg Bat lead connected. The Pos Bat Lead goes to ground even when it is disconnected.
I have the Bat leads disconnected & can find no place where a wire is shorted & bare against frame or ground?
Mar 8, 2021 at 1:17 PM (Merged)
Avatar
WRENCHTECH
  • CERTIFIED EXPERT
  • 20,761 POSTS
10volts is not a good battery. You need to recharge it and have it tested and i don't mean just read the voltage.
Mar 8, 2021 at 1:17 PM (Merged)
Avatar
DARRON SKINNER
  • MEMBER
  • 3 POSTS
OK Thanks!
That will be my next move.
Mar 8, 2021 at 1:17 PM (Merged)
Avatar
JH100216
  • MEMBER
  • 1 POST
Opened cab door first thing this morning and heard clicking sound. Tried to start truck but nothing happened. Tried jumping but still would not start. Verified the lights work for headlights, brakes, and emergency flashers, but turn signals do not work. Could this be electrical issue or could starter could clicking noise even if no key in the ignition?
Mar 8, 2021 at 1:18 PM (Merged)
Avatar
STRAILER
  • CERTIFIED EXPERT
  • 53,855 POSTS
Hello,

This sounds like is a classic battery dead problem, here is a test you can do to determine if it is the battery or not.

https://www.2carpros.com/articles/car-battery-dead-overnight

Please let us know what you find so it will help others.

Best, Ken

Mar 8, 2021 at 1:18 PM (Merged)
Avatar
POSVIBRTN
  • MEMBER
  • 1 POST
My motor only turns a quarter turn before it comes to a dead stop when we try and start it. Back it off and it will do the same thing again. What does this sound like?
Mar 8, 2021 at 1:18 PM (Merged)
Avatar
OBXAUTOMEDIC
  • CERTIFIED EXPERT
  • 3,711 POSTS
Hello,

Sounds like either a Battery or Starter Problem.

This sounds like the starter is having problems or the battery needs to be load tested these guides can help us fix it.

https://www.2carpros.com/articles/starter-not-working-repair

and

https://www.2carpros.com/articles/car-battery-load-test

Please run down these guides and report back.

Also when attempting to start at any point does it start clicking? If not most likely it is the starter. Would need to remove and take to parts store for testing.


.
Mar 8, 2021 at 1:18 PM (Merged)
Avatar
JUSTIN STUDDARD
  • MEMBER
  • 49 POSTS
Truck won't start sometimes, it will click once but most of the time it doesn't do anything. Ran perfectly fine all day and then went to go start and nothing. It has happened once before and I wiggled the smaller wires on the positive and negative cable and it started so when I bought a new battery 6 months ago I replace the cables and connectors on smaller wires thinking maybe it was a connection problem. I tried wiggling the wires today and could only get it to click once. Any suggestions on how to narrow this down? I have power. Headlights come on radio runs but when I turn to the on position you can hear it cut out sometimes on all the chiming it does on the on position. Would it be best to have the starter bench checked or replace the wiring? I don't think it's the starter I think it's just a bad or loose connection but I'm not sure where to start.
Mar 8, 2021 at 1:18 PM (Merged)
Avatar
DANNY L
  • CERTIFIED EXPERT
  • 5,648 POSTS
Hello, I'm Danny.

It sounds like you might be having an issue with the starter motor-starter solenoid. Most auto parts stores will test for free. Here are a few tutorials for you to view on symptoms and replacement for a starter motor assembly:

https://www.2carpros.com/articles/how-a-starter-and-solenoid-works

https://www.2carpros.com/articles/starter-not-working-repair

https://www.2carpros.com/articles/how-to-replace-a-starter-motor

After having tested just back to us with the results and we'll go from there. Hope this helps and thanks for using 2CarPros.
Mar 8, 2021 at 1:18 PM (Merged)
Avatar
KAPTAIN
  • MEMBER
  • 1 POST
Clicks but does not start. Battery tests good. Whats wrong?
Mar 8, 2021 at 1:18 PM (Merged)
Avatar
RENAUDTN
  • CERTIFIED EXPERT
  • 636 POSTS
You could have a loose/corroded battery cable, or the battery may be weak. I know you said it tested good, but did you get it tested at an autopart store?
You could also have a bad starter, or maybe a bad solenoid. This sounds like the starter is having problems or the battery needs to be load tested these guides can help us fix it.

https://www.2carpros.com/articles/starter-not-working-repair

and

https://www.2carpros.com/articles/car-battery-load-test

Please run down these guides and report back.Do you have voltage at the starter when attempting to crank the car? If so, what do you get? (if voltage too low, it won't even engage the starter).
If you don't have voltage at the starter, try to connect the starter directly to the battery. If the starter spin, you could have a bad solenoid.
If the starter doesn't do anything, it's probably bad and you need to replace it (take your starter to a store and have it tested to confirm).
Mar 8, 2021 at 1:18 PM (Merged)
Avatar
LEVANDOSKY
  • MEMBER
  • 1 POST
Truck was working fine before frame was replaced. Now when I turn the key the speedometer shows my speed as 120 mph, the truck stays in park. Fuel pump won't stop working. Nothing else works. Lights won't come on.
Mar 8, 2021 at 1:18 PM (Merged)
Avatar
SCGRANTURISMO
  • CERTIFIED EXPERT
  • 4,897 POSTS
Hello,

This sounds like you have a failing ignition switch with a short to power going on somewhere. It could also be in the wiring coming from the ignition switch as well. In the diagrams down below I have a factory troubleshooting guide for the ignition switch, wiring diagrams, and an exploded diagram of the ignition switch and associated wiring.
Please go through them and get back to us with what you find out.

Thanks,
Alex
2CarPros
Mar 8, 2021 at 1:18 PM (Merged)
Avatar
BMDOUBLE
  • CERTIFIED EXPERT
  • 1,139 POSTS
Make sure that all ground connections are clean and tight. A bad ground can cause some crazy symptoms because the electrical circuit will find it's own ground path if the correct ground is not good.
Mar 8, 2021 at 1:18 PM (Merged)
Avatar
  • MEMBER
  • 15 POSTS
No start, Is 6.5 volts at switch key on correct?
Mar 8, 2021 at 1:18 PM (Merged)
Avatar
ASEMASTER6371
  • CERTIFIED EXPERT
  • 52,796 POSTS
Good evening,

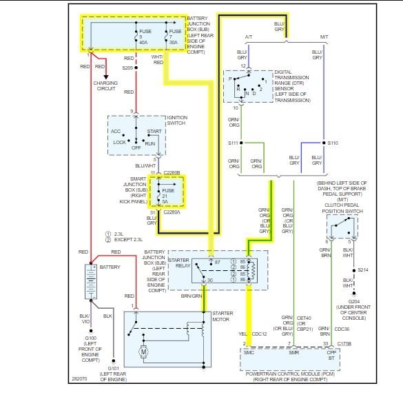
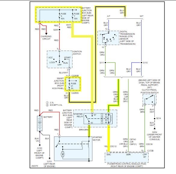
No, you need battery voltage. You should have battery voltage for 2 seconds. Then it will disappear. When you crank the engine, it will go to a full battery voltage.

The power to the switch comes from the fuel pump relay. I attached a diagram of the system for you. I made it in 2 pieces so you will be able to view it.



Roy
Mar 8, 2021 at 1:18 PM (Merged)
Avatar
  • MEMBER
  • 15 POSTS
Thanks for quick reply. do you have diagram of relay location related to numbers on fuse cover,the black ones or smaller white?
Mar 8, 2021 at 1:18 PM (Merged)
Avatar
ASEMASTER6371
  • CERTIFIED EXPERT
  • 52,796 POSTS
I attached the location for you.

https://www.2carpros.com/articles/how-to-check-an-electrical-relay-and-wiring-control-circuit

Roy
Mar 8, 2021 at 1:18 PM (Merged)
Avatar
  • MEMBER
  • 15 POSTS
My fuse cover lid dose not match your diagram all relays show 45a 45b up to up to56a-b .2004 Ford Ranger . 3.0l
Mar 8, 2021 at 1:18 PM (Merged)
Avatar
ASEMASTER6371
  • CERTIFIED EXPERT
  • 52,796 POSTS
Just check the location position in the fuse block.

Roy
Mar 8, 2021 at 1:18 PM (Merged)
Avatar
  • MEMBER
  • 15 POSTS
It does not match.
Mar 8, 2021 at 1:18 PM (Merged)
Avatar
ASEMASTER6371
  • CERTIFIED EXPERT
  • 52,796 POSTS
It is the only one listed. The diagram is upside down.

Roy
Mar 8, 2021 at 1:18 PM (Merged)
Avatar
RALPH BORELLI
  • MEMBER
  • 1 POST
The starter will not engage the flywheel, unless truck is in gear clutch not pressed. If clutch is pressed or truck in neutral the starter spins but does not engage flywheel.
Mar 8, 2021 at 1:18 PM (Merged)
Avatar
SCGRANTURISMO
  • CERTIFIED EXPERT
  • 4,897 POSTS
Hello,

This sounds like the Bendix gear in your starter might be going bad. The Bendix gear is the part of the starter that comes out to mesh with the flywheel and start turning the engine. I have included some links below.

https://www.2carpros.com/articles/how-a-starter-and-solenoid-works
https://www.2carpros.com/articles/starter-not-working-repair
https://www.2carpros.com/articles/how-to-replace-a-starter-motor

Please go through the guides above and I have included more diagrams in the diagrams below.

Thanks,
Alex
2CarPros
Mar 8, 2021 at 1:18 PM (Merged)