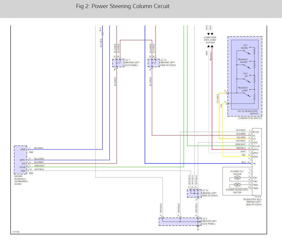
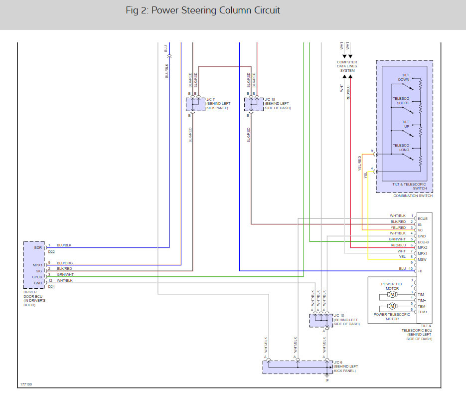
I have the car listed above Athlete, with an electronic knob for adjusting the steering wheel. The up and down movement is however not working and I was wondering if there is a manual way to adjust the steering wheel?
Apr 7, 2019 at 11:57 AM

