Stereo wiring diagram

2016 KIA OPTIMA
66,200 MILES • 2.0L • 4 CYL • TURBO • 2WD • AUTOMATIC
Avatar
TRISTAN JOSEPH RAMIREZ
  • MEMBER
  • 1 POST
I want to add a line out converter for an Amp and I need a wiring diagram for the car listed above with navigation without Harman Kardom.
Apr 13, 2021 at 5:47 AM
Advertisement
Avatar
JACOBANDNICKOLAS
  • CERTIFIED EXPERT
  • 110,175 POSTS
Hi,

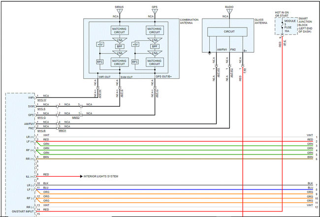
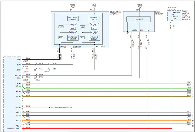
I have two options with nav. Neither indicates Harman Kardom. However, I know that is an upgrade and I believe it has a seperate amp.

If you look at pic 1 below, I listed the options I have and highlighted the one I picked. If that is incorrect, let me know.

I had to cut the pics in half to make them readable. However, I did overlap them so you can follow from one to the next.

I hope this helps. Let me know if that was the wrong system

Take care,

Joe

See pics below.
Apr 13, 2021 at 7:55 PM