Stereo wiring diagram

2001 CHEVROLET TAHOE
203,652 MILES • V8 • 2WD • AUTOMATIC
Avatar
ALEXIS LóPEZ
  • MEMBER
  • 6 POSTS
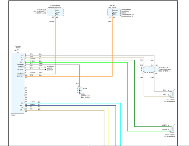
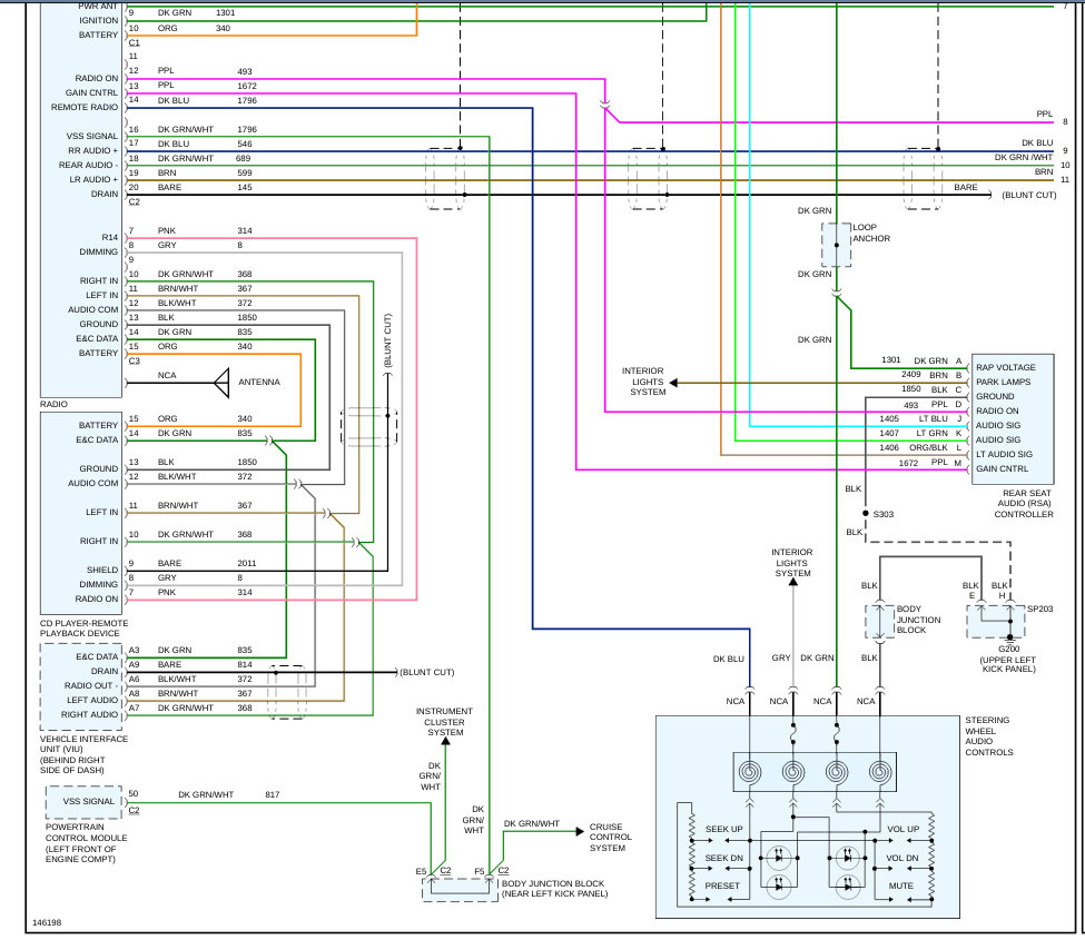
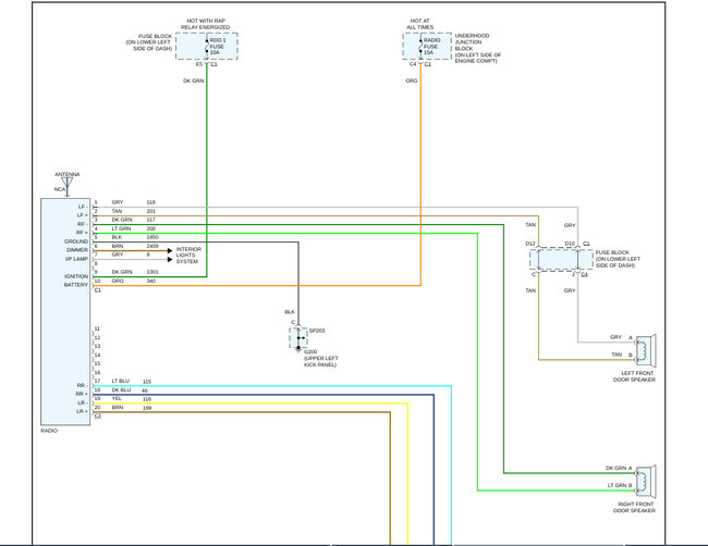
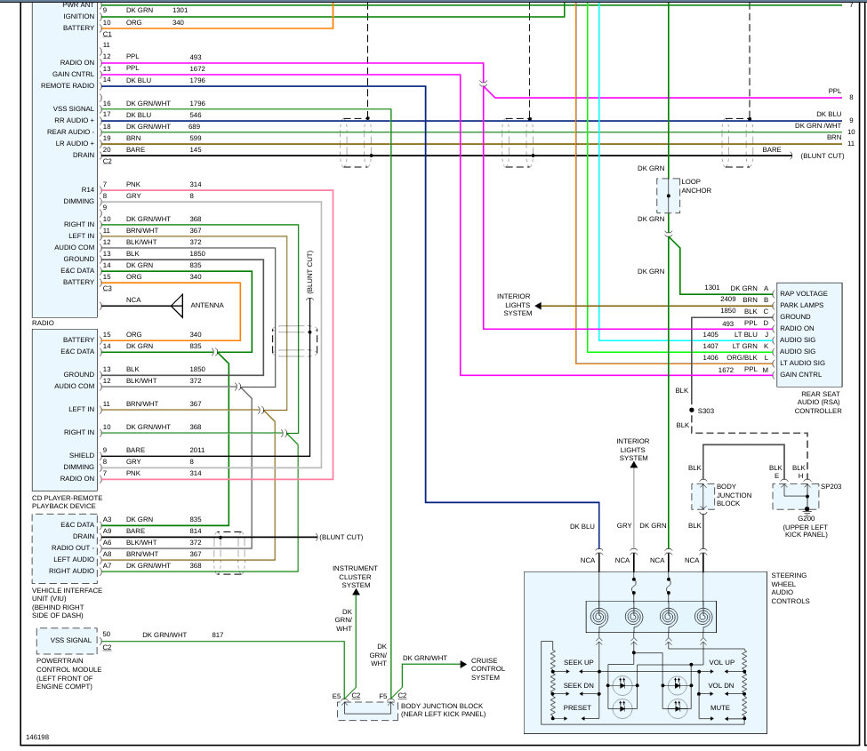
Hello guys, I just wanted to ask if anyone knows which stereo wiring diagram is the correct one for my car. I couldn't find the right one, and I notice that I have several colors that are the same; I have 6 green cables, 3 browns, two orange, one blue, one purple, one black, one that seems to be like yellow. If anyone knows I would appreciate it. thanks.
Jan 5, 2020 at 5:52 PM
Advertisement
Avatar
SCGRANTURISMO
  • CERTIFIED EXPERT
  • 4,897 POSTS
Hello,

There are four stereo options for your vehicle and I have included all of the four different stereo option wiring diagrams in the diagrams down below. Please go through these wiring diagrams and get back to us with how everything turns out. I hope that these help.

Thanks,
Alex
2CarPros
Jan 5, 2020 at 7:24 PM