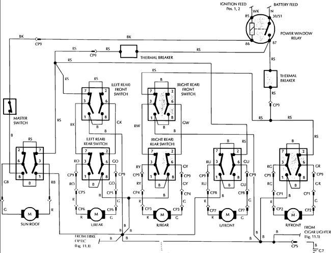
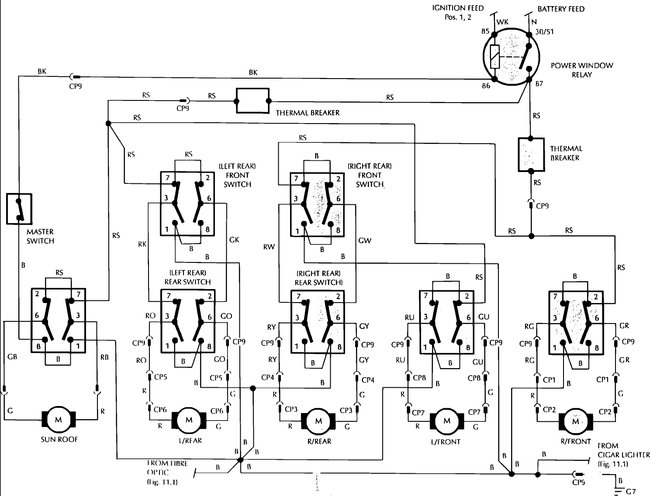
We have looked at all fuse boxes. Left and right under dash, Under the hood. No fused specifies which fuse operates the electric window or roof. The right box has only one row. The markings do not specify or show to Windows or roof. One individual stated on this site, second row forth down. But there is not but one row of fuses, not for windows, or at least it does not say so.
Also, the heater stays on full blast. Is there a on off switch? Our car does not have the control switches acress the dash, like the picture shows in manual.
Help is appreciated ASAP.
Charles Farner
Also, the heater stays on full blast. Is there a on off switch? Our car does not have the control switches acress the dash, like the picture shows in manual.
Help is appreciated ASAP.
Charles Farner
Aug 28, 2017 at 6:49 PM

