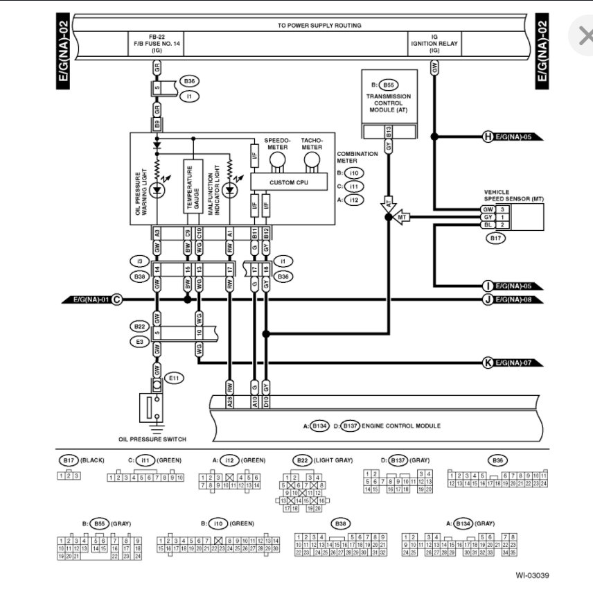
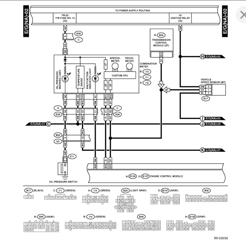
More then like this is an issue with the vehicle speed sensor but the way your vehicle works is the odometer and cruise control use the VSS as well. So if the speedometer is the only thing not working then the cluster circuit board is the issue.
I am attaching the needed information to figure out what this is. Plus the instructions for the cluster as I suspect that is the issue since you did not mention anything else as not working.
Let us know if you have questions. Thanks
Images (Click to enlarge)
Jan 31, 2021 at 1:23 PM