Engine Cooling problem
2000 Subaru Outback 4 cyl All Wheel Drive Automatic 127K miles
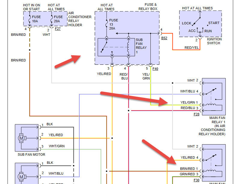
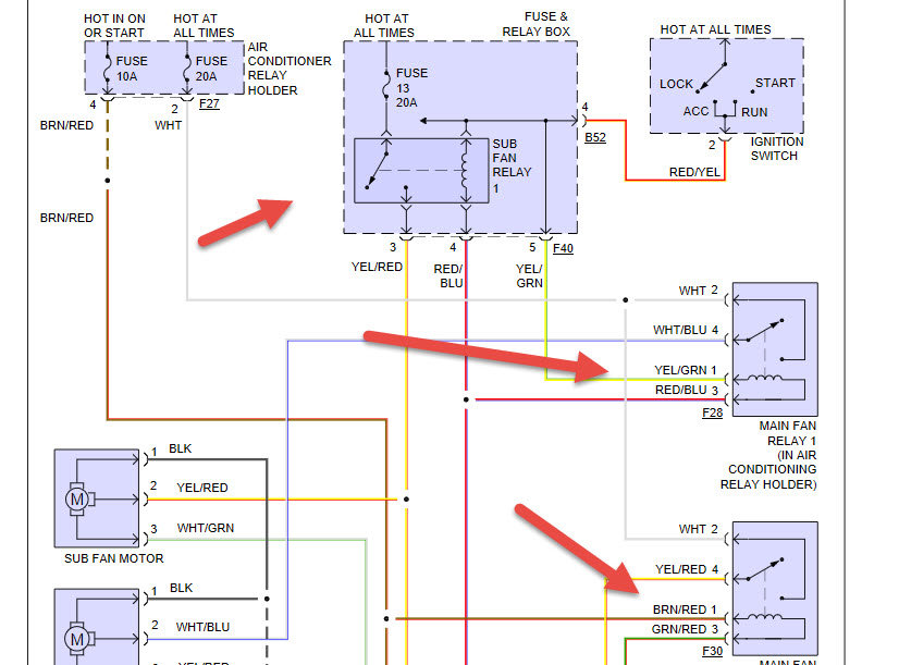
I just replaced my radiator with new thermostat and coolant. When the engine warms up,the cooling fan kick in but never shut off and do not know if this was existed before the repair and did not noticed it or just started after.So this is the basic trouble shooting I have done:
I turned off the engine and turn the ignition on only and the fan start to run and shuts off after i minute but it does not shut off while the engine is running.
Has anyone running into similar problem? I do not know if this is cooling sensor issue,relay or some thing else.
Thanks.
Dec 5, 2019 at 1:23 PM
(Merged)