☰
Login
Join
×
Home
Answered Questions
Repair Topics
Repair & Service Guides
Popular Questions
Warning Lights
Trouble Codes
How It Works
Testing / Diagnostics
Symptoms
Videos
Login
Become a Member
Home
Cadillac
CTS
Body
Sunroof
Wiring
Sunroof power wiring diagram needed?
2014 CADILLAC CTS
20,000 MILES
23GEEBOY
MEMBER
1 POST
FOLLOW
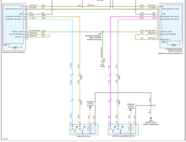
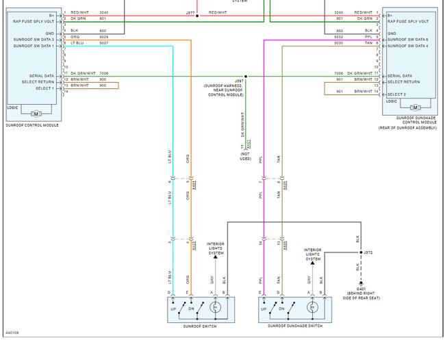
Can anyone help me with identifying the colors on the sunroof switch or a diagram?
Sep 2, 2025 at 8:31 AM
Advertisement
STRAILER
CERTIFIED EXPERT
53,855 POSTS
Sure, here are the sunroof wiring diagrams for the switches, let me know if you need anything else. Check out the images (below).
Image (Click to enlarge)
Sep 3, 2025 at 8:52 AM