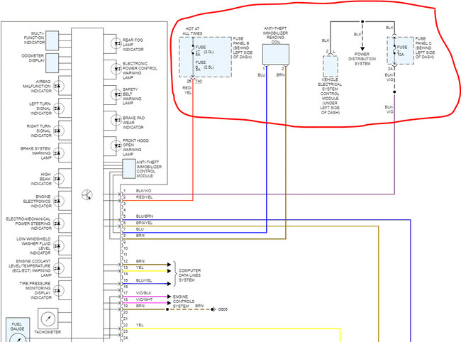
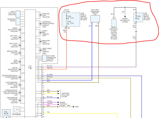
Bought the car and the tachometer didn't work. Last owner said it didn't work while he had it. Could it be a blown fuse causing this or something a little more serious?
May 11, 2020 at 8:13 PM
