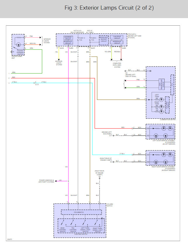
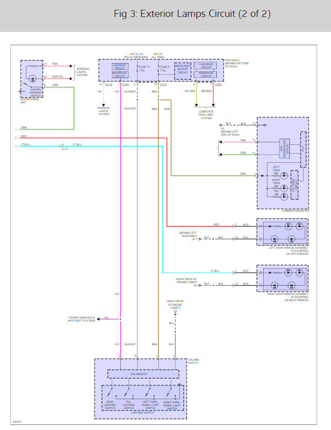
My passenger tail light is very very dim and won't get brighter when reversing or when it's just running with the headlights on. My marker light right below it on the passenger side in the rear is blown out completely. Every other light function works perfectly tag lights headlight and front light features my brake lights for both sides blinkers for both sides and Hazards. My dash light for my blinkers left and right are not ticking faster either when engaged. And when I turn off my car the malfunctioning taillight above the blown marker light stays on very very dim for an extra minute or so. And if I use my Anti-Theft keyless remote to open my car the same malfunctioning taillight by itself blinks 3 times then goes out. Problems only when the headlights are on passenger side tail light stays dim and when reversing stays dim and it doesn't get brighter and right below it passenger side rear marker light is completely blown out. Really need help thanks.
Sep 4, 2016 at 8:07 AM

