Taillight problem

2006 TOYOTA HIGHLANDER
198,000 MILES • AUTOMATIC
Avatar
KGILLIAM89
  • MEMBER
  • 1 POST
I backed into a tree a few years back and broke the passenger taillight. All lights still worked fine so i taped it up good with all the red and clear tape necessary to avoid a ticket. Finally, a few years of driving tapped up my brother bought a new taillight for my car so he could use it to take his driving test. It was super easy to install but now only the reverse light comes on.
May 7, 2022 at 1:30 PM
Advertisement
Avatar
JACOBANDNICKOLAS
  • CERTIFIED EXPERT
  • 110,175 POSTS
Hi,

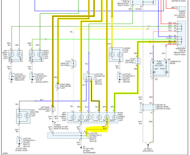
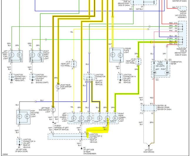
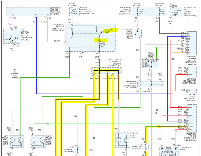
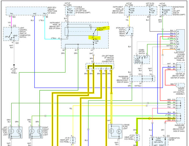
If nothing on the right rear is working, it is likely a ground issue. The same fuse powers the left and right sides.

What I need you to do is check to see if there is continuity to ground at the white wire with a black tracer. That wire runs to the opposite side of the vehicle to a junction. I have a feeling that has failed.

I attached the wiring schematic for the exterior lighting for a non-hybrid vehicle. If that is incorrect, let me know.

Here is a link you may find helpful:

https://www.2carpros.com/articles/how-to-check-wiring

Let me know what you find.

Take care,

Joe

See pics below.
May 7, 2022 at 10:16 PM