No taillights brake lights or running lights, need relay location

1994 MITSUBISHI MIRAGE
233,000 MILES
Avatar
APRIL SPARKS
  • MEMBER
  • 1 POST
Bulbs are good fuses good. can't find relay to test?
Dec 8, 2019 at 7:08 AM
Advertisement
Avatar
STRAILER
  • CERTIFIED EXPERT
  • 53,855 POSTS
Hello,

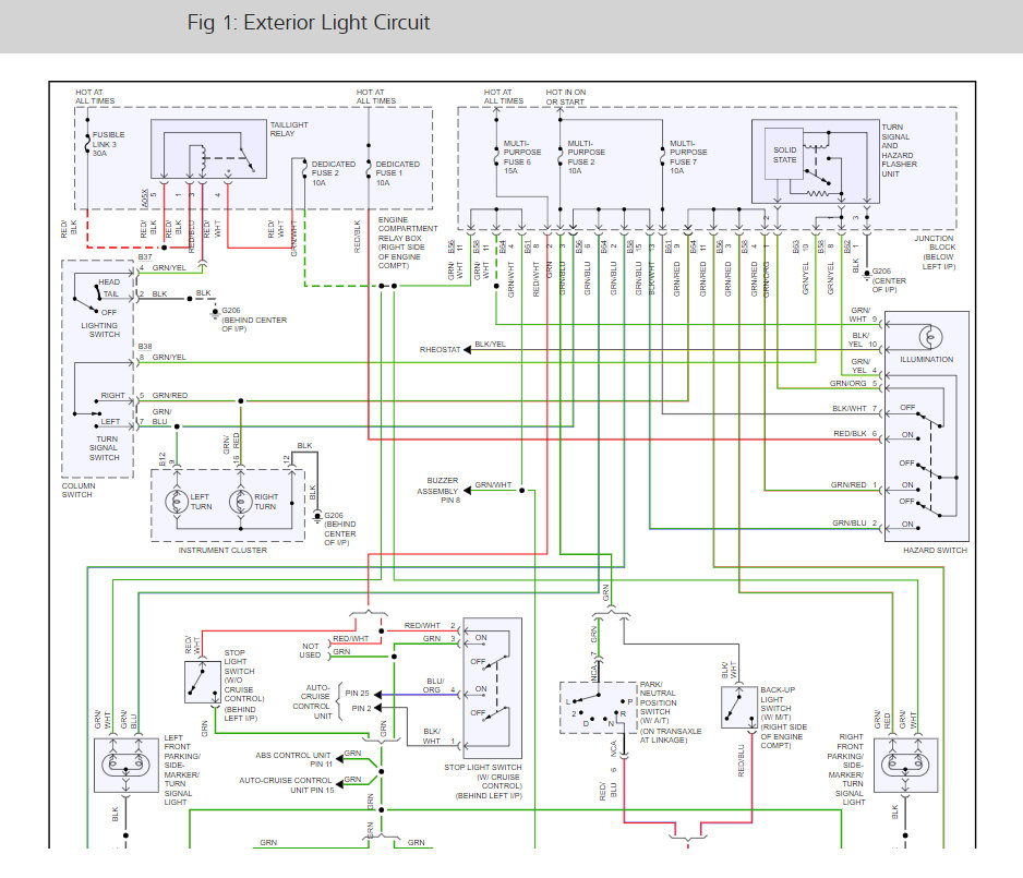
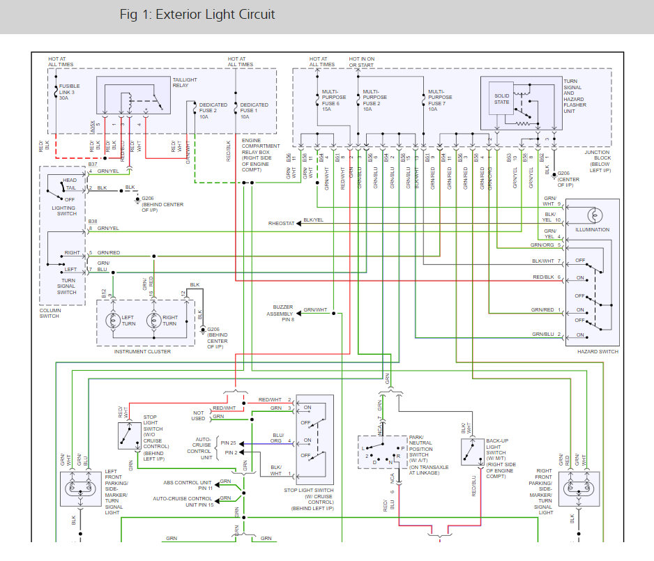
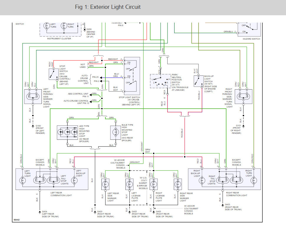
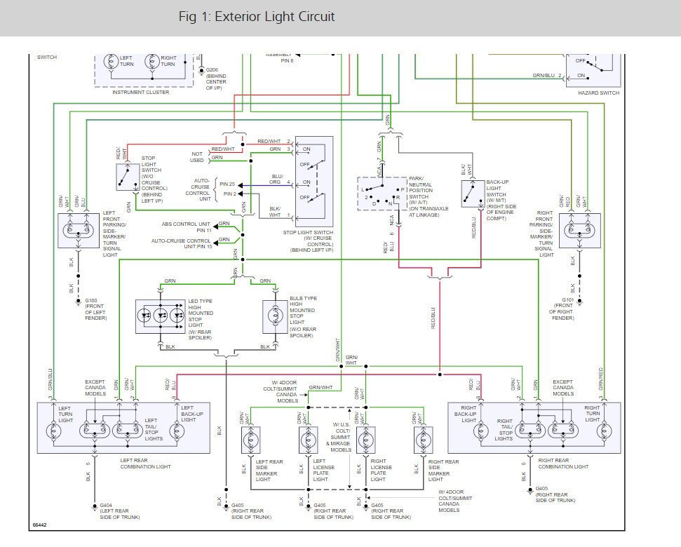
It looks like everything runs through the hazard switch. can you please cycle it back of forth many times to clean the contracts to see if the system works? Here is a guide to help you test for power and the blinker and brake light wiring diagrams to help you see how the system works and which wires to test for power:

https://www.2carpros.com/articles/how-to-use-a-test-light-circuit-tester

Check out the diagrams (below). Please let us know what you find. We are interested to see what it is.
Dec 9, 2019 at 11:10 AM