Tail lights

2008 DODGE AVENGER
140,000 MILES • 2.7L • 4 CYL • 2WD • MANUAL
Avatar
RICHARDPLOMBON
  • MEMBER
  • 1 POST
No tail lights, all other lights work. Checked all the bulbs in the rear of the car including license plat bulb and all appear to be fine. all lights work but tail lights and rear license plate light. All bulbs relays and fuses appear to be operable.
Nov 29, 2017 at 9:54 AM
Advertisement
Avatar
KASEKENNY
  • CERTIFIED EXPERT
  • 18,907 POSTS
The most likely cause of this is the TIPM has failed. This is not uncommon as the relays are internal to the TIPM and they fail pretty easily when they get some age to them.

The way to confirm this is to check voltage coming out of the TIPM on Pin 8 of the C3 connector. If you don't have voltage here, then the TIPM is the issue.

Here is a guide that will help with this testing.

https://www.2carpros.com/articles/how-to-check-wiring

There are many companies out there that will rebuild these TIPMs for you and replace the relays with a higher quality so that they don't fail as easily. Keep in mind, it is not like these fail after a month but some of these rebuilds are much better and will last longer then the OEM.

Otherwise it needs to be replaced.

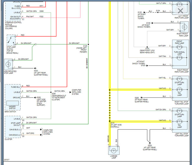
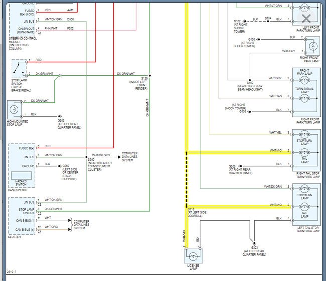
I attached the info on these below plus the wiring diagram that will help with what needs to be tested.

Thanks
Aug 14, 2021 at 4:54 PM