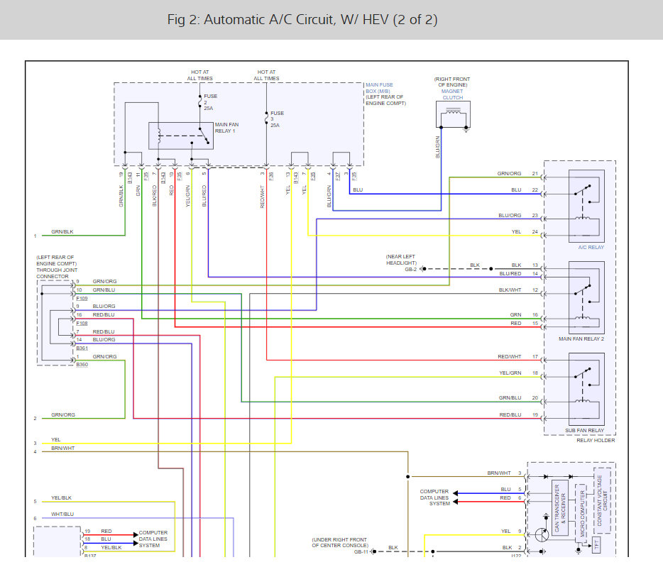
One day while I was driving, I heard the blower fan stop running. I tried the knobs but the fan speed control and the temperature controls have no power. Checked the fuses and they aren’t burnt.
My question is this, Is there another location other than the two fuses blocks? Or could the motor be burnt out?
Thank you for your time.
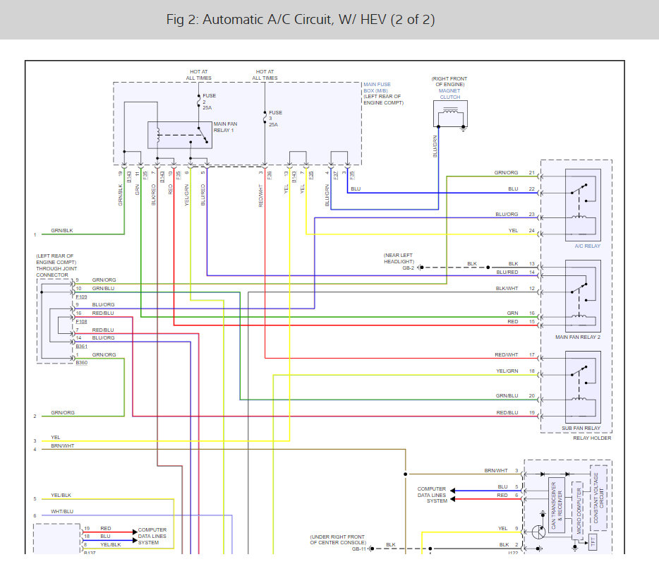
My question is this, Is there another location other than the two fuses blocks? Or could the motor be burnt out?
Thank you for your time.
Feb 14, 2020 at 9:33 PM















