The car will not start when the engine and transmission are hot?

1993 OLDSMOBILE ACHIEVA
149,000 MILES • 2.3L • 4 CYL • 2WD • AUTOMATIC
Avatar
ALEXBEL
  • MEMBER
  • 65 POSTS
VIN 1G3NL5438PM025097. Sometimes the engine will not start. This happens when the engine is hot. When the ignition key is in the "start" position, the starter does not work, nor can you hear the clang of the starter coil solenoid, complete silence. After the car cooled, the engine starts, starter works.
I have checked the ignition key contacts on the steering column, they are serviceable. I could assume that the cause is a bad contact at the contact group of the transmission speed shifter. But I can't figure out why the contacts are good when the engine is cold, and vice versa, when the engine and transmission are hot, the contacts are bad. Maybe there is something I don't know? Maybe there are some contacts that are temperature dependent? Note: I am not in the USA, no auto electrician here.
Apr 6, 2023 at 4:05 AM
Advertisement
Avatar
BRENDON S
  • CERTIFIED EXPERT
  • 653 POSTS
Good morning, ALEXBEL,

I would start at the component and see if you have power there. I would warm it up, chock the rear wheels and jack up the front of the vehicle. Support it on some jackstands and go to the wire on the solenoid with a test light. This should be a thin purple or pink wire. Connect the other end to the engine block. Once the test light is in place have an assistant try to start the vehicle and see if you are getting power at the starter solenoid.

If something is changing when it warms up and not allowing power to flow to the solenoid this will tell you. If the light lights up when the key is turned, then it's the starter. Try tapping it with a hammer while an assistant is turning the key and see if it turns over.

How old is the starter?

If the light does not light up, then I would check the Neutral Safety Switch. On your vehicle it is on the top left rear of the transmission. I would try putting it in neutral and see if it starts then. Normally this would cause an issue cold or hot but if the heat of the engine is expanding the contacts because it is in the engine compartment this could cause you to lose power to the starter when hot.

Here is an article that will aid in Neutral Safety Switch diagnosis:
https://www.2carpros.com/articles/how-a-neutral-safety-switch-works

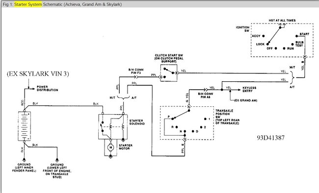
I am also adding a wiring diagram of your starter circuit.

Because of the heat in the engine compartment my thought is it more likely to be a component there than inside the vehicle like the ignition switch itself since it only happens when hot.

I would start there and see if you are either losing power or the heat is causing a mechanical issue in the starter.

Thank you,
Brendon
Apr 6, 2023 at 7:08 AM
Avatar
ALEXBEL
  • MEMBER
  • 65 POSTS
Thank you very much for the advice.
Apr 6, 2023 at 8:32 AM
Advertisement
Avatar
BRENDON S
  • CERTIFIED EXPERT
  • 653 POSTS
Hello ALEXBEL,

You are very welcome. I hope it helps. If I can help any further, please let me know.

Thank you,
Brendon
Apr 6, 2023 at 8:35 AM
Avatar
ALEXBEL
  • MEMBER
  • 65 POSTS
Okay.
Apr 6, 2023 at 8:54 AM
Avatar
JACOBANDNICKOLAS
  • CERTIFIED EXPERT
  • 110,175 POSTS
Hi,

I noticed it has been a couple of days since we heard from you. I was wondering if you have made progress or if there is anything we can do to help.

Let me know.

Take care and Happy Easter,

Joe
Apr 8, 2023 at 6:32 PM
Avatar
ALEXBEL
  • MEMBER
  • 65 POSTS
But I haven't started the renovations yet. When I start repairing, I will let you know the results.
Apr 8, 2023 at 7:12 PM
Avatar
JACOBANDNICKOLAS
  • CERTIFIED EXPERT
  • 110,175 POSTS
Sounds good.

Thanks,

Joe
Apr 8, 2023 at 7:56 PM
Avatar
ALEXBEL
  • MEMBER
  • 65 POSTS
Hello.
I have found that sometimes the starter power circuit is broken. Specifically, a bad contact in the Park/Neutral Position Switch (GM 1994333), which is on the outside of the top of the transmission case. I am not in the US and have not been able to buy a new Switch yet. So as a temporary measure, I want to replace the used grease in the Switch with new grease. However, I am not sure what kind of grease would be suitable. The environment in which the electrical contacts of this part operate: - 40°F (winter engine startup); + 300°F (warm transmission). Photo attached. Could you please recommend me the type and kind of grease?
Alexandr
Dec 3, 2023 at 12:42 AM
Avatar
JACOBANDNICKOLAS
  • CERTIFIED EXPERT
  • 110,175 POSTS
Hi,

When it comes to electrical components and grease, you need a dielectric grease. I attached an example below. Additionally, pic 2 shows an electronics cleaner.

After you gently wipe away the old grease, I recommend using an electronics cleaner spray and spray it down really well. Inspect where connections are made. If there are any burnt or dirty spots, gently clean them with a mild emery cloth or very fine grit sandpaper such as 1000 grit. After that is done, respray it with the cleaner, allow it to fully dry, and then apply the dielectric grease.

I hope this helps.

Take care,

Joe

See pics below.

Dec 3, 2023 at 8:56 PM
Avatar
ALEXBEL
  • MEMBER
  • 65 POSTS
Thank you very much.
Dec 3, 2023 at 9:55 PM
Avatar
ALEXBEL
  • MEMBER
  • 65 POSTS
There is a number on the tube of lube on the bottom right. This number is barely visible in the photo.
Dec 13, 2023 at 7:08 AM
Avatar
JACOBANDNICKOLAS
  • CERTIFIED EXPERT
  • 110,175 POSTS
Hi,

I can't find a really clear pic. I believe the number is 05113.

Let me know if that helps.

Take care,

Joe

See pic below.
Dec 13, 2023 at 7:06 PM
Avatar
ALEXBEL
  • MEMBER
  • 65 POSTS
Okay, thank you very much.
Dec 13, 2023 at 8:52 PM