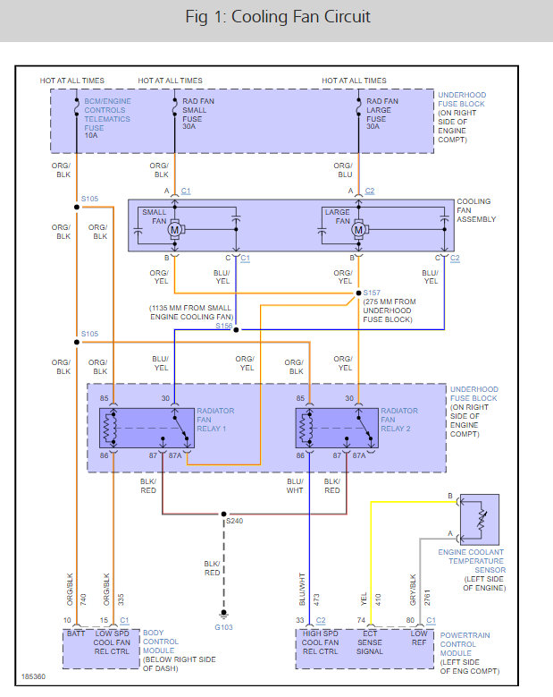
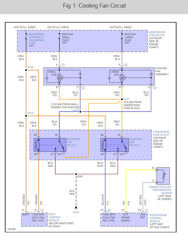
I over-ride the thermo fans and they actually work. I changed the relays. They still don't come on and I tried putting the A/C on still don't come on. when I disconnected the temperature sensor, they come on until I switched the ignition off.
Aug 20, 2022 at 6:48 AM










