Does this vehicle have two thermostats?

2005 SUBARU OUTBACK
87,000 MILES • 4WD
Avatar
RICK LACOMB
  • MEMBER
  • 6 POSTS
I was told that my outback might have 2 thermostats in it, is that true?
Jan 26, 2025 at 6:53 AM
Advertisement
Avatar
STEVE W.
  • CERTIFIED EXPERT
  • 15,113 POSTS
If you mean in the cooling system for the engine there is only one on the 3.0 the 2.5 and the 2.5 turbocharged. There have been engines with dual thermostats, but they are not that common on normal passenger vehicles. Are you having a cooling system issue?
Jan 26, 2025 at 8:30 AM
Avatar
RICK LACOMB
  • MEMBER
  • 6 POSTS
Yes, my wife and I have been making multiple trips from Tillamook to Portland, and it has just started to overheat going over the pass it along stretch of road of no cell phone service. So, I figured I should replace the thermostat and one of my co-workers told me there might be 2of them I have never heard of this before, but I have never owned a Subaru (it's the wife's car) I have a Ford truck when I get it running again. hey, maybe you can help me, is there a way to check the cooling fans? I don't ever recall seeing or hearing them running.
Jan 26, 2025 at 7:41 PM
Advertisement
Avatar
STEVE W.
  • CERTIFIED EXPERT
  • 15,113 POSTS
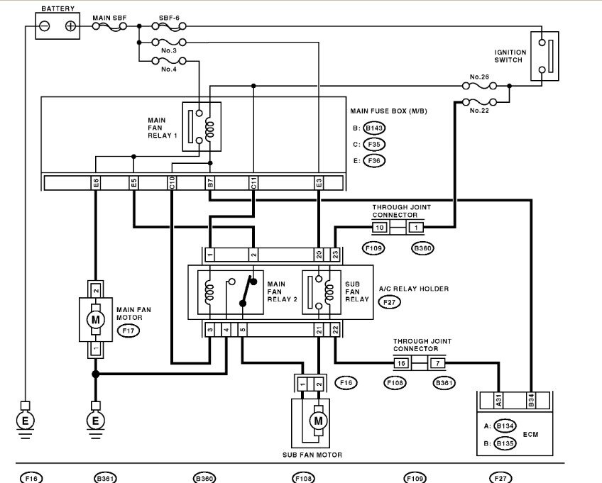
Hmm, co-worker might have meant 2 coolant temperature sensors? Which engine does it have? Asking because the 2.5 is known for head gasket failures if they get hot. A quick way to test the relay and fans is to unplug the coolant temp sensor, most vehicles will start the fans running then because the ECM doesn't know the actual coolant temperatures, so it turns them on high to protect the engine. Also, that vehicle doesn't turn the fans on until the coolant exceeds 205 - 210 degrees. The sensor is located on top of the engine between the air intake hose and the throttle body. The diagram is a sort of generic Subaru fan control. The 3.0 and 2.5 are similar but use different colors and testing.
Jan 27, 2025 at 1:39 PM