I tried wiring to my radio it is on?

1997 SATURN SC1
280,000 MILES • 1.9L • 4 CYL • 2WD • MANUAL
Avatar
JAMIE QUIGLEY
  • MEMBER
  • 2 POSTS
There's wiring hanging at my feet, wet outside, I didn't pay attention and pulled the already been yanked on loose cord wiring loose. I didn't wire the thing someone else did, so not sure where to hook it, it says another twelve volts but not sure what to do. I tried wiring to my radio it's on all time that's on the radio all time didn't work. The car was given to me two weeks ago and a lot of other wiring messed with. Neutral safety switch?
Dec 17, 2022 at 10:27 AM
Advertisement
Avatar
STRAILER
  • CERTIFIED EXPERT
  • 53,855 POSTS
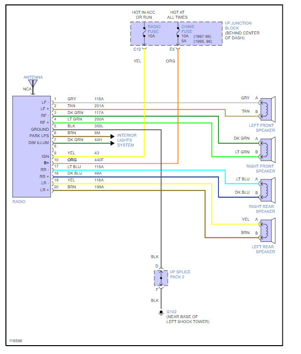
The neutral safety switch is at the transmission so you must be wiring the radio. If you upload an image of the wiring I can tell for sure. Here are the radio wiring diagrams to see if any match the wiring you are seeing?
Dec 17, 2022 at 1:47 PM