Throttle body wiring diagram? RPM is continuously fluctuating.

2009 CHEVROLET OPTRA
209,000 MILES • 1.6L • 4 CYL • 2WD • AUTOMATIC
Avatar
FAISAL SAEED
  • MEMBER
  • 4 POSTS
I have optra 2009 model and encounter problem of rough idling RPM are fluctuating b/w 500 to 1400. The scanner says ISC command -37%. There might be some broken wire. I need help to identify and fix the problem, I am in KSA.
Feb 12, 2023 at 11:22 PM
Advertisement
Avatar
STRAILER
  • CERTIFIED EXPERT
  • 53,855 POSTS
Hello Faisal,

This can be caused by a vacuum leak or dirty throttle body just so you know. Here are two guides to help you service the throttle body and check for a vacuum leak which should be done when the engine is cold only.

https://www.2carpros.com/articles/throttle-actuator-service

and

https://www.2carpros.com/articles/how-to-use-an-engine-vacuum-gauge

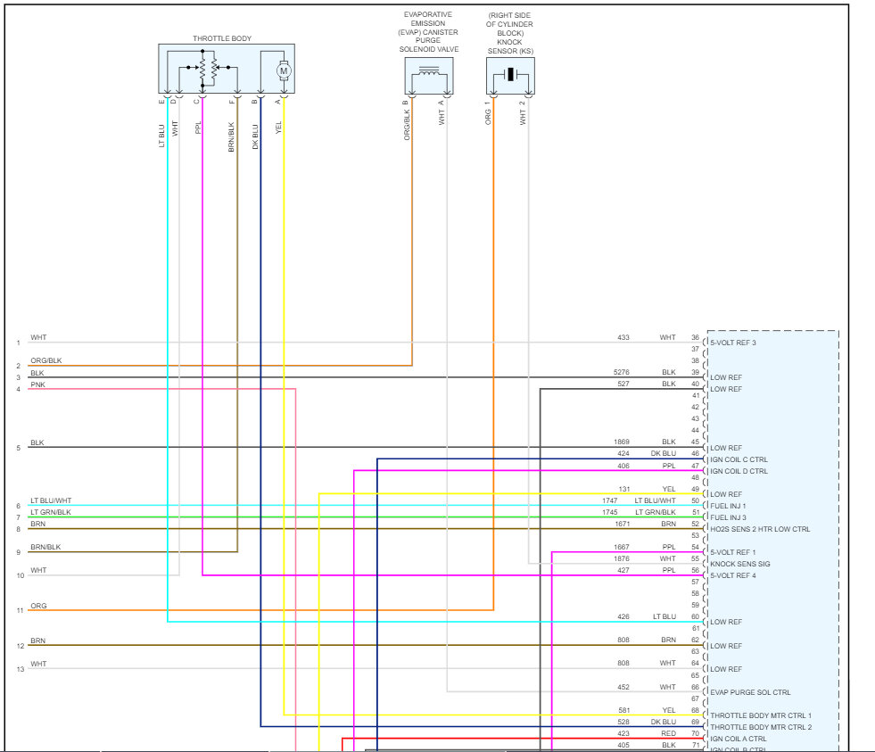
Here are the throttle body and complete engine wiring diagrams and I have also included a guide on how to test the wiring as well.

https://www.2carpros.com/articles/how-to-check-wiring

Check the images below and let us know what happens, thanks for using 2CarPros. Please upload pictures or videos of the problem.
Feb 13, 2023 at 10:56 AM
Avatar
FAISAL SAEED
  • MEMBER
  • 4 POSTS
Thanks, brother, for your time. I will check in the week end and update you.
Feb 13, 2023 at 10:08 PM
Advertisement
Avatar
STRAILER
  • CERTIFIED EXPERT
  • 53,855 POSTS
No problem brother, let me know if you need any more help and how the repair goes.
Feb 14, 2023 at 1:14 PM
Avatar
FAISAL SAEED
  • MEMBER
  • 4 POSTS
Apparently, there is no broken pipe or air leak. but RPM is continuously fluctuating. Once I accelerate and rpm raised above approximately 1500 then everything is smooth and normal. I don't know if possibly, air leaking from intake manifold or from break booster drum or problem is in throttle body.
Feb 14, 2023 at 9:31 PM
Avatar
FAISAL SAEED
  • MEMBER
  • 4 POSTS
and i also feel the pulse in accelerator pedal on idling.
Feb 14, 2023 at 9:35 PM
Avatar
STRAILER
  • CERTIFIED EXPERT
  • 53,855 POSTS
Thanks for the video, it helps. The scanner shows the IAC is in the negative which means there is a vacuum leak, or you have a MAF sensor the is not working correctly. Is the engine misfiring that you can tell? The MAF is a normal service item here is the location. Also have you replaced the spark plugs? I would definitely do that if it has been a while or never been done.

This guide can help:

https://www.2carpros.com/articles/how-to-change-spark-plugs

Let me know please.
Feb 16, 2023 at 2:09 PM