Timing belt replacement

1997 TOYOTA CAMRY
198,000 MILES • 2.2L • 4 CYL • 2WD • AUTOMATIC
Avatar
ROB 1503
  • MEMBER
  • 63 POSTS
Hi, i have a car that has been sitting there for the last month now. The reason is one day i was gonna head out to the store and all of a sudden it turned off before leaving my parking lot. I turned the key and noticed the starter sounded different. With just that sound i knew what had happened but to make sure i was correct i took off the timing belt cover and confirmed that the timing belt broke. I haven't done timing belts or chains want to learn. So i was wondering if someone could help me by providing instructions on how to replace the belt for this vehicle. I am planning on either selling it or junking it. Engine runs great had no signs of oil or antifreeze leaks. I have always done its schedule maintenance myself. Bender had any issues at all but i got another vehicle that i prefer so i would like to take advantage and use this car to learn how to do the timing belt.

Rob
Jun 27, 2019 at 4:54 PM
Advertisement
Avatar
ASEMASTER6371
  • CERTIFIED EXPERT
  • 52,796 POSTS
Good evening,

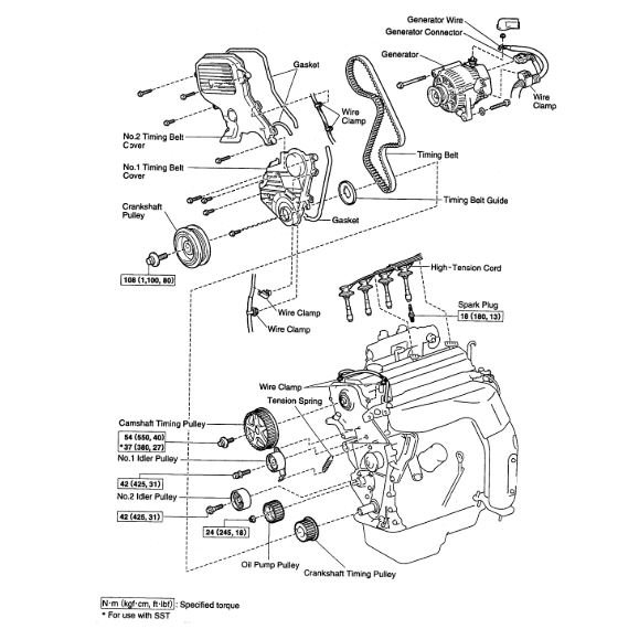
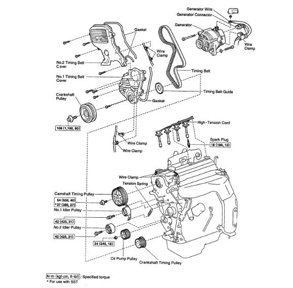
Procedure below with pictures.

Roy

1. Remove generator.
2. Remove RH front wheel
3. Remove RH front fender apron seal


imageOpen In New TabZoom/Print


4. Remove PS pump drive belt
Loosen the 2 bolts, and remove the drive belt.
5. Disconnect ground strap connector


imageOpen In New TabZoom/Print


6. Remove engine moving control rod
^ Remove the 3 bolts and control rod.


imageOpen In New TabZoom/Print


7. Remove no.2 RH engine mounting bracket
^ Remove the 3 bolts and mounting bracket.

8. Remove spark plugs
a. Disconnect the 4 high-tension cords from the clamps on the cylinder head cover.
b. Disconnect the 4 high-tension cords from the spark plug.
c. Remove the 4 spark plugs.


imageOpen In New TabZoom/Print


9. Remove no.2 timing belt cover
a. Disconnect the 2 engine wire clamps from the timing belt cover.
b. Remove the 4 bolts and timing belt cover.

10. Set no.1 cylinder to TDC/compression


imageOpen In New TabZoom/Print


a. Turn the crankshaft pulley, and align its groove with timing mark "0" of the No.1 timing belt cover.

Timing Belt/Camshaft Align Marks
imageOpen In New TabZoom/Print


b. Check that the hole of the camshaft timing pulley is aligned with the timing mark of the bearing cap. If not, turn the crankshaft 1 revolution (360°).

11. Remove timing belt from camshaft timing pulley

Timing Belt/Camshaft Align Marks
imageOpen In New TabZoom/Print


NOTE: When re-using timing belt, place the matchmarks on the timing belt and camshaft timing pulley, and place match marks on timing belt to match portion A of the No.1 timing belt cover.


imageOpen In New TabZoom/Print


a. Loosen the mounting bolt of the No.1 idler pulley, and shift the pulley toward the left as far as it will go, and temporarily tighten it.
b. Remove the timing belt from the camshaft timing pulley.


imageOpen In New TabZoom/Print


12. Remove camshaft timing pulley
a. Using SST, loosen the pulley bolt.
SST 09249-63010, 09960-10010 (09962-01000, 09963-01000)
b. Remove the bolt and timing pulley.

13. Remove crankshaft pulley


imageOpen In New TabZoom/Print


a. Using SST (and bolt), loosen the pulley bolt.
SST 09213-54015 (91651-60855 for type A), 09330 - 00021

NOTE:
^ Either of 2 types of pulley may be used, each with its own bolt size, type A and type B. When using bolt type B. a plate washer must be inserted between the bolt and SST.


imageOpen In New TabZoom/Print


^ When re-using timing belt, after loosening the crankshaft pulley bolt, check that the timing belt match marks aligns with portion A of the No.1 timing belt cover when the crankshaft pulley groove is aligned with the timing mark "O" of the No. 1 timing belt cover. If the match marks does not align, align as follows:


imageOpen In New TabZoom/Print


When match marks is misaligned clockwise:
^ Align the match marks by pulling the timing belt up on the water pump pulley side while turning the crankshaft pulley counterclockwise.


imageOpen In New TabZoom/Print


^ After aligning the match marks, hold the timing belt. And turn the crankshaft pulley clockwise, and align its groove with timing mark "O" of the No.1 timing belt cover.


imageOpen In New TabZoom/Print


When match marks is misaligned counterclockwise:
^ Align the match marks by pulling the timing belt up on the No.1 idler pulley side while turning the crankshaft pulley clockwise.


imageOpen In New TabZoom/Print


^ After aligning the match marks, hold the timing belt. And turn the crankshaft pulley counterclockwise, and align its groove with timing mark "O" of the No.1 timing belt cover.

b. Remove the pulley bolt.


imageOpen In New TabZoom/Print


c. Using SST, remove the pulley. SST 09950 - 50010 (09951 - 05010, 09952-05010, 09953-05010, 09953-05020, 09954-05020 for type A, 0995W5010 for type B)

NOTE: Either of 2 types of pulley may be used, each with its own bolt size, Type A and type B. When re-using timing belt: Remove the pulley without turning it.


imageOpen In New TabZoom/Print


14. Remove no.1 timing belt cover
a. Disconnect the crankshaft position sensor wire from the clamp on the timing belt cover.
b. Disconnect the clamp of the crankshaft position sensor wire from the timing belt cover.
c. Remove the 4 bolts and timing belt cover.

15. Remove timing belt guide


imageOpen In New TabZoom/Print


16. Remove timing belt hint When re-using timing belt, draw a direction arrow on the timing belt (in the direction of engine revolution), and place matchmarks on the timing belt and crankshaft timing pulley.


imageOpen In New TabZoom/Print


17. Remove no.1 idler pulley and tension spring
^ Remove the bolt, pulley and tension spring.

18. Remove no.2 idler pulley remove the bolt and pulley.


imageOpen In New TabZoom/Print


19. Remove crankshaft timing pulley
^ If the pulley cannot be removed by hand, use SST to remove the timing pulley.
SST 09950 - 50010 (09951 - 5010, 09952-05010, 09953 - 05010, 09953-05020, 09954-05010)

NOTE: Do not scratch the angle sensor of the timing pulley.

image
20. Remove oil pump pulley
a. Using SST, loosen the pulley nut.
SST 09960 - 1 0010 (09962-1000, 09963-0500)

b. Remove the nut and pulley.
Jun 27, 2019 at 5:28 PM
Avatar
KASEKENNY
  • CERTIFIED EXPERT
  • 18,907 POSTS
Hi Rob,

That is great that you are wanting to perform this repair. It is not the easiest of things to do but take your time and you will get it.

Here is the procedure to remove and reinstall the belt. Please pay attention to the timing marks. You will need to make sure the are lined up properly or you will have timing issues.

Let me know if you need anything else. Thanks
Jun 27, 2019 at 5:38 PM
Advertisement
Avatar
ROB 1503
  • MEMBER
  • 63 POSTS
Thank you both. You guys are the best.
Jun 27, 2019 at 7:23 PM
Avatar
ASEMASTER6371
  • CERTIFIED EXPERT
  • 52,796 POSTS
You are welcome.

We are always glad to help.

Roy
Jun 28, 2019 at 3:27 AM
Avatar
ROB 1503
  • MEMBER
  • 63 POSTS
Quick question. Is it possible for the position and valves to crash as a result to timing belt braking while engine was running?
Jul 5, 2019 at 6:36 PM
Avatar
ASEMASTER6371
  • CERTIFIED EXPERT
  • 52,796 POSTS
Yes. It is an interference engine.

Roy
Jul 5, 2019 at 10:55 PM
Avatar
ROB 1503
  • MEMBER
  • 63 POSTS
Thank you Roy sorry i keep taking long to reply. Greatly appreciate al your help
Jul 19, 2019 at 9:39 PM
Avatar
ROB 1503
  • MEMBER
  • 63 POSTS
Actually everyone thank you. Job got done and got it running. Now the Camry has a new owner very happy with it. Thanx all
Jul 19, 2019 at 9:41 PM
Avatar
ASEMASTER6371
  • CERTIFIED EXPERT
  • 52,796 POSTS
You are welcome

We are always glad to help

Roy
Jul 20, 2019 at 2:29 AM